Friday, August 1st, 2014 AT 7:12 PM
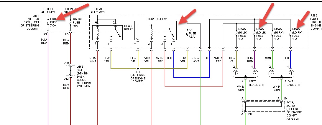
I have a 2001 Toyota Tacoma I have been running the light all the time this morning went out to go in the truck noted the high beam indicator was on try to cut it off and it will not cut off got out of the truck and noted the low beam light was not on anymore I tried to replacing the the light bulb still light would not come on getting power to one of the pigtails what could be going on
