Lost power to A/C Compressor?

Tiny
AENCISO
  • MEMBER
  • 2005 LINCOLN NAVIGATOR
  • 4WD
  • AUTOMATIC
  • 200,000 MILES
We have installed everything new at this point the A/C turns on but all it blows it hot air I assume it's the same air from outside. Does anyone know what electrical issue can cause this?
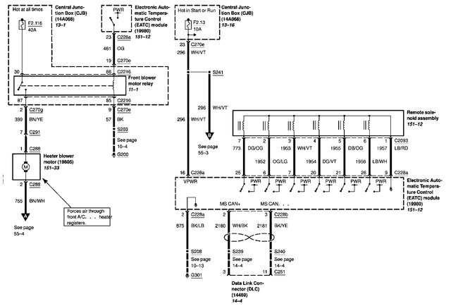
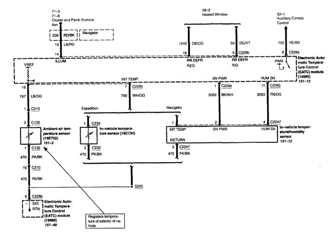
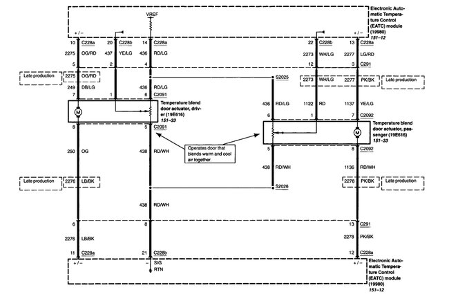
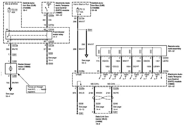
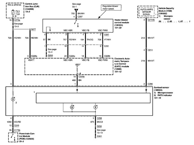
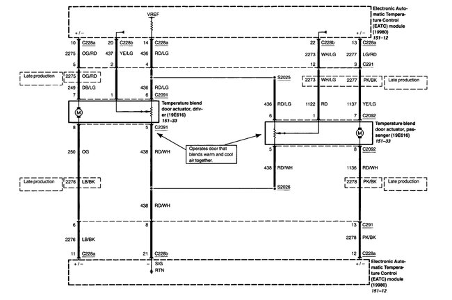
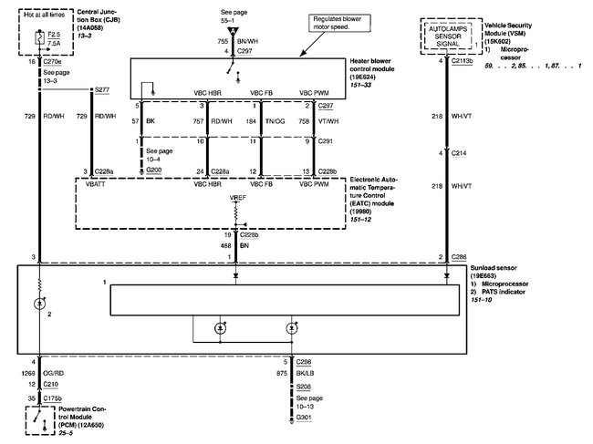
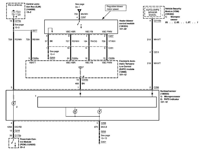
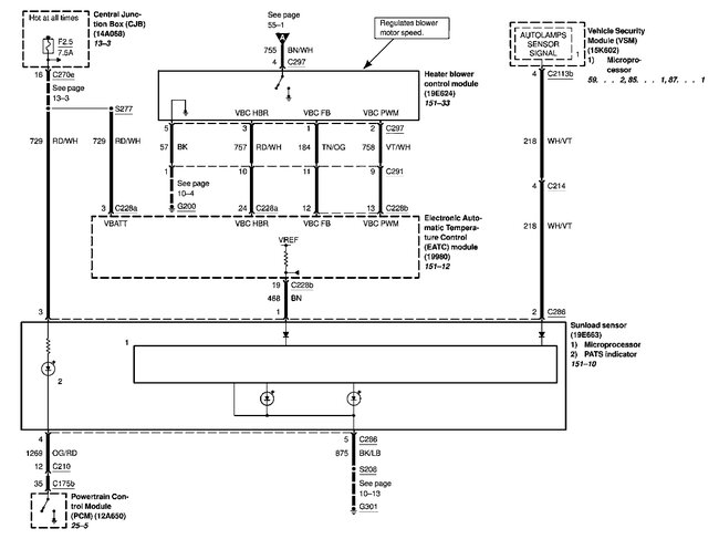
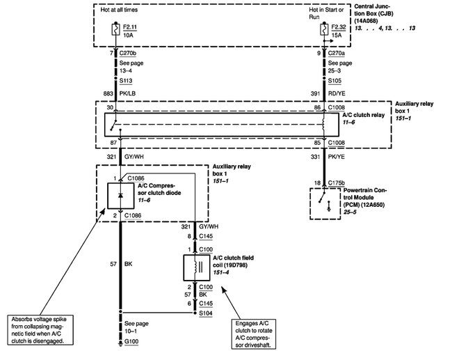
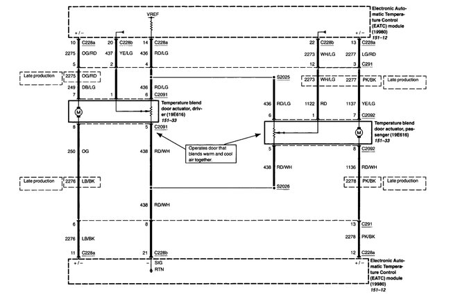
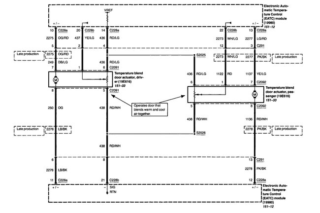
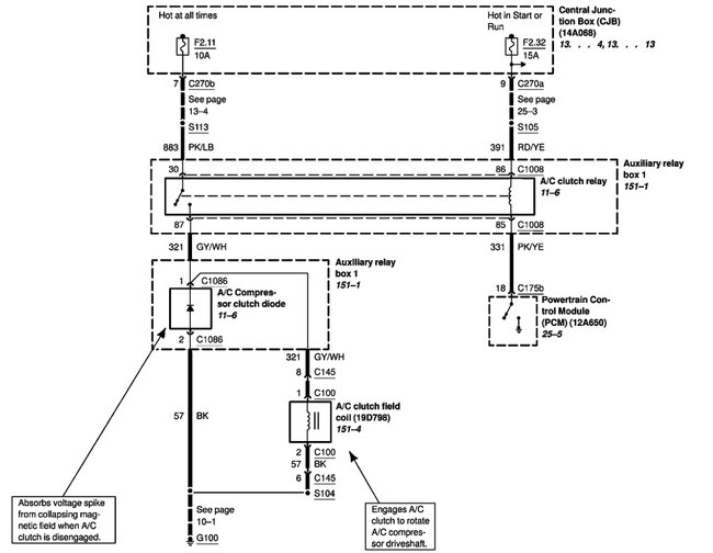
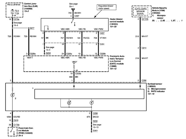
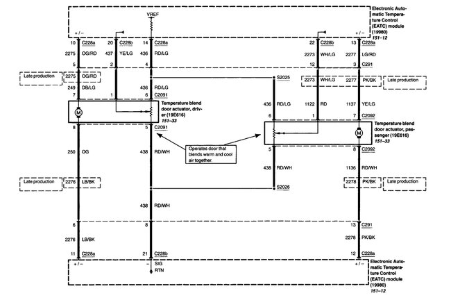
Does anyone have the A/C wiring diagram?
Monday, July 31st, 2023 AT 1:46 PM

1 Reply

Tiny
MATHGEN
  • MECHANIC
  • 128 POSTS
Hello, sorry to hear you are having problems. I have uploaded the diagrams for the Automatic HVAC system. Is the compressor turning on now? If so, does the large A/C line close to the expansion valve get very cold? If the line is getting cold, then you may have an issue with the blend air door(s) or actuators. Please let me know what you find.
Was this
answer
helpful?
Yes
No
Tuesday, August 1st, 2023 AT 7:10 AM

Please login or register to post a reply.