Brake light wiring diagrams

Tiny
NASFN3
  • MEMBER
  • 2002 DODGE RAM
  • 4.7L
  • V8
  • 4WD
  • AUTOMATIC
  • 166,700 MILES
Looking for wiring color/descriptions of the diagram for high stop/cargo lamp. Bought new light and it was bad wiring.
Monday, October 26th, 2020 AT 4:39 PM

4 Replies

Tiny
KASEKENNY
  • MECHANIC
  • 18,907 POSTS
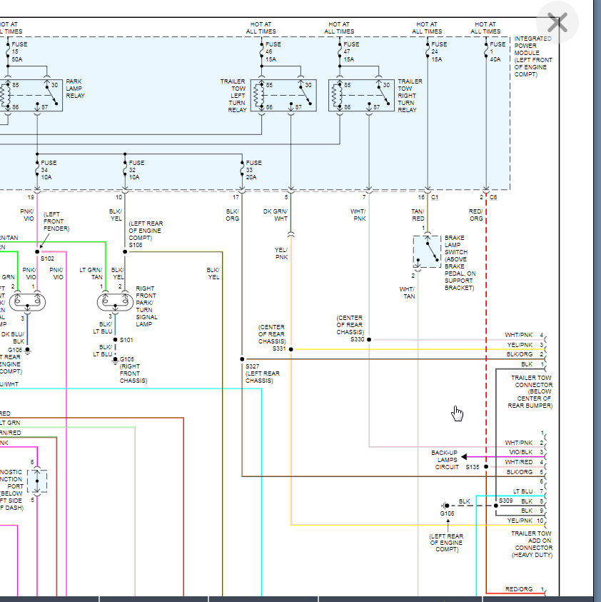
I attached the wiring diagram for this. Looks like the white/tan wire is the power wire and black is ground. Let us know if you need more info. Check out the diagrams (Below). Please let us know if you need anything else to get the problem fixed. Thanks.
Was this
answer
helpful?
Yes
No
Monday, October 26th, 2020 AT 5:41 PM
Tiny
KASEKENNY
  • MECHANIC
  • 18,907 POSTS
Just re-posting the complete diagrams so they are a little closer as they did not come out very clear.
Was this
answer
helpful?
Yes
No
+1
Friday, January 15th, 2021 AT 3:41 PM
Tiny
ANDY LUCKO
  • MEMBER
  • 2 POSTS
  • 1996 DODGE RAM
Where is the auto reset circuit breaker for my factory installed trailer brake control Commander brake control. No power being sent to blue wire to rear connector. Power in is there and power out on red to stop lights is there. I need the brake light diagrams please
Was this
answer
helpful?
Yes
No
+1
Monday, March 8th, 2021 AT 12:27 PM (Merged)
Tiny
ANDY LUCKO
  • MEMBER
  • 2 POSTS
Hello,

There is no fuse for the trailer brake controller its internal with the PCM. You must be losing power somewhere here is a guide to help you see where and the truck trailer wiring diagrams so you can see how the system works.

https://www.2carpros.com/articles/how-to-use-a-test-light-circuit-tester

Check out the diagrams (Below). Please let us know what you find.
Was this
answer
helpful?
Yes
No
Monday, March 8th, 2021 AT 12:27 PM (Merged)

Please login or register to post a reply.