Thursday, February 29th, 2024 AT 1:55 PM
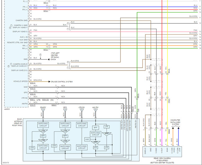
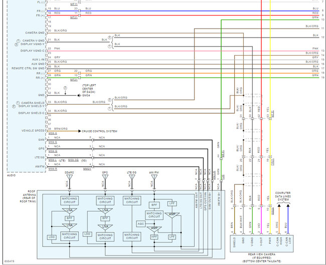
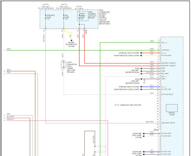
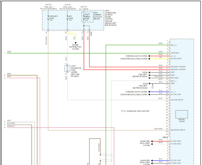
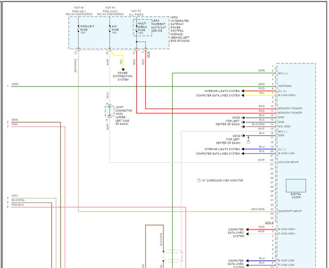
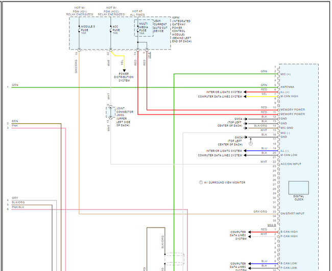
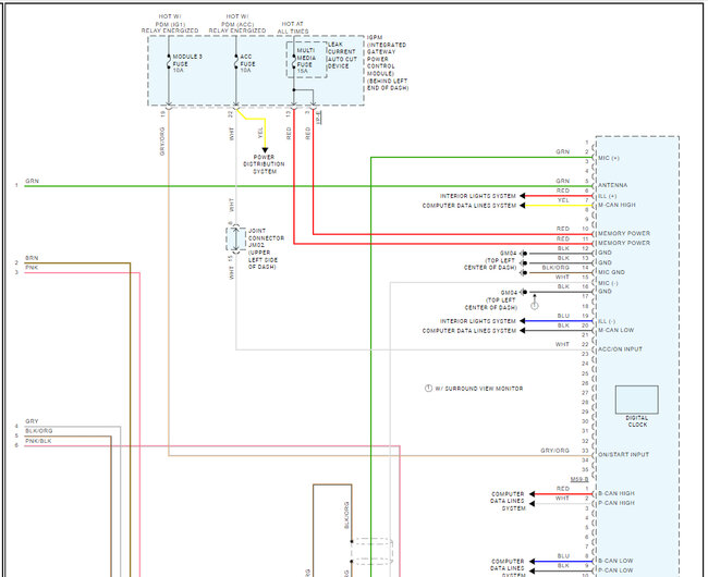
Need the diagram for the stereo so I can put in an audio control lc7i. The car is not the premium but still has a 7-inch display but no center channel or subwoofer.







