Thursday, February 9th, 2023 AT 4:29 PM
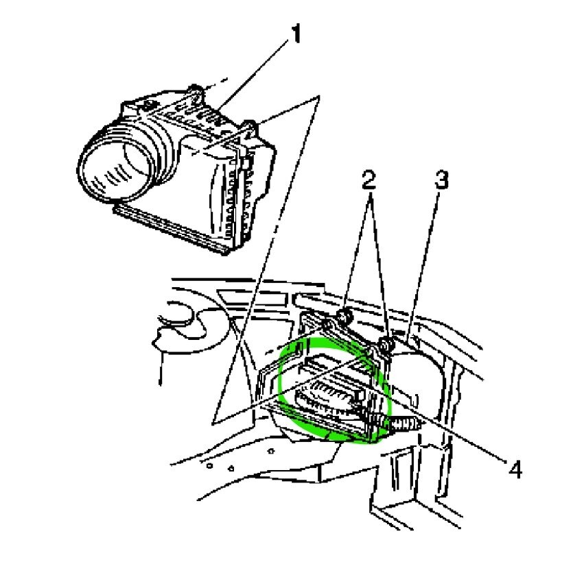
Trying to back probe wires that connect to the starter control unit. The module itself is under the 3pack of coils I need a diagram to see where all the wires connect. Its called an ecm unit connector. Have a loose or cracked wire from that system. I changed both knock sensors and the car ran great for a week. Then check engine light came on. I used a plug in unit for checking all engine systems, it said front O2 sensor low voltage. Thank you!






