Saturday, September 30th, 2017 AT 10:21 AM
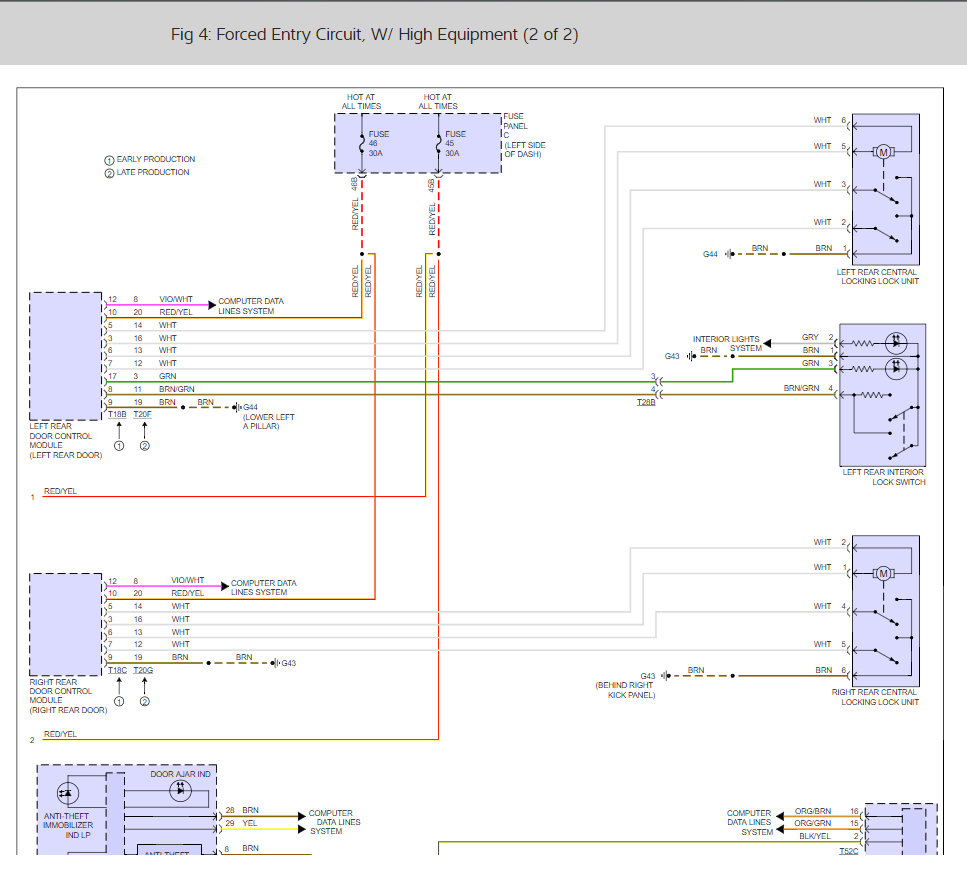
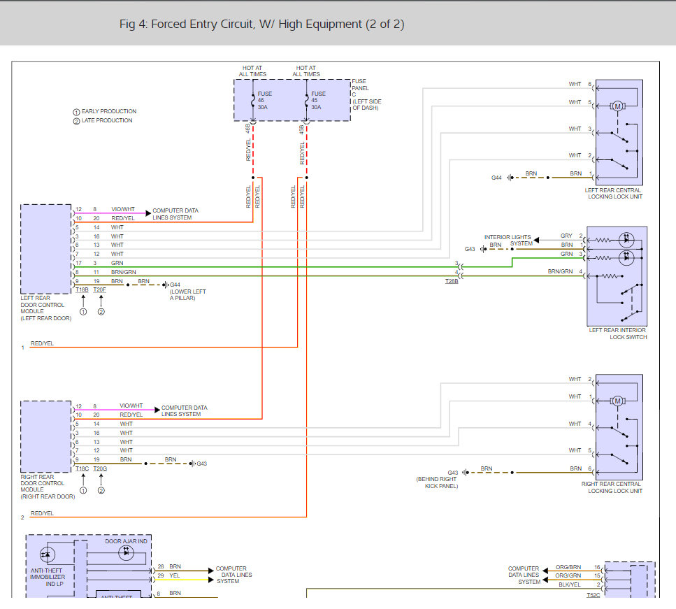
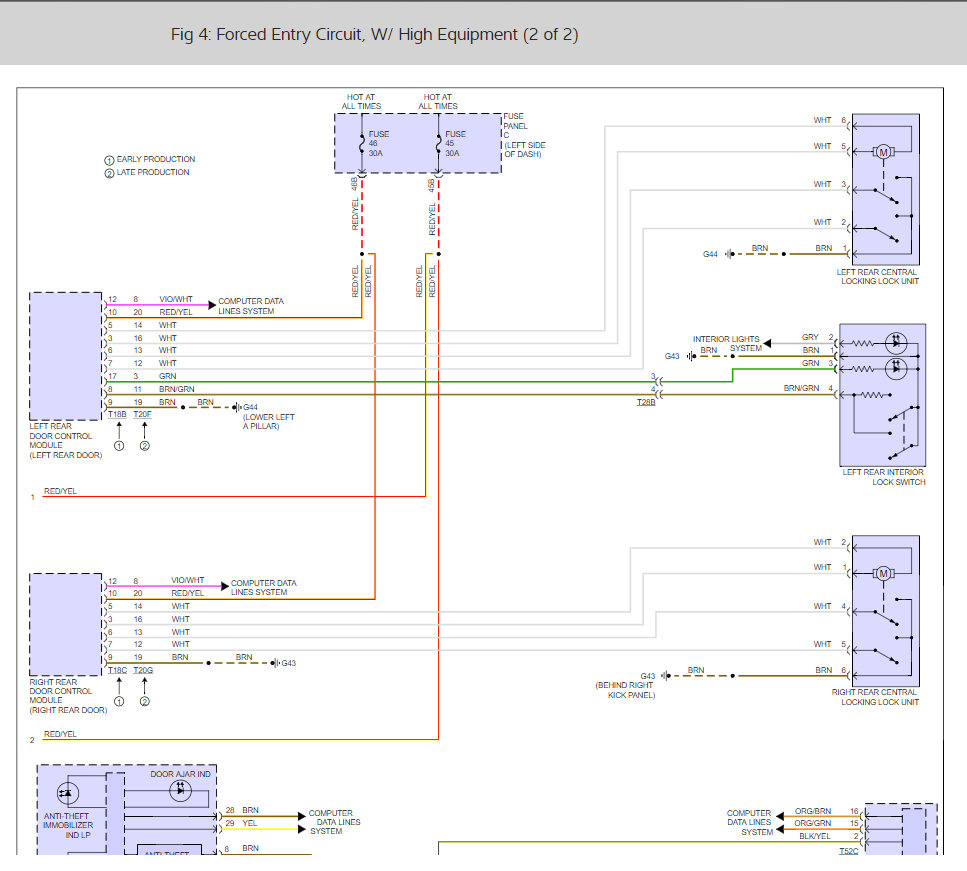
The car does not lock or unlock, but when I hit the lock but on the key it makes the sound but does not lock. When I hit the unlock button it flashes the lights like it should but does not unlock. So my best guess is the lock control module or the BCM. Please help me.


















