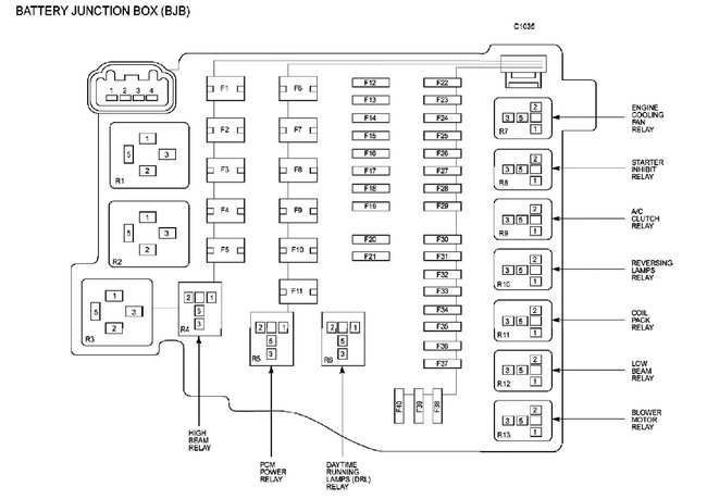
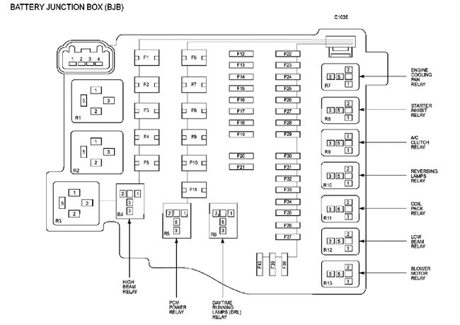
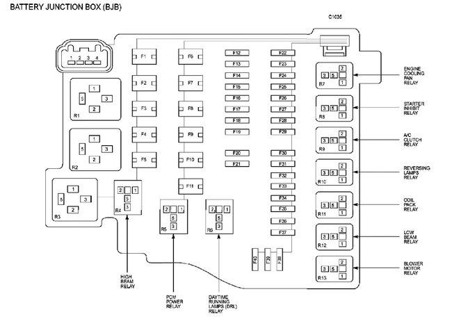
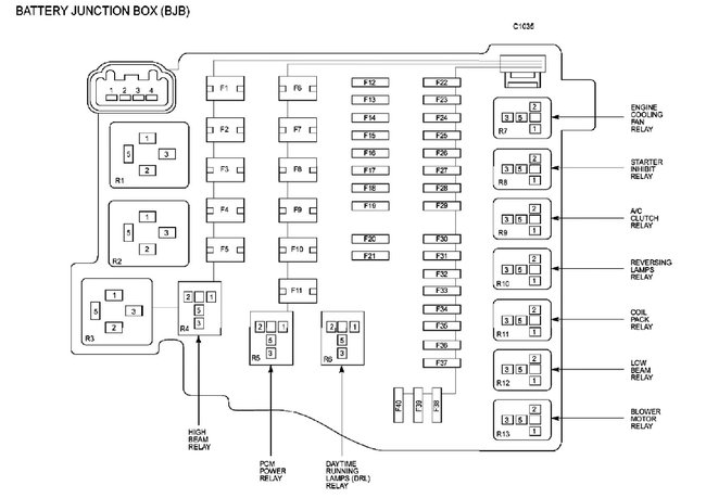
Yesterday, I noticed my back left brake light was out, my dad was helping me replace the bulbs after we changed both bulbs none of my brake lights worked. Then I go to move my car and the shifter is locked and "hillside assist not available" pops up on my screen. I went and bought a coder only thing I got back was the evaporator needing to be changed. So I went from having one brake light out to my whole car not being able to move. I know how to get the shifter unlocked but only temporarily.
Friday, October 18th, 2019 AT 12:41 AM

























