Location of the computer control relay

Tiny
DAVEC1457
  • MEMBER
  • 1994 LEXUS ES 300
  • 6 CYL
  • 2WD
  • AUTOMATIC
  • 188,000 MILES
I'm trying to find the location of the computer control relay. Where in the car is it? I have looked in both kick panels and in the relay/fuse boxes under the hood, but can't find it. This relay is preventing codes to be read from the ECU.
Thursday, November 14th, 2019 AT 4:50 AM

5 Replies

Tiny
ASEMASTER6371
  • MECHANIC
  • 52,796 POSTS
Good morning,

There is no control relay for the ECM.

There is an EFI relay but that is for controls for all the engine components.

If it will not read the codes, a good chance the ECM itself is the issue. Make sure terminal B has battery power. That is a constant voltage from the battery.

Roy
Was this
answer
helpful?
Yes
No
-1
Thursday, November 14th, 2019 AT 6:24 AM
Tiny
DAVEC1457
  • MEMBER
  • 3 POSTS
My question is as reads where is the computer control relay (ECU)? Can you look again?
Was this
answer
helpful?
Yes
No
Thursday, November 14th, 2019 AT 2:10 PM
Tiny
ASEMASTER6371
  • MECHANIC
  • 52,796 POSTS
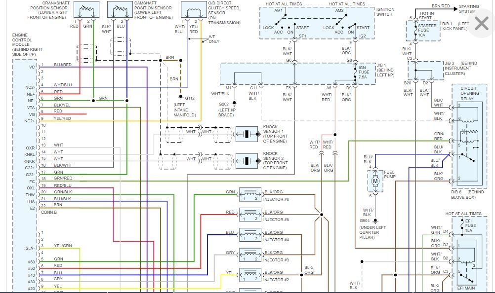
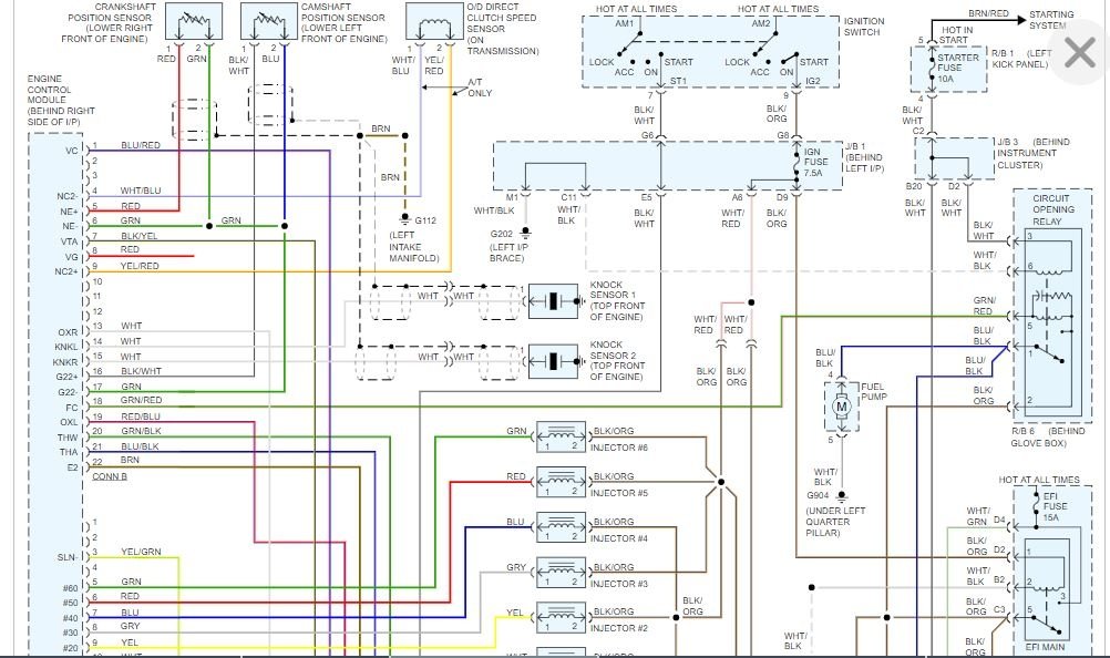
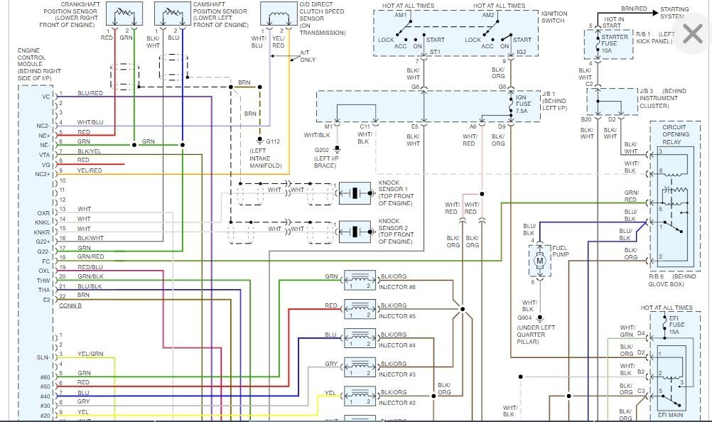
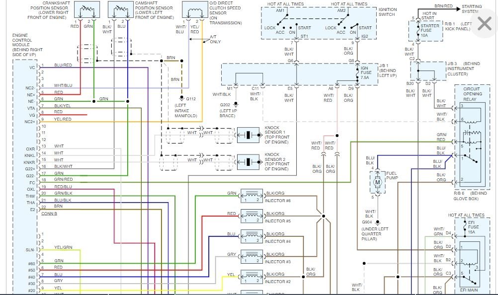
Again, there is no computer control relay. I attached a diagram for you.

Roy
Was this
answer
helpful?
Yes
No
+1
Thursday, November 14th, 2019 AT 2:11 PM
Tiny
DAVEC1457
  • MEMBER
  • 3 POSTS
This is what was sold to me as a computer control relay. I looked in both kick panels and under the hood, nothing, thanks for the information. One more thing, are there 2 EFI relays? And I know one goes under the hood, but where does the bigger green one go? I included a picture of the computer control relay that was sold to me.
Was this
answer
helpful?
Yes
No
+1
Thursday, November 14th, 2019 AT 3:22 PM
Tiny
ASEMASTER6371
  • MECHANIC
  • 52,796 POSTS
There is a main relay and an EFI relay. They provide power to many components and do supply power to the ECM. If they were bad, there would be so many things that would not work such as fuel pump, spark, and sensor voltages.

Parts people are not familiar with how systems work. They just sell parts.

AS I stated back in the beginning, you need to verify power to the data link connector. Beyond that, you most likely have a bad ECM.

Roy

PURPOSE
The Electronic Fuel Injection Main Relay serves as a source of battery power for several components including the Circuit Opening Relay, (which powers the Fuel Pump), and the Engine Control Module (ECM).

OPERATION
The main relay is energized by a signal from the Ignition Switch. It then supplies battery current from the EFI fuse to the ECM and other components.
Was this
answer
helpful?
Yes
No
+2
Thursday, November 14th, 2019 AT 3:54 PM

Please login or register to post a reply.