Location of reverse switch

Tiny
CRASHMAN55
  • MEMBER
  • 2004 CHEVROLET VENTURE
  • 3.4L
  • 6 CYL
  • 2WD
  • AUTOMATIC
  • 10,030 MILES
Reverse lights don't work. Where is reverse switch location?
Wednesday, March 20th, 2019 AT 7:36 AM

4 Replies

Tiny
JOETECHPRO
  • MECHANIC
  • 705 POSTS
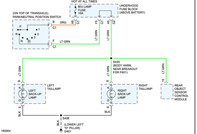
Hey CRASHMAN55,

Have you checked the fuse for the reverse lights?

And also checked the bulbs.

These would be the first and easiest things to do.

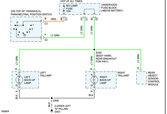
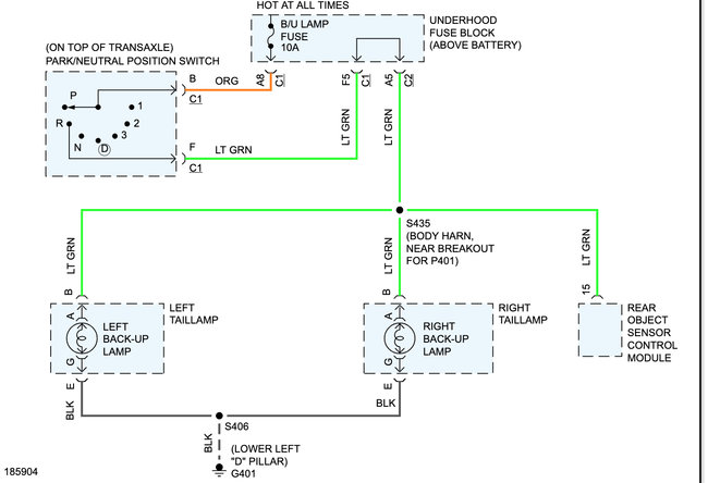
I have attached the wiring diagram the fuse is in the under hood fuse box.

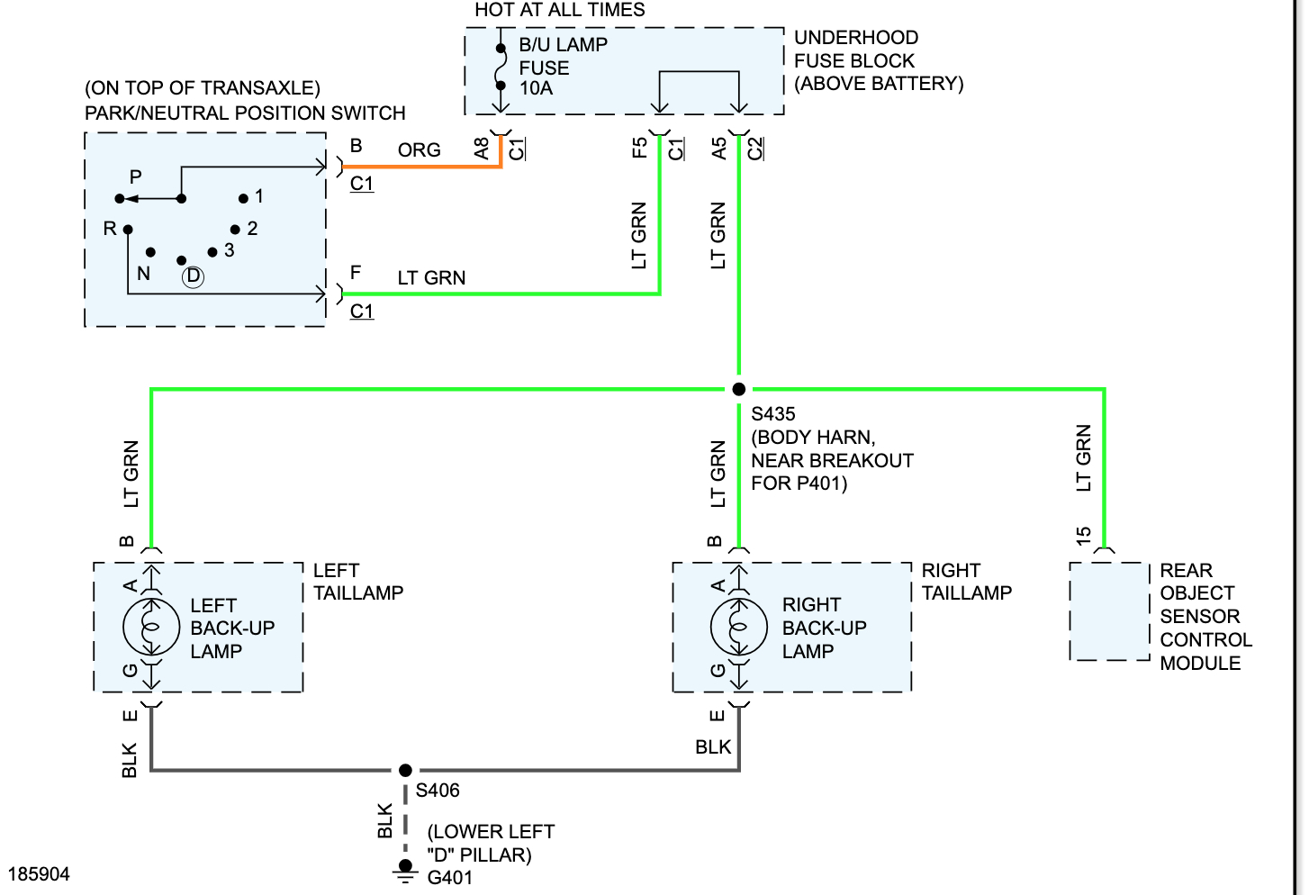
The second picture shows the PNP switch which contains the reverse light switch.

It is located underneath your air inlet/air filter box on top of the transmission.

Hope this helps.

Regards, Joe
Was this
answer
helpful?
Yes
No
+1
Wednesday, March 20th, 2019 AT 1:29 PM
Tiny
CRASHMAN55
  • MEMBER
  • 1 POST
Thanks so much joe you saved me money you picture shows what was missing. There's a plug there also. Got to be for the switch that's not there. Thanks so much again. R. Skeens
Was this
answer
helpful?
Yes
No
+1
Thursday, March 21st, 2019 AT 10:14 AM
Tiny
KEN L
  • MASTER CERTIFIED MECHANIC
  • 55,512 POSTS
JOETECHPRO is one of our newest and best! Use 2CarPros anytime, we are here to help. Please tell a friend.
Was this
answer
helpful?
Yes
No
Thursday, March 21st, 2019 AT 10:15 AM
Tiny
JACOBANDNICKOLAS
  • MECHANIC
  • 110,194 POSTS
Hi,

We would be happy to help but I need to ask a favor. Could you repost your question on a new thread? We try to keep the topics and vehicle types specific to one vehicle. That way, it is more helpful to others.

Here is the link to start a new thread:

https://www.2carpros.com/questions/new

I hope you understand.

Take care,

Joe
Was this
answer
helpful?
Yes
No
Wednesday, November 2nd, 2022 AT 1:52 PM

Please login or register to post a reply.