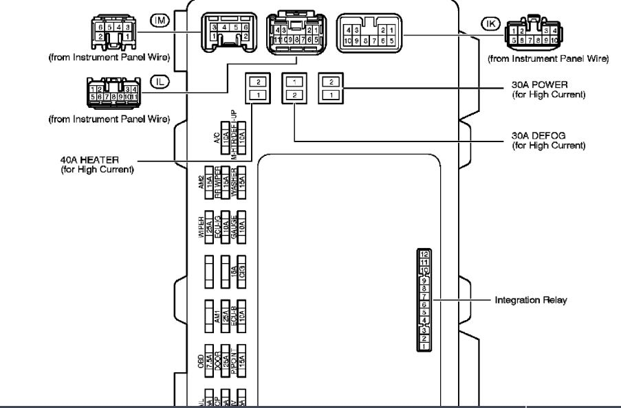
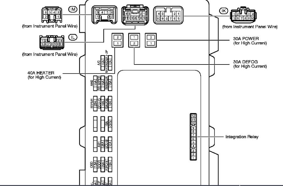
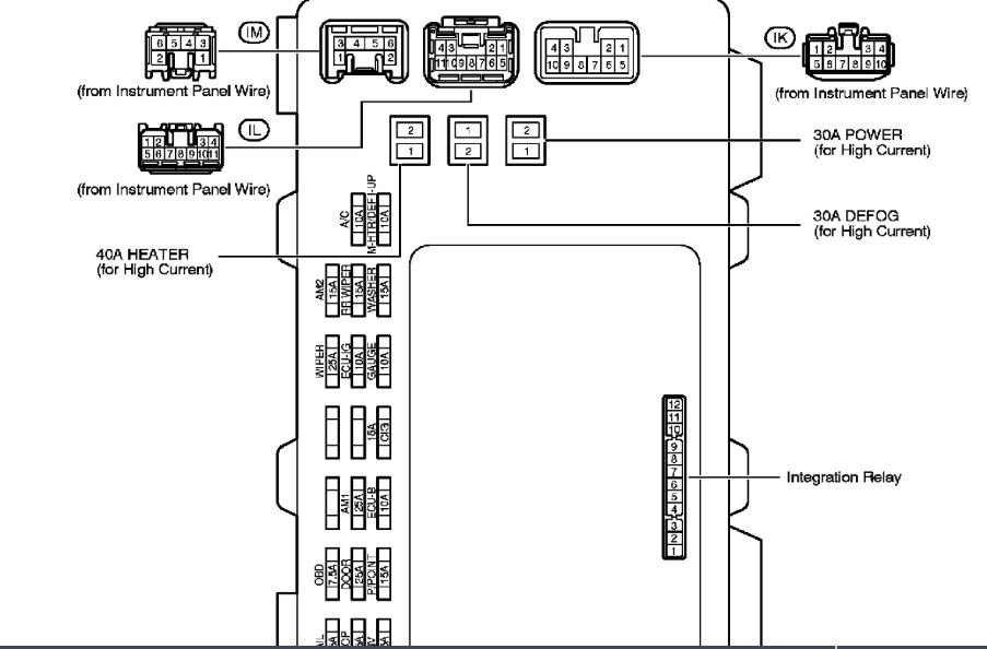
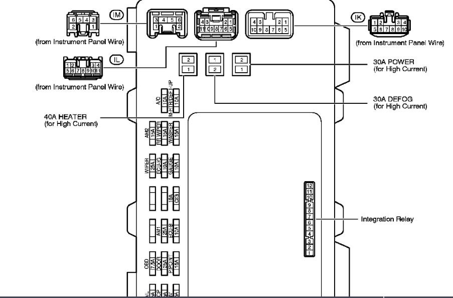
Location of rear defroster relay

Tiny
DONLISS
  • MEMBER
  • 2004 TOYOTA MATRIX
  • 1.8L
  • 4 CYL
  • 2WD
  • AUTOMATIC
  • 112,000 MILES
My rear defroster stopped working. Dashboard switch (replaced original switch a couple of years ago) seems to be working, soldered attachments from lift gate to grid seem okay and no obvious breaks in grid on window. No current getting to grid. Suspect relay is fried, but can't find any information on where to find it. Not listed on interior or under hood fuse boxes. Might be accessible when coin holder is removed from lower drivers side dash.
Any advice would be greatly appreciated. Frustrating!
Wednesday, February 13th, 2019 AT 5:27 AM

5 Replies

Tiny
ASEMASTER6371
  • MECHANIC
  • 52,796 POSTS
Good morning,

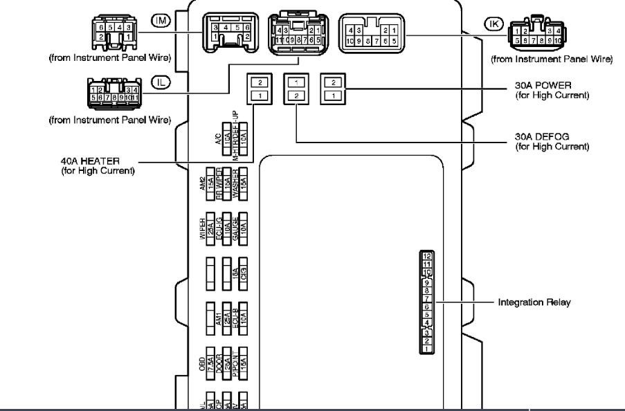
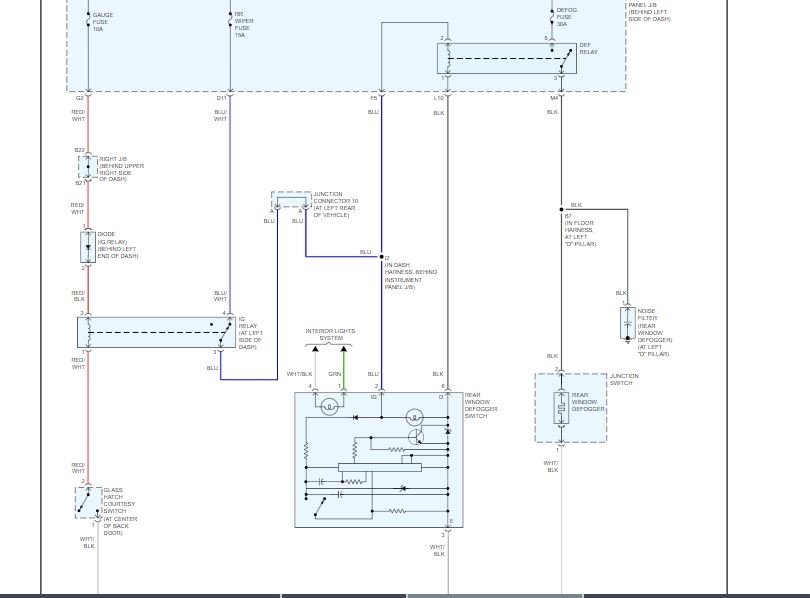
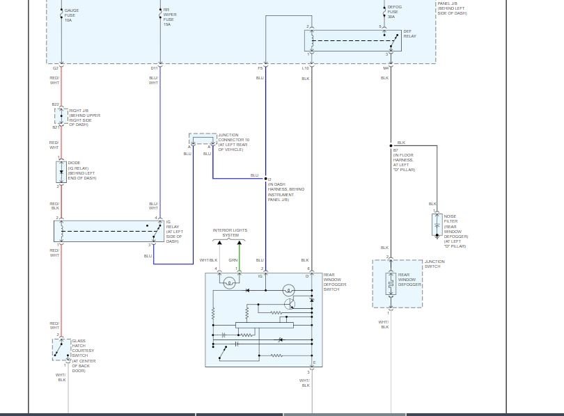
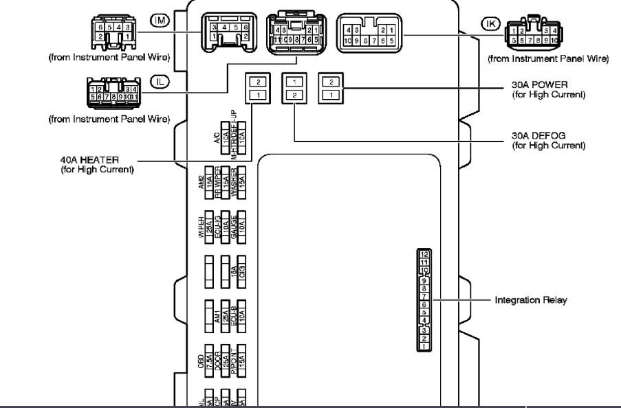
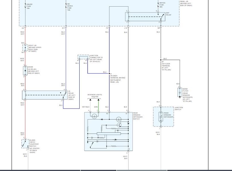
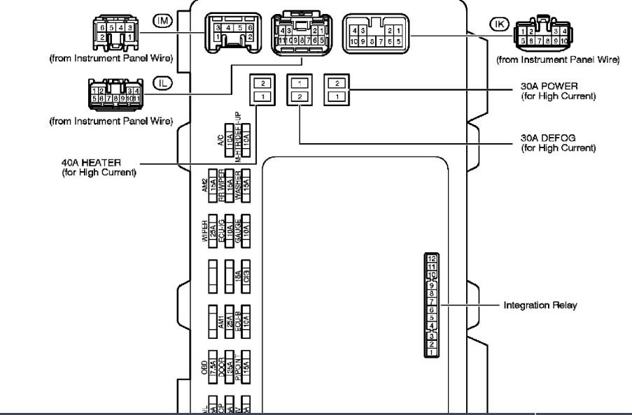
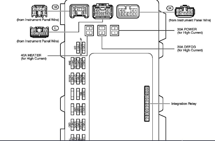
The relay is in the fuse block under the left side of the dash.

I attached a wire diagram for you.

What is your actual issue?

Roy
Was this
answer
helpful?
Yes
No
Wednesday, February 13th, 2019 AT 6:13 AM
Tiny
DONLISS
  • MEMBER
  • 3 POSTS
Thanks so much. Can you tell me if the rear Defroster Relay is IK, IL, or IM in the third diagram? Looks like IL would make the most sense given where the 30A fuse is, but I'm not good with wiring diagrams!
The problem is that the rear defroster isn't working. The switch seems okay (the light goes on. I replaced switch a couple of years ago when light wasn't working), the solder points at the grid and the grid all look okay, so I"m thinking it's the relay.
Was this
answer
helpful?
Yes
No
Wednesday, February 13th, 2019 AT 8:45 AM
Tiny
ASEMASTER6371
  • MECHANIC
  • 52,796 POSTS
It is the defrost relay that is shown.

Roy
Was this
answer
helpful?
Yes
No
Wednesday, February 13th, 2019 AT 11:09 AM
Tiny
DONLISS
  • MEMBER
  • 3 POSTS
I realize I'm pushing my luck by asking for more, but I'm really confused: I can't tell from the diagram where the defrost relay is physically located. Is there some picture or diagram that will show me where it is in relation to the fuse box or some other landmark? Again, I really appreciate the advice and apologize for being dense.
Was this
answer
helpful?
Yes
No
Wednesday, February 13th, 2019 AT 3:09 PM
Tiny
ASEMASTER6371
  • MECHANIC
  • 52,796 POSTS
No worries at all.

The diagram is the only one I see that has the identification.

Picture the fuse block and what you have. It points directly at the defroster relay.

Roy
Was this
answer
helpful?
Yes
No
Wednesday, February 13th, 2019 AT 3:21 PM

Please login or register to post a reply.