HOME
ASK A QUESTION
REPAIR GUIDES
BECOME A MEMBER
LOG IN
Login with Facebook
OR
Remember me
NOT A MEMBER?
FORGOT PASSWORD?
CONTACT US
PRIVACY POLICY
TERMS AND CONDITIONS
☰
Home
Chevrolet
1500
Exterior Light
Headlight
Relay
Location
Location of headlight relay
DEM GUYS
MEMBER
1995 CHEVROLET 1500
V8
4WD
AUTOMATIC
100,000 MILES
Can you tell me where the headlight relay is located on my truck listed above?
Thursday, September 5th, 2019 AT 3:38 PM
1 Reply
94 TRANSAM
MECHANIC
680 POSTS
Hi and welcome to 2CarPros.
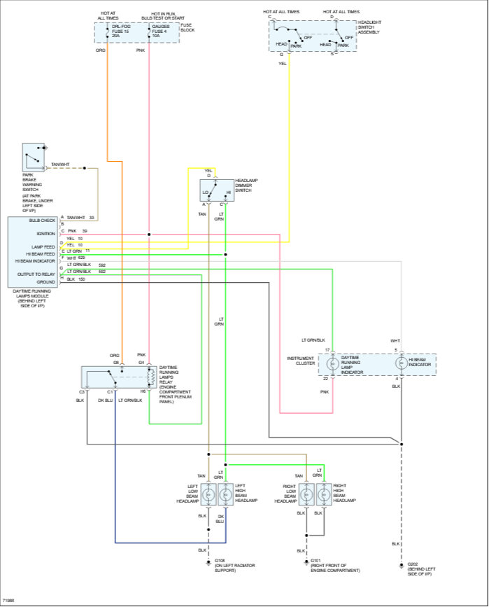
You will find the wiring diagram below. There is no headlight relay shown, so I would say it doesn't use one and that is why you cant find it.
Let us know if this helped you out.
Rich
Image (Click to make bigger)
Was this
answer
helpful?
Yes
No
Saturday, September 7th, 2019 AT 1:11 AM
Please
login
or
register
to post a reply.
Ask a Car Question. It's Free!
Headlight Dim or Dull
Have a Dim Headlight? - Try Replacing This!
Turn Signals Blink Fast