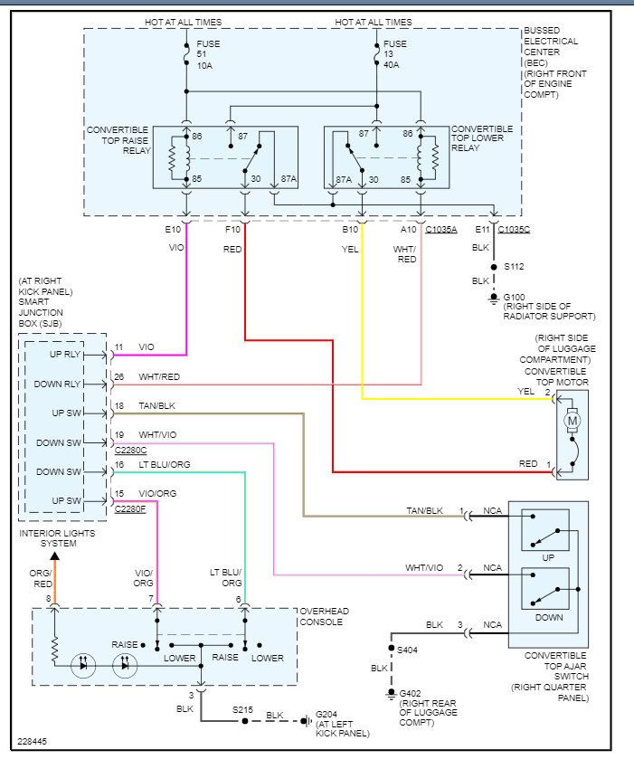
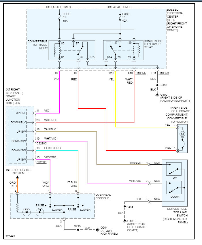
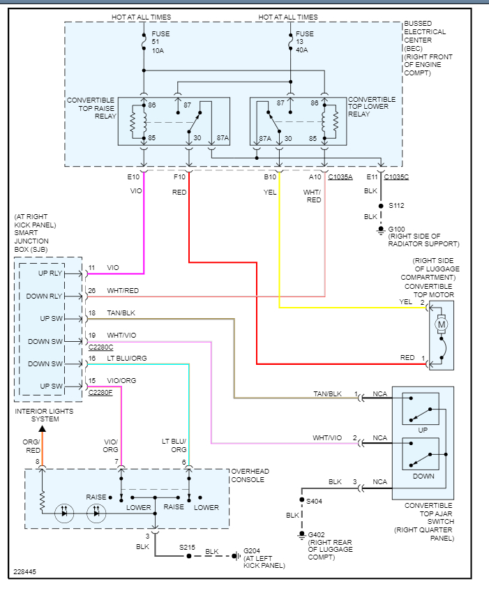
Sunday, July 7th, 2019 AT 12:22 PM
My convertible isn’t converting. I have added hydraulic fluid to it and I have bought new relays. So the problem I believe has to be the fuses, but I do not know where they are located.




































