Where is the body control module located?

Tiny
K1DNC
  • MEMBER
  • 2005 CADILLAC CTS
  • 3.6L
  • 6 CYL
  • 2WD
  • AUTOMATIC
  • 165,000 MILES
I need location of BCM and if there are any plug in fuses to check to reset.
Saturday, April 22nd, 2023 AT 6:57 AM

1 Reply

Tiny
AL514
  • MECHANIC
  • 5,580 POSTS
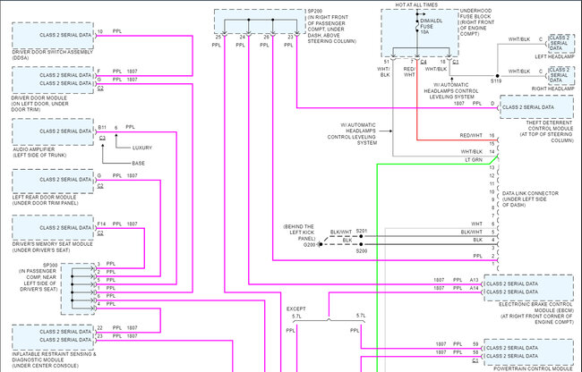
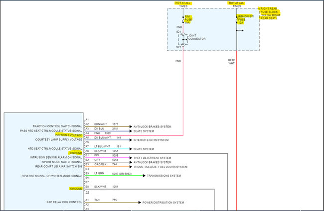
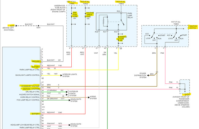
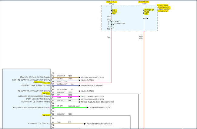
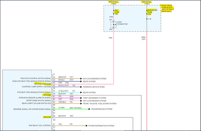
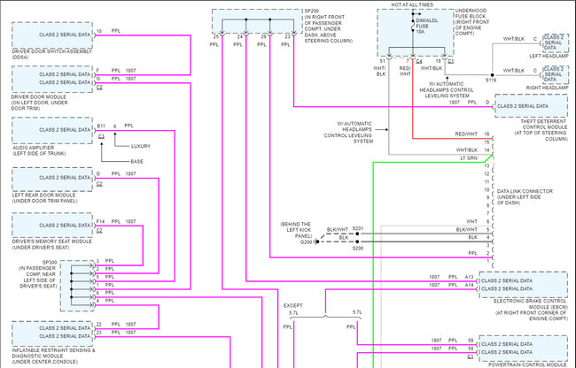
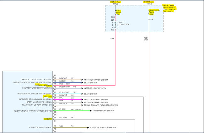
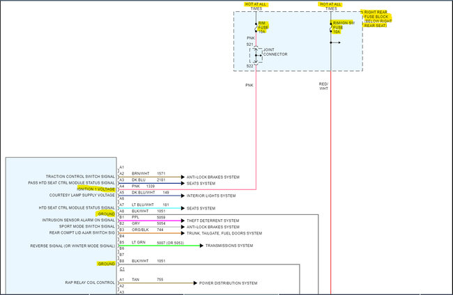
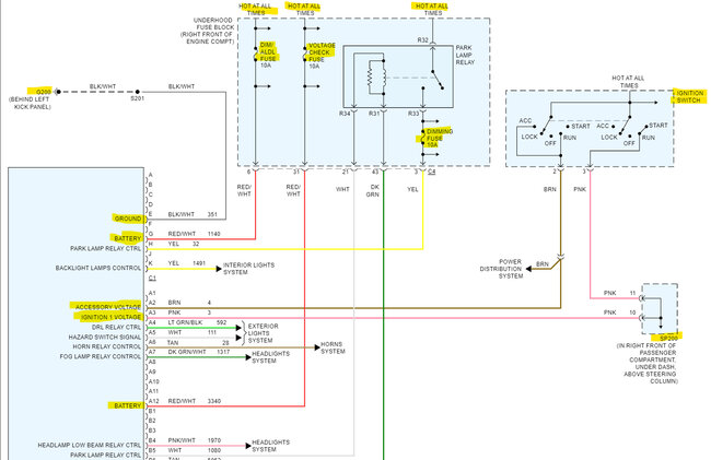
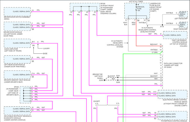
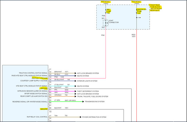
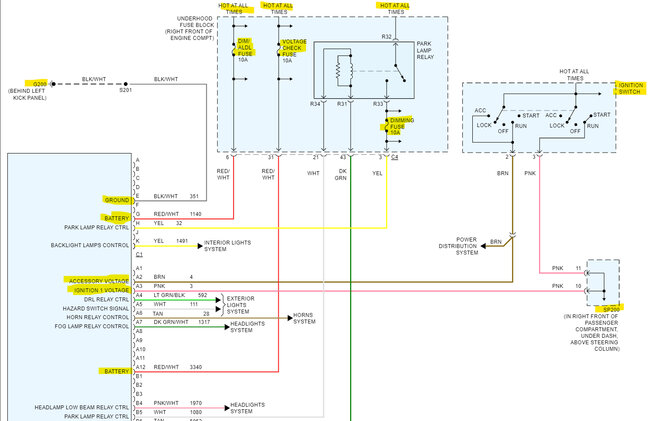
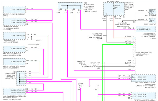
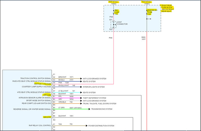
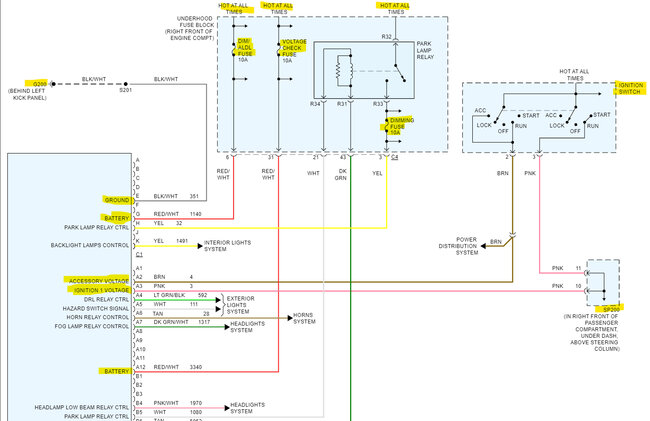
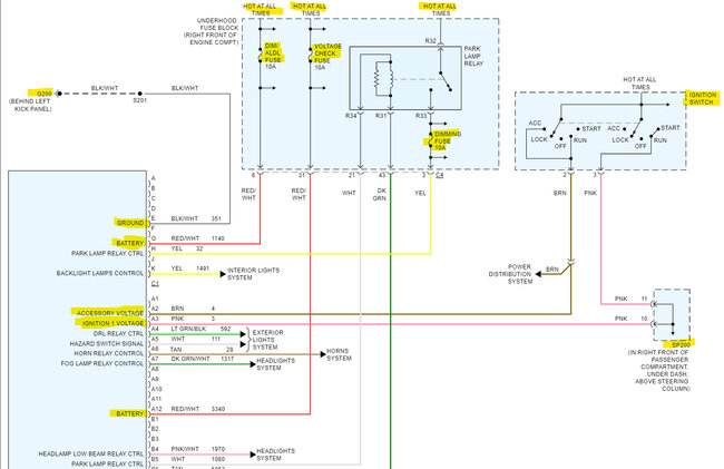
Hello, there looks to be two modules in this vehicle considered to be Body Control modules, what kind of issue are you having? There is a rear integration module and a dash integration module. Each control different sections of the vehicle. I'll post the diagrams for both as well as the GM serial data diagram.
Diagrams 1 and 2(lower half) are the Dash BCM, diagrams 3 and 4 are the Rear BCM, and diagrams 5 and 6 is the GM Serial Data network which shows both BCMs in the lower diagram. If there happens to be a module failure issue, you're dealing with the Splice connectors for the network are a good place where you can disconnect each module one by one if needed.

https://www.2carpros.com/articles/how-to-check-a-car-fuse
Was this
answer
helpful?
Yes
No
+2
Saturday, April 22nd, 2023 AT 4:14 PM

Please login or register to post a reply.