Location of Alternator Fuse/Link

Tiny
JFDEMARS
  • MEMBER
  • 1997 MAZDA B2300
  • 2.3L
  • 4 CYL
  • 2WD
  • MANUAL
  • 90,000 MILES
Alternator not charging battery. Checked voltage at the alternator and have no voltage on yellow wire and do have voltage on the green wire when the key is on. Can't find the fusible link between alternator and battery.
Saturday, December 18th, 2021 AT 11:22 AM

7 Replies

Tiny
JACOBANDNICKOLAS
  • MECHANIC
  • 110,192 POSTS
Hi,

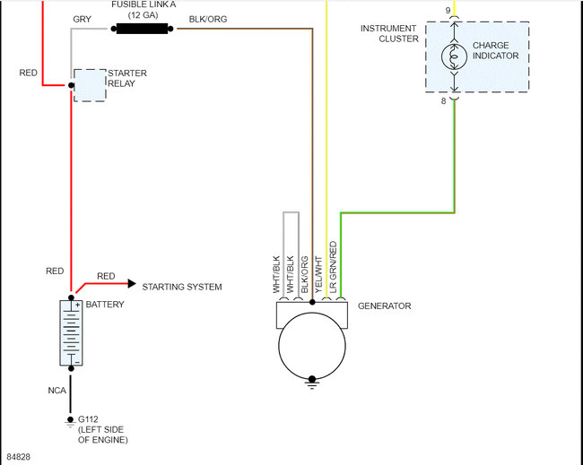
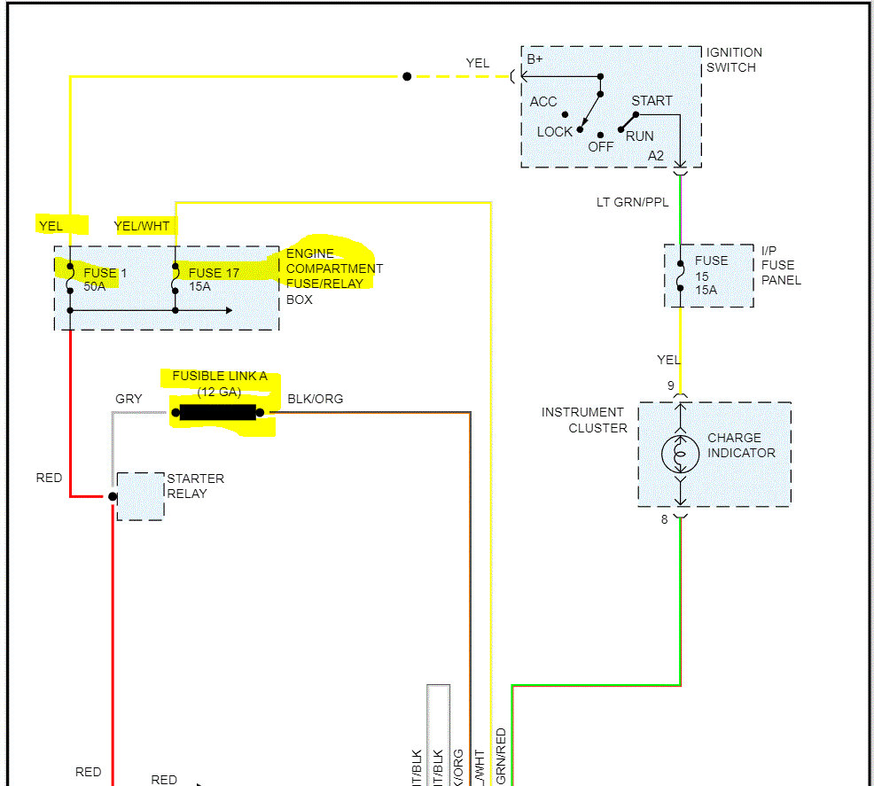
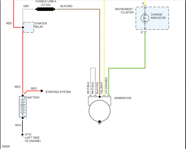
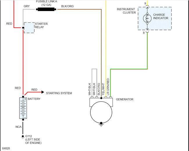
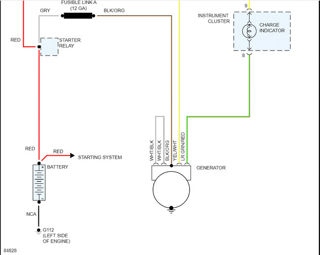
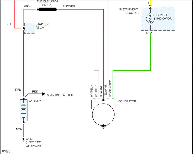
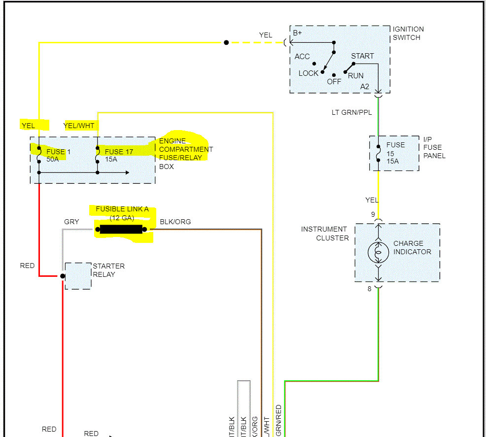
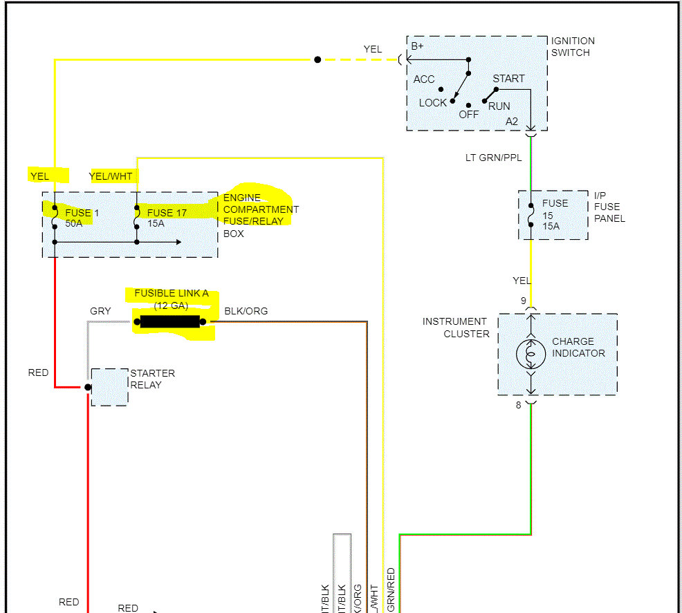
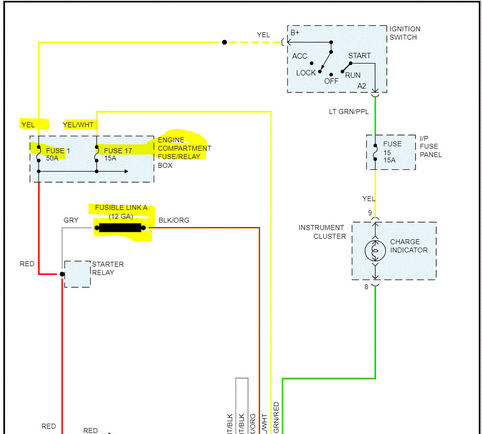
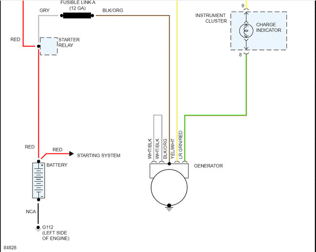
I attached the wiring schematic below for the charging system. If you have no power via the yellow wire with a white tracer, check fuse 17 in the under-hood fuse box. As far as the fusible link, it runs from the starter relay on the left inner fender to the alternator. It starts off gray in color, reaches the link, and then turns to black with an orange tracer to the alternator.

Let me know if this helps or if you have other questions.

Pics 3 and 4 show the fuse info. Also, I had to cut the schematic in half to make it readable. I did overlap them so you can follow from one to the next.

Take care,

Joe

See pics below.
Was this
answer
helpful?
Yes
No
Saturday, December 18th, 2021 AT 11:34 PM
Tiny
JFDEMARS
  • MEMBER
  • 4 POSTS
Thanks, that helped me to find the fuse link. I tested it and it is good, so are all the fuses. The problem must be where the black/orange wire transitions to the yellow wire. Thanks for the speedy reply, it got me on the right path forward.
Was this
answer
helpful?
Yes
No
Sunday, December 19th, 2021 AT 11:37 AM
Tiny
JACOBANDNICKOLAS
  • MECHANIC
  • 110,192 POSTS
Hi,

The black/orange doesn't transition to yellow at any point. It is powered from the fusible link and runs straight to the alternator.

Is there power at the fusible link? If there is and it's good, you should have power to the black/orange wire on the alternator. (See pic 1)

Is there power to and from the fusible link or did you just check it for continuity? If there is no power, go back to the starter relay and check the relay and gray wire for power.

Let me know what you find.

Take care,

Joe

See pic.
Was this
answer
helpful?
Yes
No
+1
Sunday, December 19th, 2021 AT 7:35 PM
Tiny
JFDEMARS
  • MEMBER
  • 4 POSTS
I had voltage at the alternator on the main terminal where the black/orange wire attached. I didn't have voltage on the yellow wire that went through fuse 17, though the fuse was good with the key off and I did have voltage on the green wire with the key on. I eventually took the truck to a mechanic who determined that the alternator was bad, replaced it and changed the serpentine belt because it was developing cracks. He told me that despite what I had read online, the circuit operation was the exact opposite. The yellow wire was supposed to have a voltage with the key on and if the alternator was bad, the green wire would then have a voltage to illuminate the Battery light on the dash. It was too late to test this when I got home but I will in the next couple of days Thanks for your help and following up.
Was this
answer
helpful?
Yes
No
Monday, December 20th, 2021 AT 4:38 PM
Tiny
JACOBANDNICKOLAS
  • MECHANIC
  • 110,192 POSTS
Hi,

You are very welcome, and thanks for the follow-up. I'm glad to hear it's fixed.

Please feel free to come back anytime in the future if you have questions.

Take care and I hope you have a great Christmas.

Joe
Was this
answer
helpful?
Yes
No
Monday, December 20th, 2021 AT 6:37 PM
Tiny
JFDEMARS
  • MEMBER
  • 4 POSTS
With the new alternator, I checked the voltages at the alternator plug and they were like the mechanic said. With the key on, there was now voltage on the yellow wire and no voltage on the green wire. I guess you can't believe everything you read online. Thanks for your assistance!
Was this
answer
helpful?
Yes
No
Wednesday, December 22nd, 2021 AT 4:51 PM
Tiny
JACOBANDNICKOLAS
  • MECHANIC
  • 110,192 POSTS
Hi,

Glad to hear you got it fixed and thanks for the update. Please feel free to come back anytime in the future. You are always welcome here.

Take care and I hope you have a great Christmas.

Joe
Was this
answer
helpful?
Yes
No
Wednesday, December 22nd, 2021 AT 5:01 PM

Please login or register to post a reply.