Reverse light switch location

Tiny
TONAK77
  • MEMBER
  • 1997 TOYOTA CELICA
  • 2.2L
  • MANUAL
  • 100,000 MILES
HI there, I am trying to find the location of the reverse light switch for my car. I don't know if its in the engine compartment or under the car on the transmission.

Thanks,
Tony
Thursday, November 7th, 2019 AT 5:25 PM

7 Replies

Tiny
KASEKENNY
  • MECHANIC
  • 18,907 POSTS
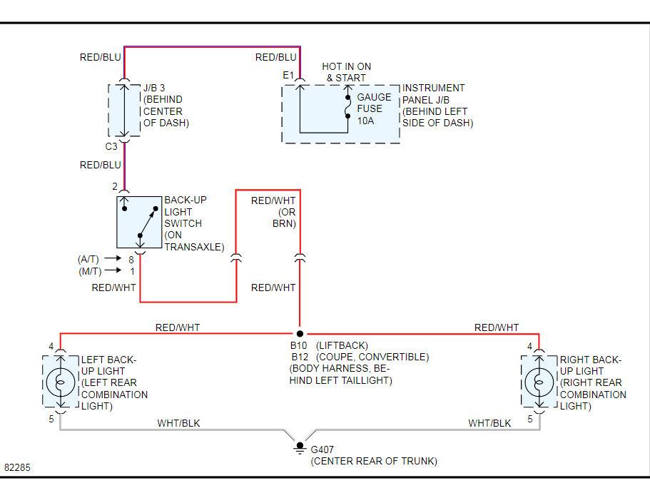
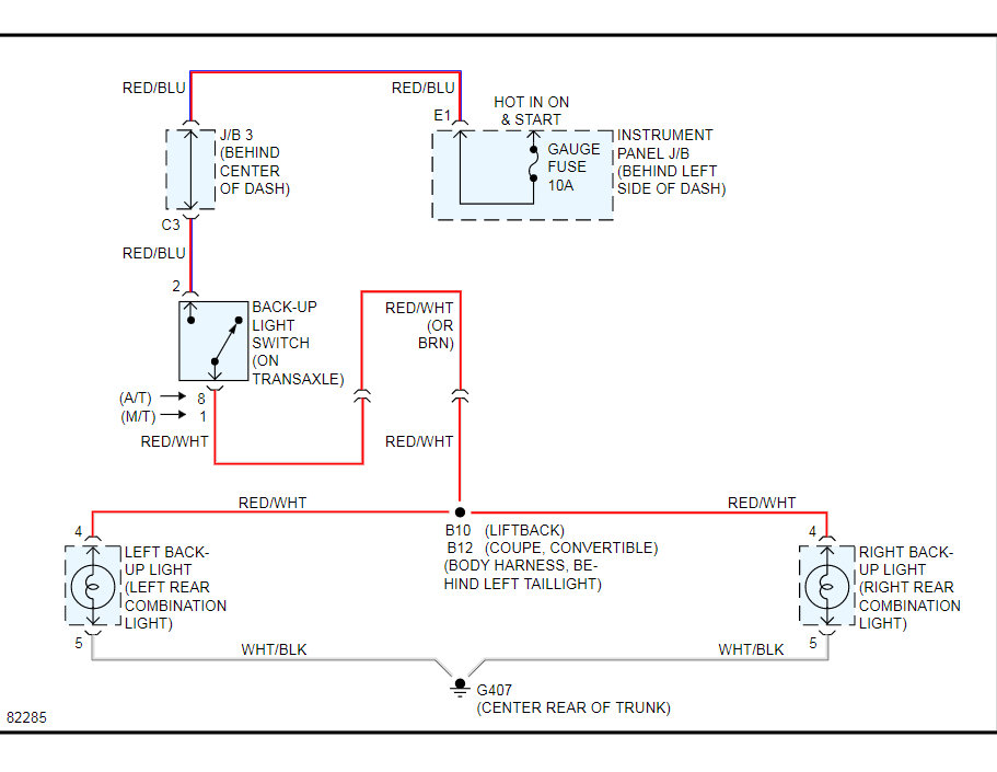
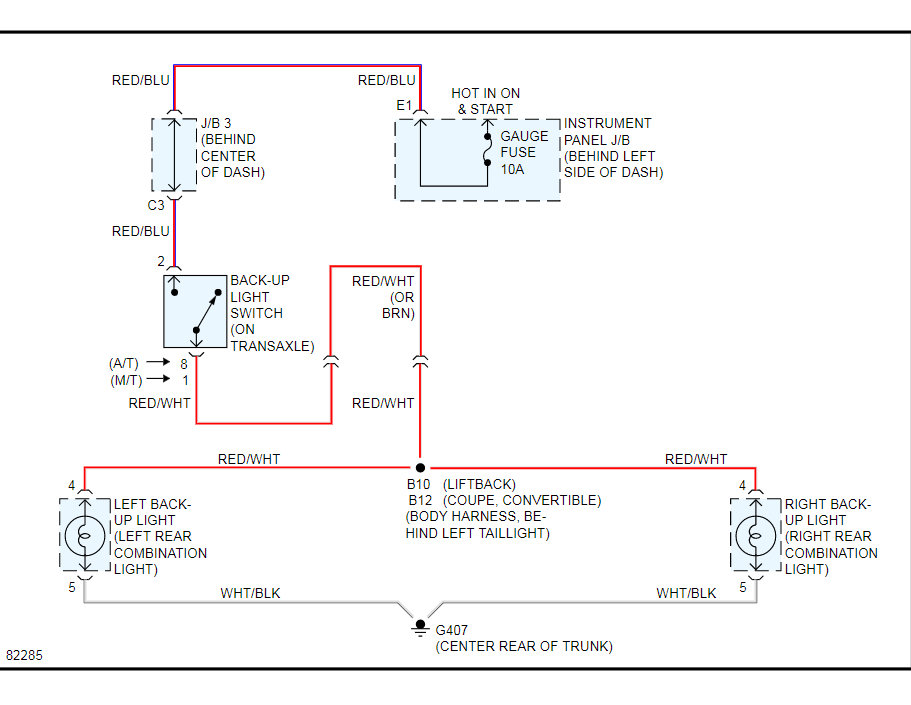
I attached the information that you are looking for. It appears to be on the top of the trans-axle. Let me know if you still can't find it and I will see if there is more information. Thanks
Was this
answer
helpful?
Yes
No
+4
Thursday, November 7th, 2019 AT 8:14 PM
Tiny
TONAK77
  • MEMBER
  • 4 POSTS
Hi there, wow. Thank you. That’s the best reference image I have ever seen for this. I am a little disoriented by the image. I can’t tell if it should be reachable from the engine compartment or I need to drop the transmission to get to it?
Was this
answer
helpful?
Yes
No
Thursday, November 7th, 2019 AT 11:10 PM
Tiny
KASEKENNY
  • MECHANIC
  • 18,907 POSTS
This should be reachable from the engine compartment. It sits on the top of the trans-axle which will be next to your engine. If you get a picture of the top of the transmission, I will try to locate it if you can't find it.
Was this
answer
helpful?
Yes
No
Friday, November 8th, 2019 AT 5:49 PM
Tiny
TONAK77
  • MEMBER
  • 4 POSTS
Hi, sorry. I’m lost. Here are pictures on my engine bay is that helps any.
Was this
answer
helpful?
Yes
No
Saturday, November 9th, 2019 AT 12:21 PM
Tiny
KASEKENNY
  • MECHANIC
  • 18,907 POSTS
Unfortunately I cannot see it in those pictures because it appears to be just under the air filter box. Please see the attached pictures. I have tried to circle the area of the transmission so you can start orienting yourself. As you progress through the pictures it actually get more narrow until I zoom in on the area.

The last picture is a side by side of your picture and the diagram. I tried to trace and outline the same areas on your vehicle to the diagram. Like the battery is circled in blue on your picture but for some reason switched to red in the diagram. The air cleaner and intake tube is green on both. I traced the upper radiator hose in red and then finally highlighted the area of the sensor in yellow. Looks like it will be just under the lower left corner of the air box attached to the transmission.

Hopefully this helps.
Was this
answer
helpful?
Yes
No
Saturday, November 9th, 2019 AT 6:17 PM
Tiny
TONAK77
  • MEMBER
  • 4 POSTS
Thank you. I will explore again tomorrow.
Was this
answer
helpful?
Yes
No
Saturday, November 9th, 2019 AT 10:03 PM
Tiny
KASEKENNY
  • MECHANIC
  • 18,907 POSTS
Sounds good. Let me know how you make out.
Was this
answer
helpful?
Yes
No
Sunday, November 10th, 2019 AT 6:55 PM

Please login or register to post a reply.