1999 Lincoln Town Car V8 Two Wheel Drive Automatic 134K miles
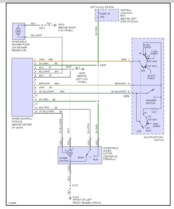
My wiper motor does not run, ever. No nothing.
The fuse that you told me to check, #16 is fine, and as I don't have a manual, I don't know where to start.
I know the wiper motor has been replaced before, but don't know when.
Is there an electrical connector I can ohm out to isolate the issue? The motor appears to be buried which seems to require pulling the wipers, the cover below the windshield, etc.
Thank you.
Monday, September 21st, 2009 AT 1:38 PM





