Saturday, November 10th, 2007 AT 4:44 PM
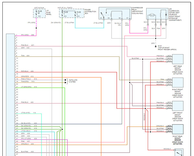
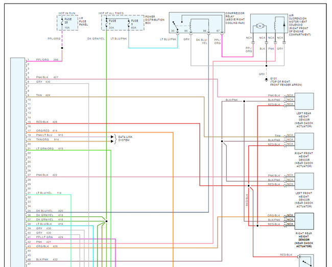
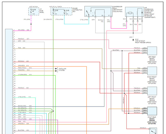
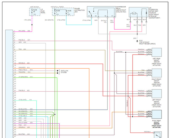
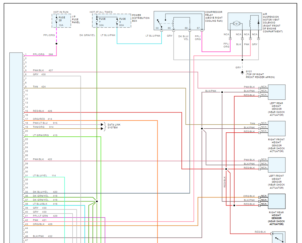
Yes I need to know where I can locate the air pump relay switch for my 95 lincoln cont. Because my shocks are in great condition. The mileage on my car is 56,231. V8 engine







