Lin communication errors?

Tiny
ANDRIN ATEM
  • MEMBER
  • 2012 LAND ROVER EVOQUE
  • 2.0L
  • 4 CYL
  • 4WD
  • AUTOMATIC
  • 17,860 MILES
Hi Ken, please may I have the wiring for this engine, power ground and can bus for Lin network system.
Sunday, November 30th, 2025 AT 6:43 PM

11 Replies

Tiny
AL514
  • MECHANIC
  • 5,562 POSTS
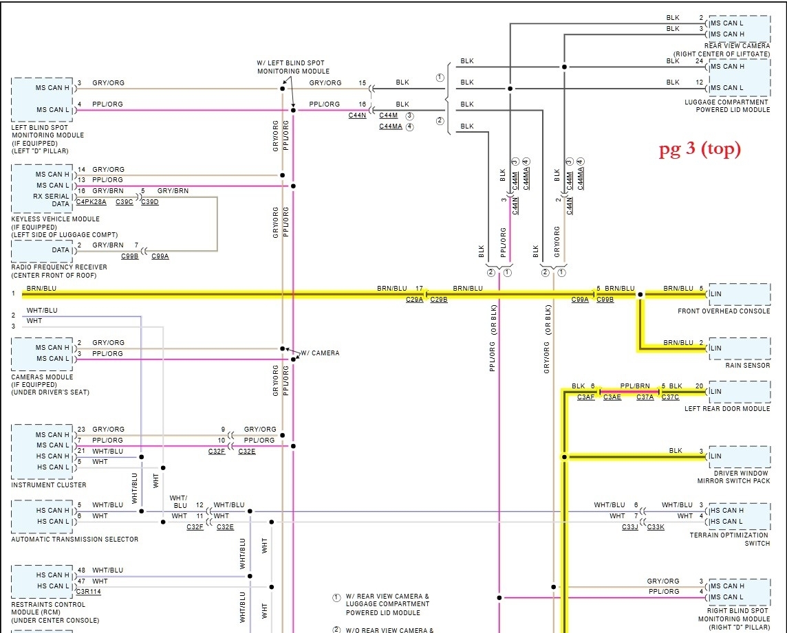
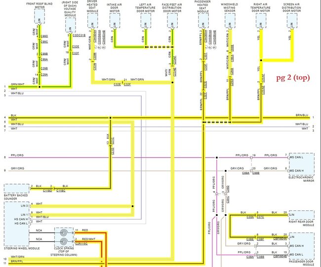
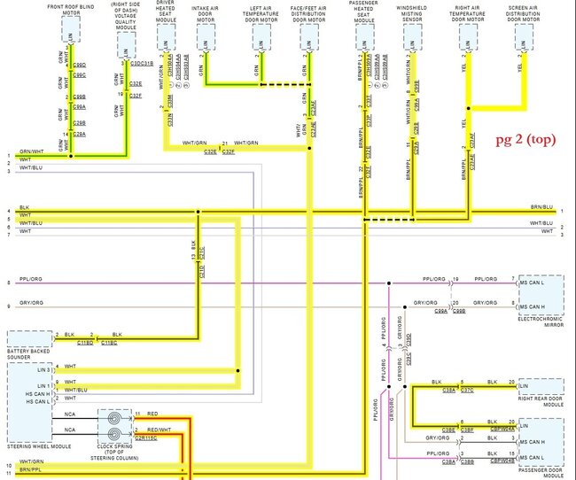
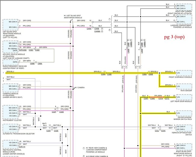
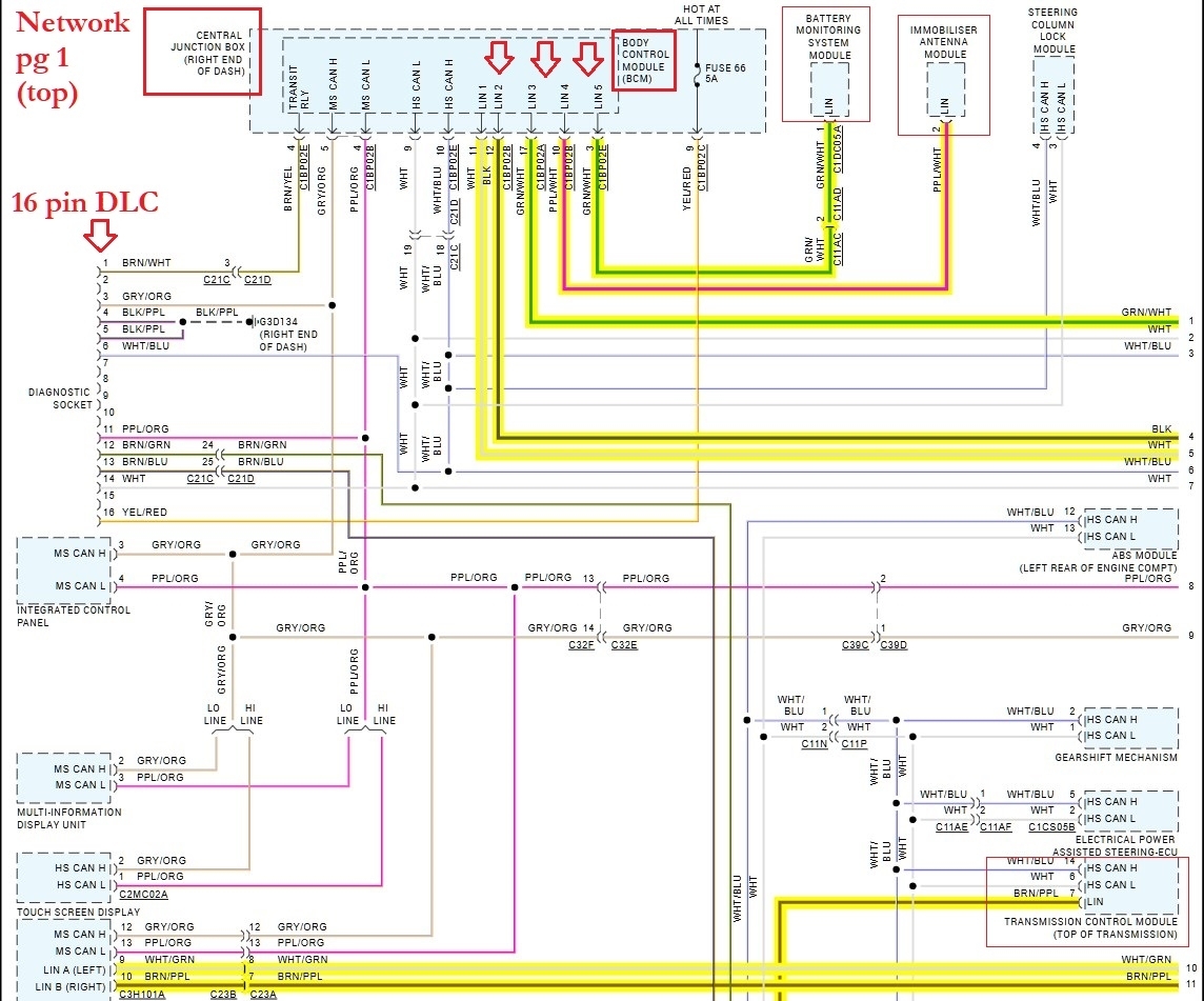
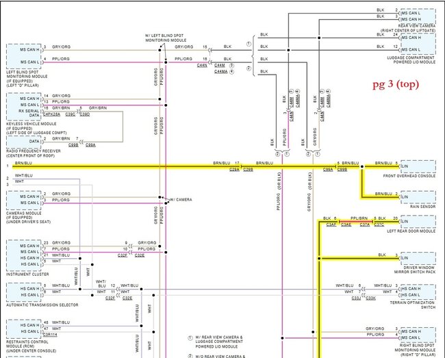
Hello, is there a specific module that is setting the LIN Bus code? A quick look at the network wiring diagrams show there are multiple Lin bus networks for this vehicle. To begin with, Lin Bus is a 1 wire network that is 0-12volt signal, The Body Control Module (BCM) shows 5 Lin Bus networks coming from it. So far I think I count 34 modules on the Lin, but these modules will also talk on other networks as well, depending on how critical they are. Ill get these diagrams ready and highlight all the Lin wires, Theres 3 pages of Network diagrams, so it will take a couple minutes.
Was this
answer
helpful?
Yes
No
+1
Tuesday, December 2nd, 2025 AT 6:58 PM
Tiny
ANDRIN ATEM
  • MEMBER
  • 408 POSTS
I will be waiting thank you very much.
Was this
answer
helpful?
Yes
No
Tuesday, December 2nd, 2025 AT 7:28 PM
Tiny
AL514
  • MECHANIC
  • 5,562 POSTS
There is a lot of information here, these are for all the networks in the vehicle. Diagrams 1&2 go together (top/bottom) and so on. I have highlighted all the Lin Bus wires and add some network operations info. Let us know what you find.
Was this
answer
helpful?
Yes
No
Tuesday, December 2nd, 2025 AT 7:41 PM
Tiny
AL514
  • MECHANIC
  • 5,562 POSTS
Would you like a list of all the modules on the High and Medium speed Can Bus? As well as the MOST Bus which is another entertainment network.
Was this
answer
helpful?
Yes
No
Tuesday, December 2nd, 2025 AT 7:43 PM
Tiny
AL514
  • MECHANIC
  • 5,562 POSTS
If needed just let us know, Ill post the rest tomorrow for you.
Was this
answer
helpful?
Yes
No
+1
Tuesday, December 2nd, 2025 AT 7:47 PM
Tiny
ANDRIN ATEM
  • MEMBER
  • 408 POSTS
Yes I do need them.
Was this
answer
helpful?
Yes
No
Tuesday, December 2nd, 2025 AT 9:29 PM
Tiny
ANDRIN ATEM
  • MEMBER
  • 408 POSTS
Sure I would love to have them. Thanks very much.
Was this
answer
helpful?
Yes
No
Tuesday, December 2nd, 2025 AT 9:30 PM
Tiny
AL514
  • MECHANIC
  • 5,562 POSTS
Ok these are the rest of the modules the vehicle may have. Diagrams 1-4 are all LIN Bus, then the other networks, (High Speed Can, Medium Speed Can, and finally the MOST Bus is the last 2 diagrams. Is there any specific module setting a Lin code? Because this vehicle has a lot of modules, thats for sure.
Was this
answer
helpful?
Yes
No
Wednesday, December 3rd, 2025 AT 3:46 PM

Please login or register to post a reply.