Saturday, April 25th, 2020 AT 6:50 PM
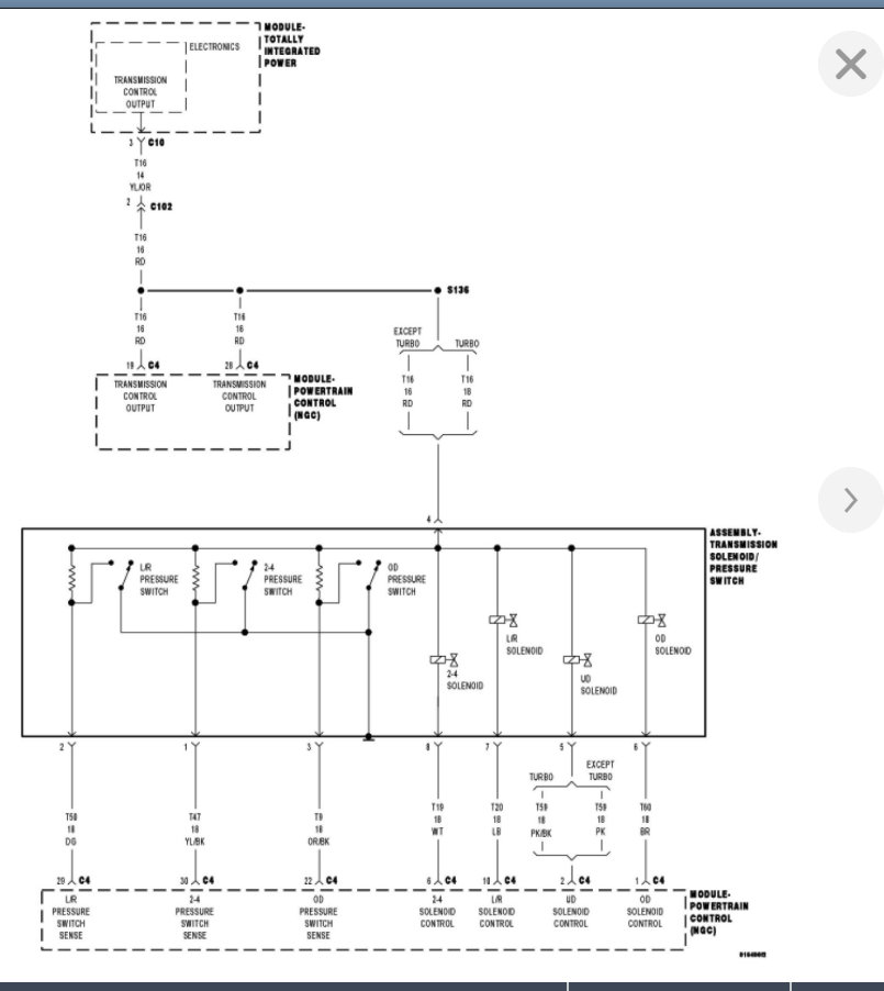
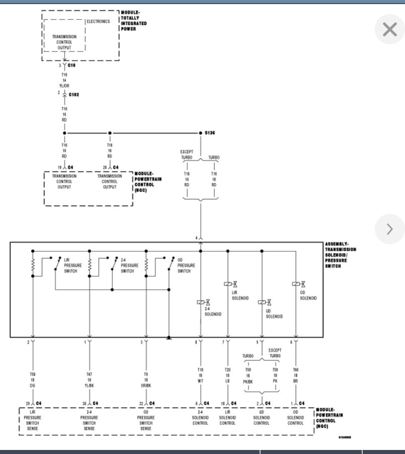
Vehicle listed above went into limp mode, threw two codes. First was generic for transmission control system, and problematic code was p0765 shift solenoid d. I dropped the pan changed fluid and filter, changed solenoid pack, erased all codes, upon test drive I got to second and threw the codes again back into limp mode. Some say the wire harness could be bad some say the PCM is bad, others say valve body or control module inside. I'm so lost no other codes are throwing so it's solenoid related I'd think. Any ideas? I've spent so much and going to lose my job if I don't get it fixed.












