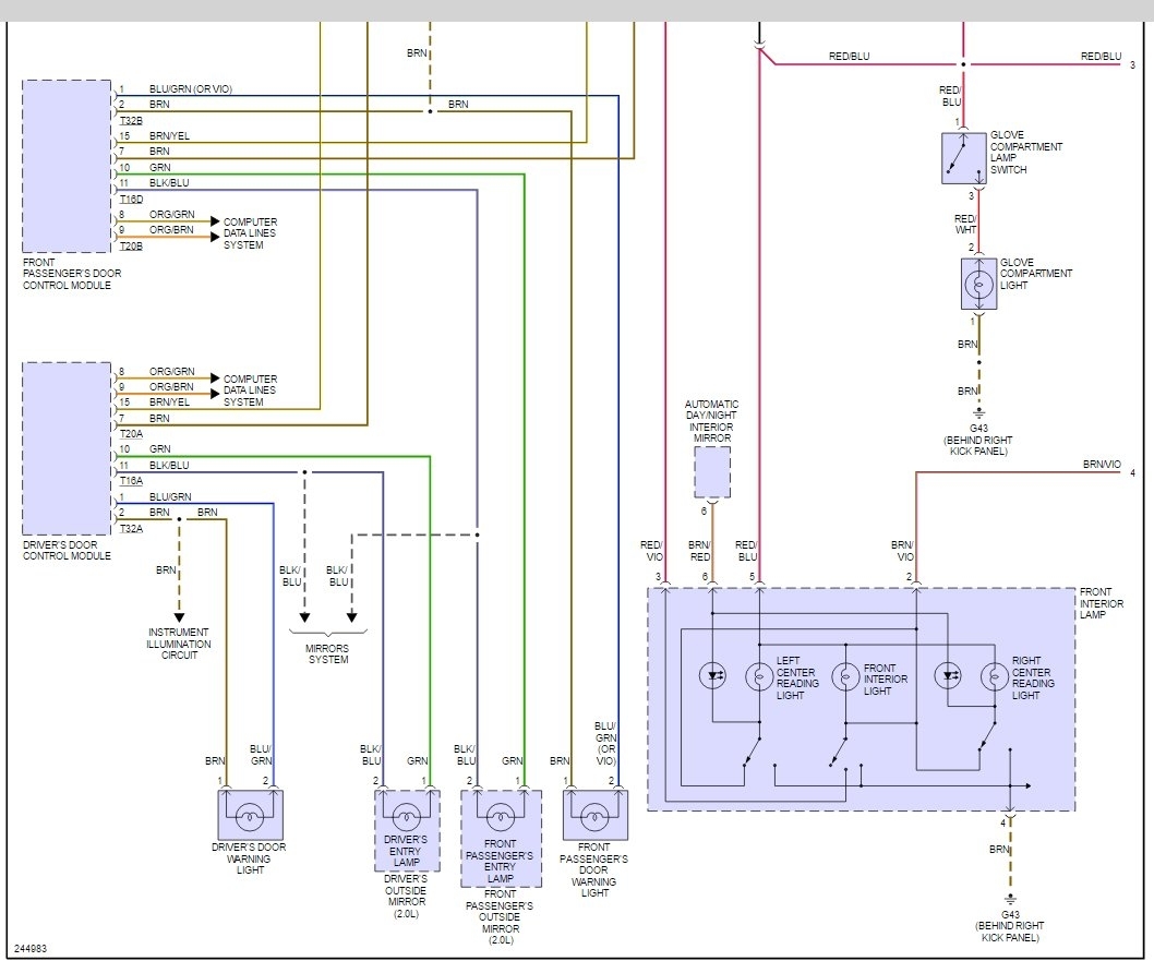
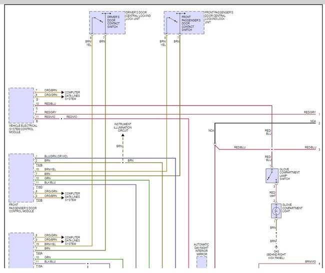
Thursday, December 29th, 2016 AT 6:03 AM
When you lock the doors the light on the door locks comes on and stays. If you do not lock the doors it does not come on. Can you tell me the problem please?




