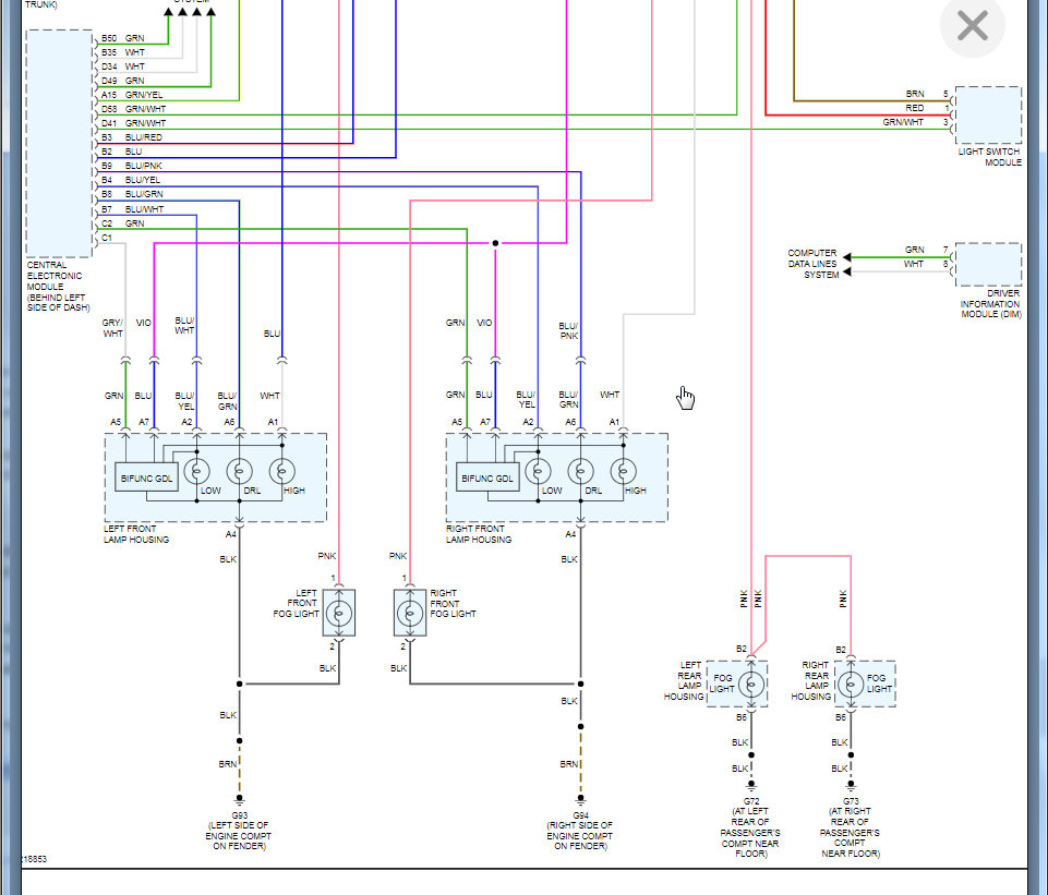
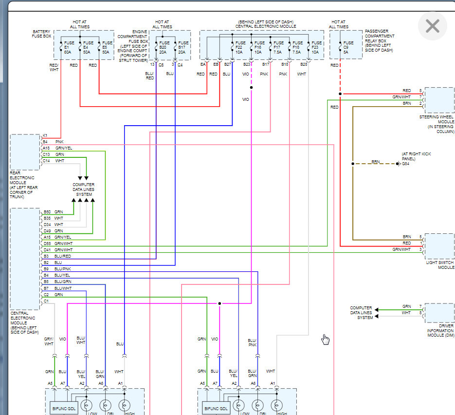
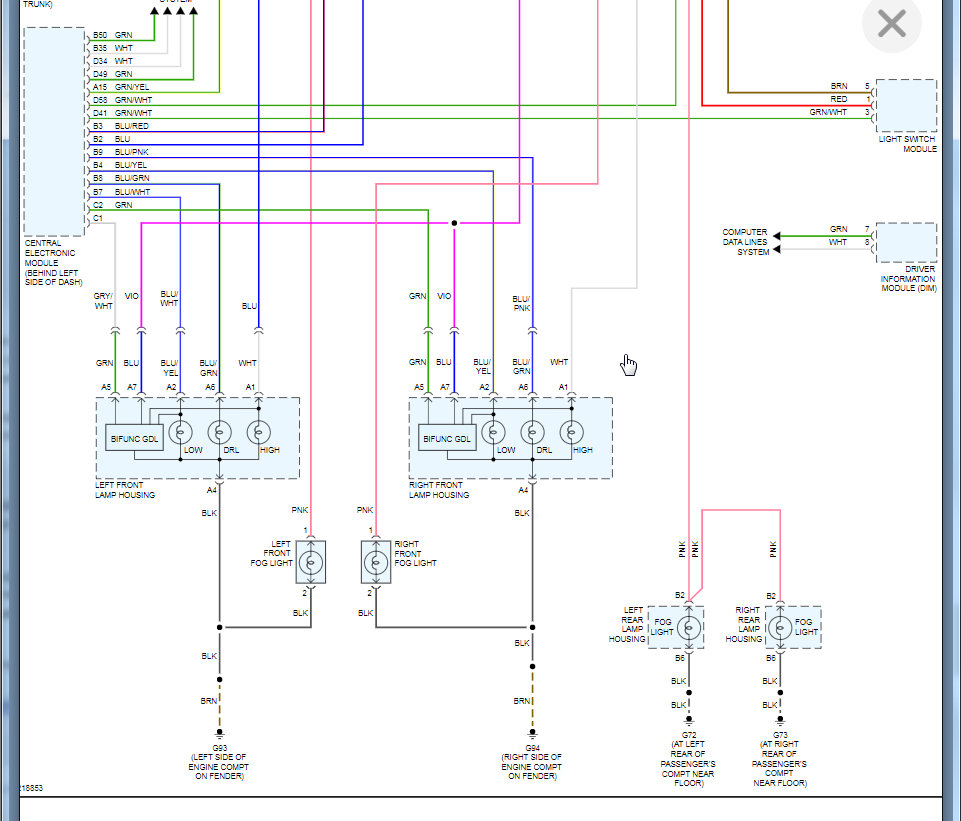
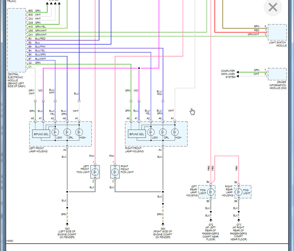
Headlights, brake lights, turn signals and lower interior lights stopped working

Tiny
JEFFMEHR0
  • MEMBER
  • 2005 VOLVO S60
  • 2.5L
  • 5 CYL
  • TURBO
  • 2WD
  • AUTOMATIC
  • 130,000 MILES
Also, the check stop lamp appears in message window.
Monday, November 30th, 2020 AT 5:00 PM

1 Reply

Tiny
KASEKENNY
  • MECHANIC
  • 18,907 POSTS
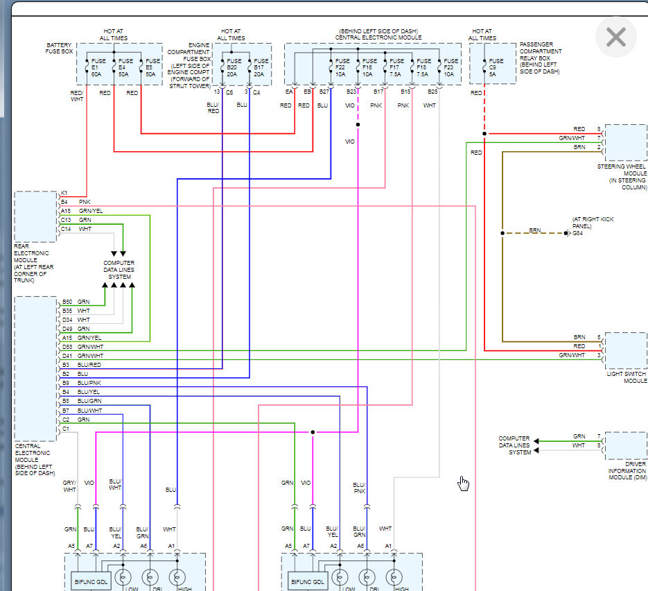
I have a feeling that this is the central electronic module but let's confirm that by checking the fuses for the CEM and the headlight circuitry. This is Fuse B20 and B17 in the engine compartment fuse box. If these fuses are ok, then I suspect the module has failed because if they all went out at the same time then this is the likely thing in common.

Let's start with this and we can go further with the brake lights just to confirm those are pointing to this as well.

However, as you can see these two fuses are for each headlamp so it is unlikely that they would each fail plus all the other lights. Which points to the CEM.
Was this
answer
helpful?
Yes
No
Tuesday, December 1st, 2020 AT 5:46 PM

Please login or register to post a reply.