Headlights not working correctly

Tiny
BBTM1963
  • MEMBER
  • 2012 HYUNDAI ELANTRA
  • 2WD
  • AUTOMATIC
  • 130,000 MILES
One week my headlight was burned out then following week both brake lights out and now both headlights and brake lights are out. I have checked both fuses and the bulbs only one headlight bulb is burned out. Fuses okay.
Tuesday, September 3rd, 2019 AT 9:52 AM

28 Replies

Tiny
ASEMASTER6371
  • MECHANIC
  • 52,796 POSTS
Good afternoon.

The first thing I would do is check the charging system. If the alternator is putting out too much voltage, it will burn out headlights and other bulbs.

https://www.2carpros.com/articles/how-to-check-a-car-alternator

As far as the lights, have you checked for voltage to the headlights?

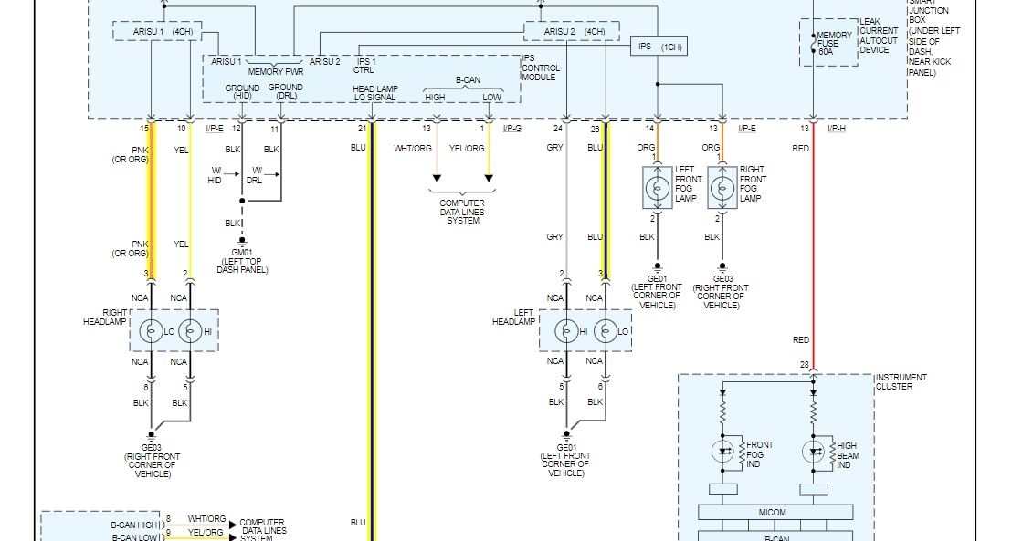
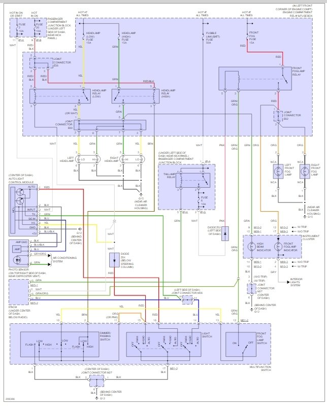
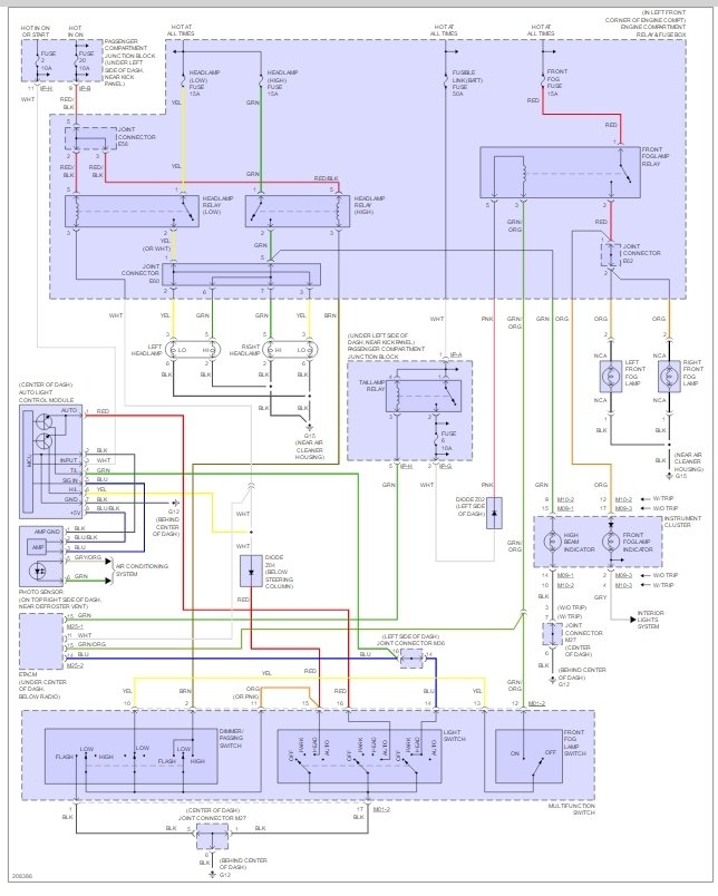
I attached a wiring diagram for you to view. Check the highlighted wires for power with the headlights on.

You may have a failed smart junction box.

Roy
Was this
answer
helpful?
Yes
No
Tuesday, September 3rd, 2019 AT 10:01 AM
Tiny
ROCKETMAN007
  • MEMBER
  • 65 POSTS
  • 2008 HYUNDAI ELANTRA
  • 90,000 MILES
How precise is the life of headlights? I've had my car for 3 years and only recently changed the headlights within 10 days of one another. That seemed pretty close and they no longer seem to sell headlights in pairs.
Was this
answer
helpful?
Yes
No
Saturday, October 10th, 2020 AT 7:21 PM (Merged)
Tiny
CARADIODOC
  • MECHANIC
  • 34,490 POSTS
Head light bulbs have never been sold in pairs unless some marketing genius is trying to get you to buy more of his product.

A properly-working charging system will keep the electrical system voltage between 13.75 and 14.75 volts to keep the battery fully-charged. If it runs near 13.8 volts, that is very easy on bulbs, and you can expect them to last a long time. If it runs near 14.7 volts, that tiny little bit more voltage translates into a serious increase in brightness and big drop in life expectancy. If you're going through a lot of head light bulbs due to higher system voltage, you'll be going through a lot of other bulbs too, like tail light and brake light bulbs.

Other factors include how often you use the head lights. If you're smart enough to turn your lights on during the day in winter when white snow and gray roads make for great camouflage, and cars are real hard to see, that will shorten the life of the bulbs. If you have daytime running lights, (for people who like to forget to turn their tail lights on), the head light bulbs' life will also be shortened. Common sense would say to use a ten-dollar relay to turn on the low beams, but the engineers have seen fit to use an expensive, unnecessary computer module to turn the high beams on at 80 percent of full brightness. That means the person in front of you is blinded by yellowish high beam head lights glaring in their mirrors, but to the bulbs, that still translates to decreased bulb life. That's because to run the bulbs at 80 percent, the computer turns them on full brightness for about 95 percent of the time, and fully-off for about 5 percent of the time. That switching on and off occurs around 400 times per second so we don't see it as flicker. Due to the slowly-changing glow of the filaments, we see that as 80 percent of full brightness, but the bulbs see that as being turned fully-on 95 percent of the time.

Basically, three years is not uncommon. The original bulbs in my '88 minivan lasted over 20 years. That also is not totally uncommon. If you go through a lot of bulbs on a regular basis, measure the battery voltage while the engine is running. If it's higher than 14.75 volts, suspect the voltage regulator. If you only burn out a lot of head light bulbs, there's two common things to look for. The biggest cause of repeat failures is touching the glass part of the bulb. Your fingerprint grease will eat through the glass when its hot. New bulbs come with a warning to avoid doing that. The second, less common cause is moisture buildup inside the head light housing. Some manufacturers have service bulletins that describe where and how to drill a small drain hole in the bottom of the housings to prevent that. If you see water sloshing around in the housing, moisture on the backside of the lens, or the old bulb is shattered, suspect the need for a drain hole.

As far as two bulbs burning out at the same time, that is best blamed on coincidence, provided system voltage hasn't recently increased due to a charging system problem. Also, as a point of interest, I've had used bulbs that I've saved from cars I scrapped out. Those always seem to last just a few weeks after they've been sitting on the shelf for a few years. I don't have an explanation for that except that a little air might be sneaking in. That happens with perfectly good tv picture tubes too that have been sitting for years. Those will burn up the air and look good again after a few hours, but air in bulbs will corrode the filaments and cause them to burn out.

Most bulbs do not last nearly as long as they did 20 or 30 years ago, but they typically are brighter now. Life expectancy and brightness are trade-offs. You lose one to gain the other. You might find "longer life" or "increased brightness" splashed on the packaging, but you won't get both.
Was this
answer
helpful?
Yes
No
Saturday, October 10th, 2020 AT 7:21 PM (Merged)
Tiny
ROCKETMAN007
  • MEMBER
  • 65 POSTS
My point was assuming all else is equal do halogen headlights have a reliable lifespan? They died within 10 days of one another. That is like 1% of 3 years. Lol.
Was this
answer
helpful?
Yes
No
Saturday, October 10th, 2020 AT 7:21 PM (Merged)
Tiny
CARADIODOC
  • MECHANIC
  • 34,490 POSTS
If you mean predictable, no. Their life is a product of the amount of time they're on and the voltage applied to them. The second one burned out because it missed the first one; just like when the stove gives up because it felt sorry for the refrigerator that died last week. Truly coincidence, but it doesn't seem that way.
Was this
answer
helpful?
Yes
No
Saturday, October 10th, 2020 AT 7:21 PM (Merged)
Tiny
ROCKETMAN007
  • MEMBER
  • 65 POSTS
Well their time on and voltage should be equal. Still coincidence?
Was this
answer
helpful?
Yes
No
Saturday, October 10th, 2020 AT 7:21 PM (Merged)
Tiny
CARADIODOC
  • MECHANIC
  • 34,490 POSTS
Absolutely.
Was this
answer
helpful?
Yes
No
Saturday, October 10th, 2020 AT 7:21 PM (Merged)
Tiny
CMCOLMN1
  • MEMBER
  • 1 POST
  • 2006 HYUNDAI ELANTRA
  • 2.4L
  • 4 CYL
  • 2WD
  • AUTOMATIC
  • 185,000 MILES
Low beams won't work. I have checked bulbs, fuses and relays to no avail. Have not checked current at bulb plug but I can hear the relay click when I turn the headlight switch on on the steering column.
Was this
answer
helpful?
Yes
No
Saturday, October 10th, 2020 AT 7:21 PM (Merged)
Tiny
HMAC300
  • MECHANIC
  • 48,601 POSTS
Check yellow wire at headlamp if no power have it scanned for codes there are three different types of headlights so it may be a module or switch problem.
Was this
answer
helpful?
Yes
No
+1
Saturday, October 10th, 2020 AT 7:21 PM (Merged)
Tiny
TONY REGALADO
  • MEMBER
  • 3 POSTS
  • 2005 HYUNDAI ELANTRA
  • 2.0L
  • 4 CYL
  • 2WD
  • AUTOMATIC
  • 150,000 MILES
Already swapped relays between low and high-beams and both relays are good. Low-beam relay is clicking when I turn on the switch at the wheel. Just checked power at lamps and there is no power getting to the low-beams. Any ideas? Please help.
Was this
answer
helpful?
Yes
No
Saturday, October 10th, 2020 AT 7:21 PM (Merged)
Tiny
JACOBANDNICKOLAS
  • MECHANIC
  • 110,194 POSTS
If you are hearing a clicking from the relay when turning the wheel, it sounds like there is a short in the steering column. You may have to remove the trim to check for damaged wires.
Was this
answer
helpful?
Yes
No
Saturday, October 10th, 2020 AT 7:21 PM (Merged)
Tiny
TONY REGALADO
  • MEMBER
  • 3 POSTS
Sorry, maybe I wasn't clear. I hear the relay clicking when I turn on the switch (not wheel). I have checked all the fuses and relays. Everything seems fine, but I'm not getting power to the low beams. Both lights when out at exactly the same time. Any suggestions?
Was this
answer
helpful?
Yes
No
-1
Saturday, October 10th, 2020 AT 7:21 PM (Merged)
Tiny
KHLOW2008
  • MECHANIC
  • 41,814 POSTS
Seems like there is a break in the wire between the headlight relay and headlight bulb. There is a connector in between, have that checked to ensure the terminals are not bad.
Was this
answer
helpful?
Yes
No
Saturday, October 10th, 2020 AT 7:21 PM (Merged)
Tiny
TONY REGALADO
  • MEMBER
  • 3 POSTS
Thanks, KHLOW. I will check that. There is an open/break from the relay to the bulb, so hopefully that's the issue.
Was this
answer
helpful?
Yes
No
Saturday, October 10th, 2020 AT 7:21 PM (Merged)
Tiny
KEN L
  • MASTER CERTIFIED MECHANIC
  • 55,499 POSTS
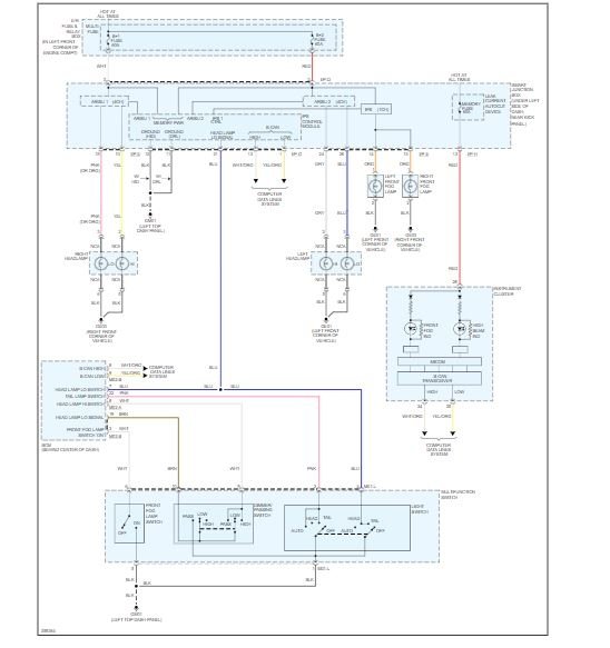
Hey Tony,

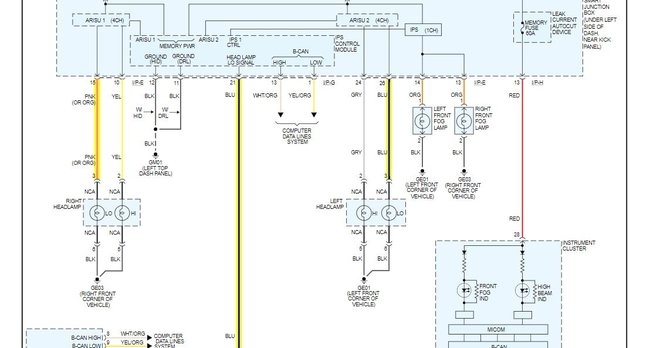
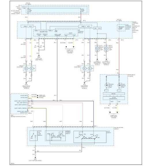
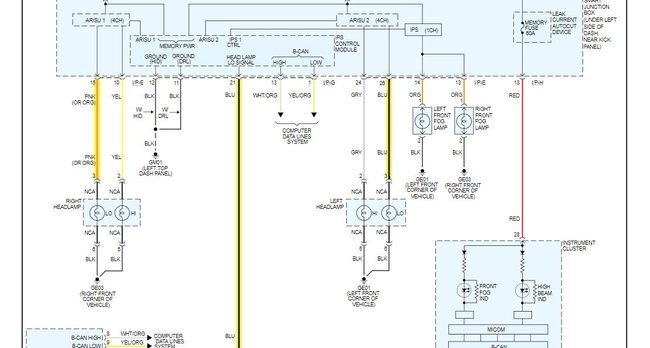
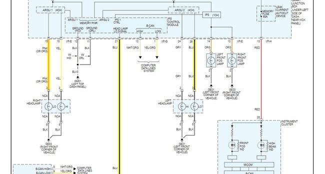
I found this wiring diagram for you, please do some testing and get back to us.

Here is a guide that will help

https://www.2carpros.com/articles/how-to-use-a-test-light-circuit-tester

Let us know hat you find.

Best, Ken
Was this
answer
helpful?
Yes
No
Saturday, October 10th, 2020 AT 7:21 PM (Merged)
Tiny
EMARSHBUCK
  • MEMBER
  • 4 POSTS
  • 2005 HYUNDAI ELANTRA
Four cylinder front wheel drive automatic 55,000 miles.

My low beams suddenly stopped working. My high beams work fine.

I have checked the fuses, and the bulbs.

Any ideas as to what to look at next?

Thank you,

Ed Marshall
Copley, OH
Was this
answer
helpful?
Yes
No
Saturday, October 10th, 2020 AT 7:21 PM (Merged)
Tiny
KHLOW2008
  • MECHANIC
  • 41,814 POSTS
Hi Ed,

Thank you for the donation.

Is your vehicle equipped with daytime running lights (DRL)?
Is it with Autolamps?

Check the headlamp relay in engine compartment relay and fuse box). Low and high beams uses different relays for their circuit, try swapping them to test.
Was this
answer
helpful?
Yes
No
+3
Saturday, October 10th, 2020 AT 7:22 PM (Merged)
Tiny
EMARSHBUCK
  • MEMBER
  • 4 POSTS
The car does not have running lights. It does not have autolamps.

I swapped the fuses for the low and high beam with no success.

What is the headlamp "relay?"

Thank you,

Ed Marshall
Was this
answer
helpful?
Yes
No
+3
Saturday, October 10th, 2020 AT 7:22 PM (Merged)
Tiny
KHLOW2008
  • MECHANIC
  • 41,814 POSTS
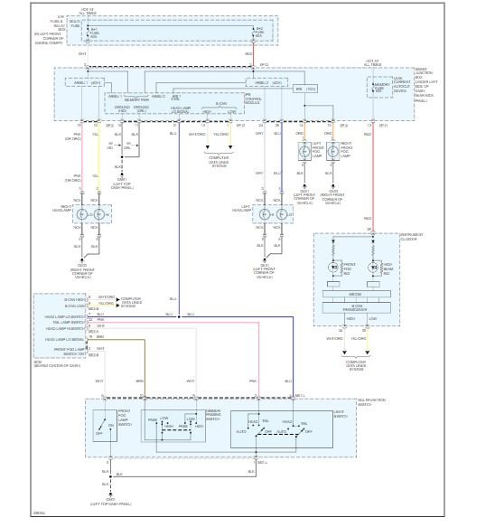
Here is a diagram of the relay box.

Swap E48 and E51 and if the low beams comes on and High beam goes off, the relay is bad. If both works now, check the terminals of the low beam for looseness and signs of overheating. If none found, replace the low beam relay, it is failing and intermittently bad.


https://www.2carpros.com/forum/automotive_pictures/192750_RelayBox05ElantraFig48_1.jpg

Was this
answer
helpful?
Yes
No
+8
Saturday, October 10th, 2020 AT 7:22 PM (Merged)
Tiny
EMARSHBUCK
  • MEMBER
  • 4 POSTS
I swapped the low/high beam relays.

I still only have high beams.

Thoughts? Ideas?

Could there be something wrong with the on/off switch on the handle?

Thank you,

Ed Marshall
Was this
answer
helpful?
Yes
No
+2
Saturday, October 10th, 2020 AT 7:22 PM (Merged)

Please login or register to post a reply.