The headlights and taillights do not work?

Tiny
GERALD29
  • MEMBER
  • 2008 ACURA MDX
  • 209,100 MILES
My headlights and taillights don't work.
Monday, November 25th, 2024 AT 1:57 PM

3 Replies

Tiny
KEN L
  • MASTER CERTIFIED MECHANIC
  • 55,266 POSTS
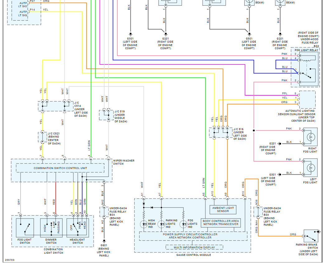
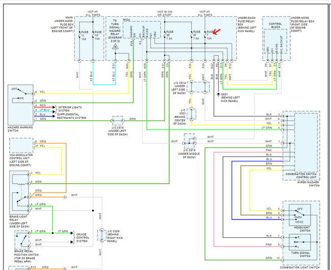
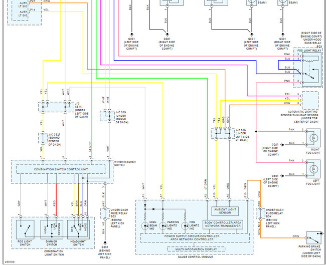
I would check fuse #7 which powers both systems, here is a guide to help and the fuse location as well:

https://www.2carpros.com/articles/how-to-check-a-car-fuse

test the fuse for power with the systems on. The fuse is in the panel under the flash on the left side. Check out the images (below). Please let us know what happens.

Was this
answer
helpful?
Yes
No
Monday, November 25th, 2024 AT 4:54 PM
Tiny
GERALD29
  • MEMBER
  • 1 POST
No it didn't work. That fuse was for the interior lights. I'm trying to see why my head and taillights not working all fuses seem to be good just don't have head and taillights my signals and brake light work that's it.
Was this
answer
helpful?
Yes
No
Tuesday, November 26th, 2024 AT 10:00 AM
Tiny
KEN L
  • MASTER CERTIFIED MECHANIC
  • 55,266 POSTS
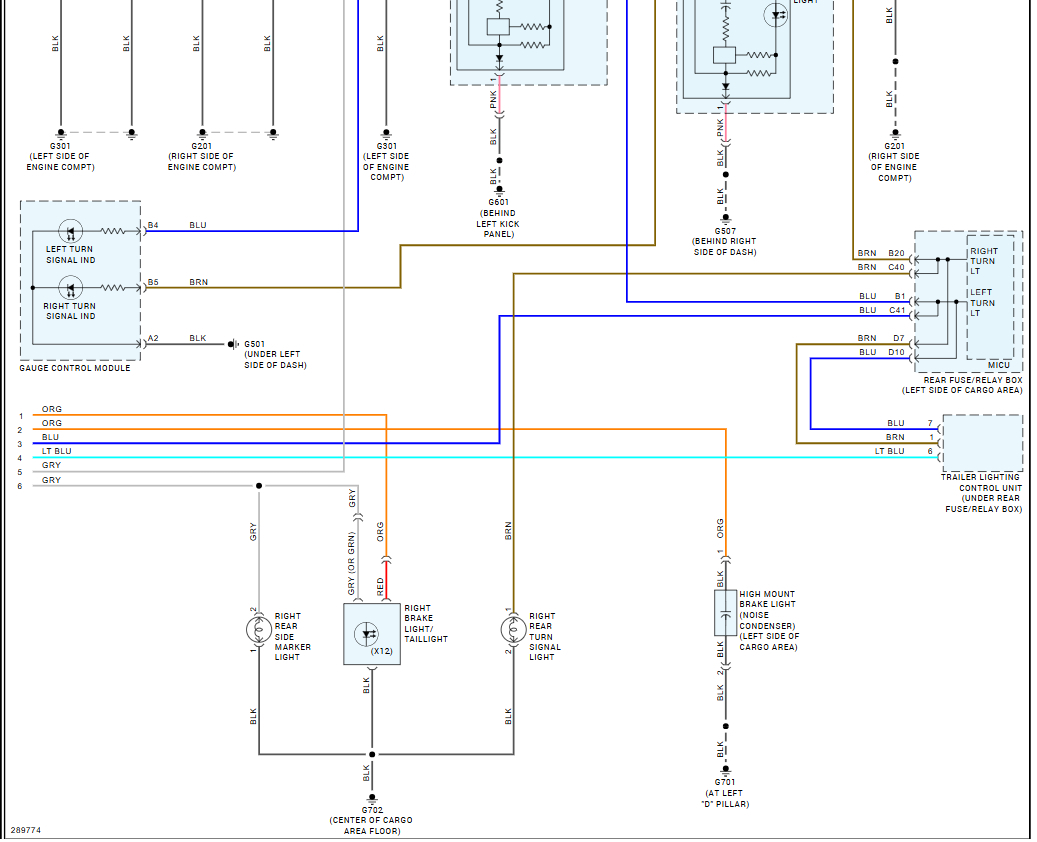
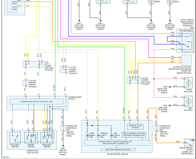
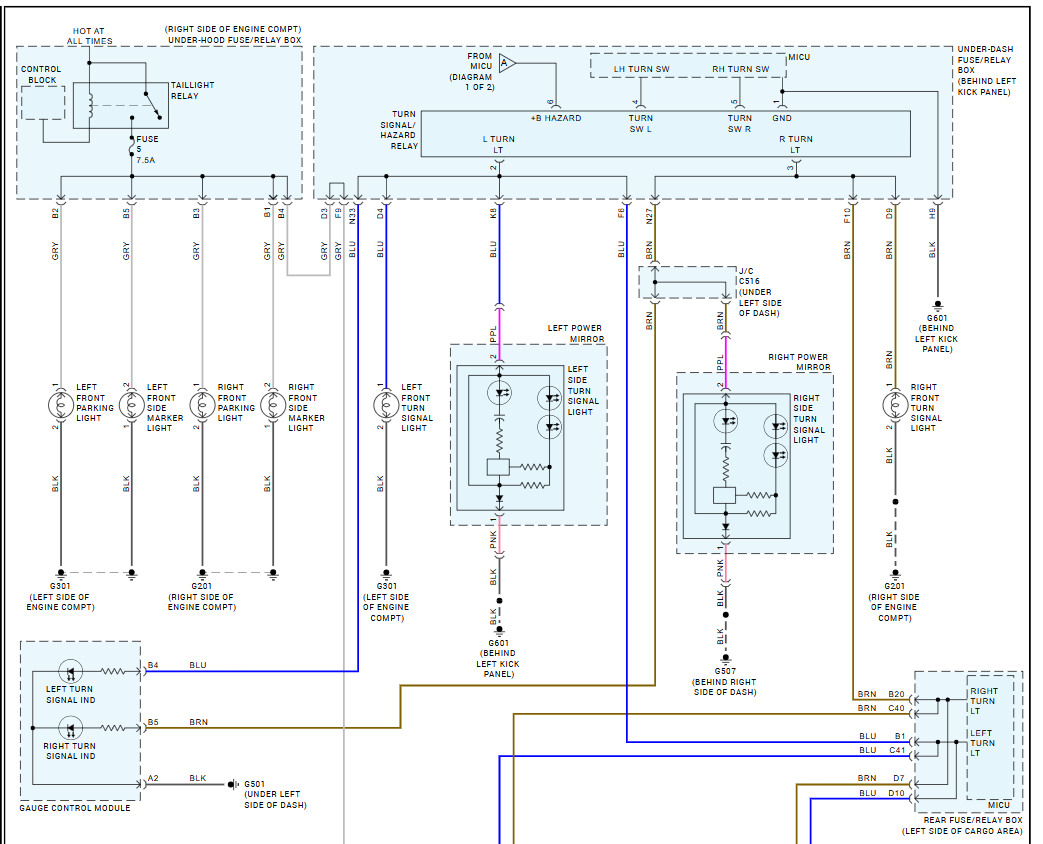
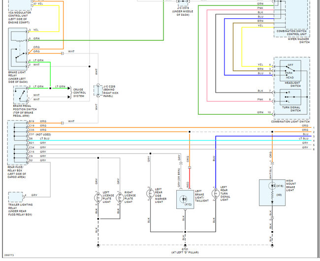
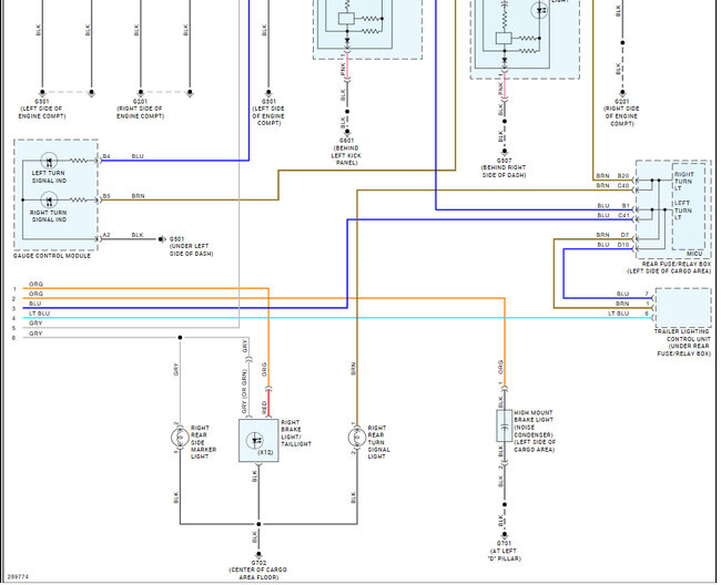
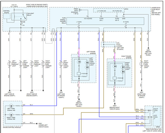
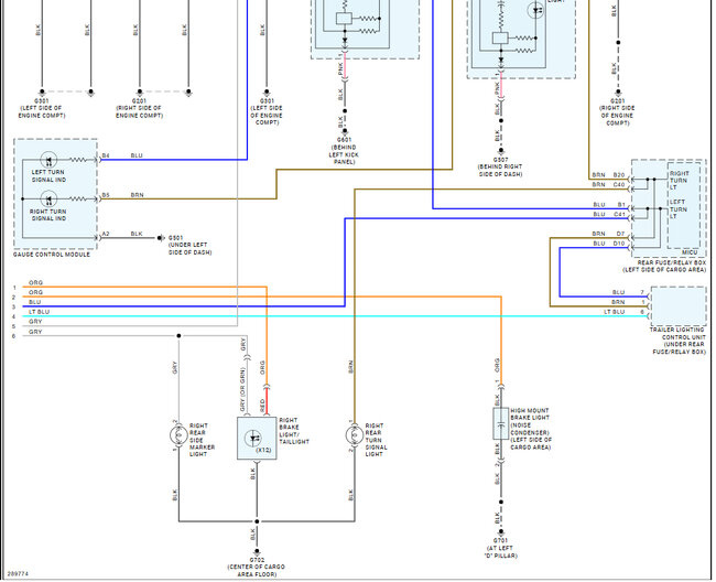
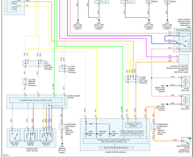
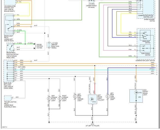
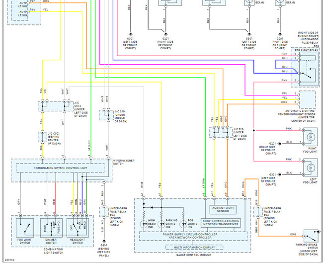
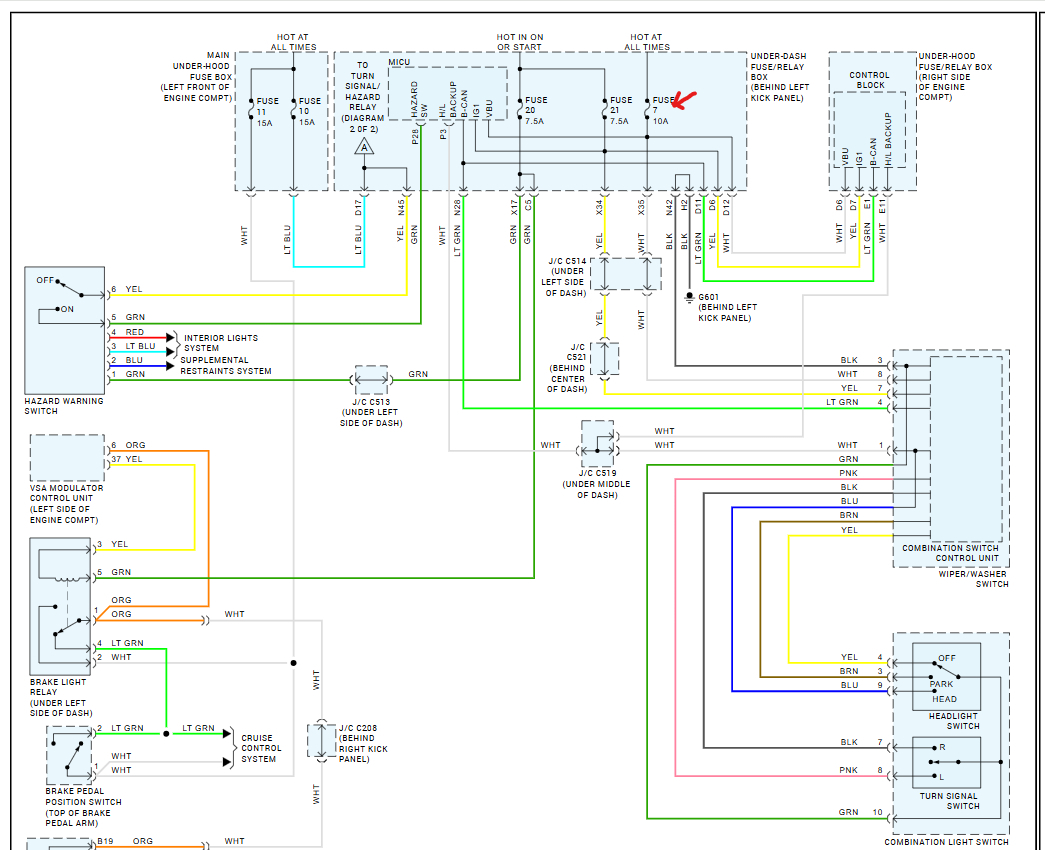
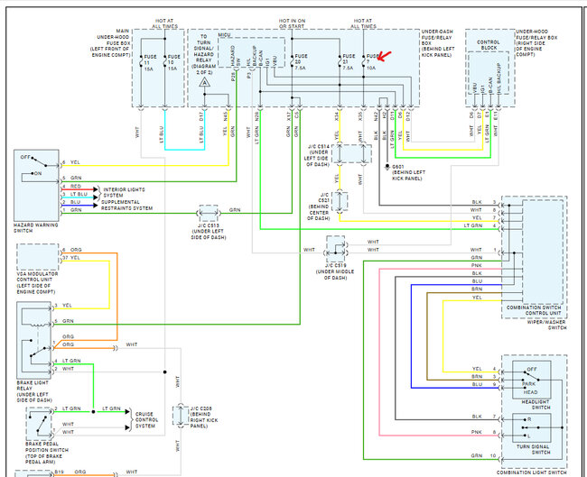
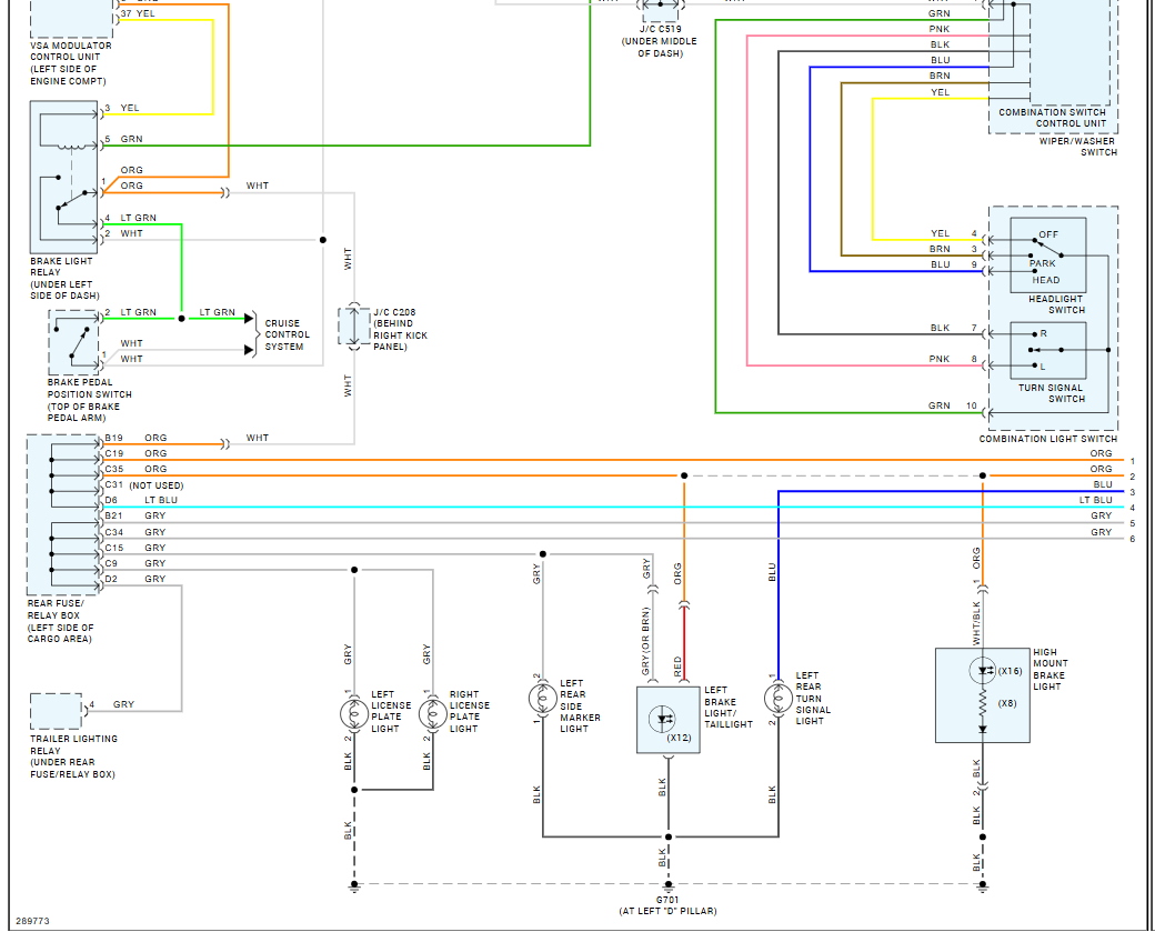
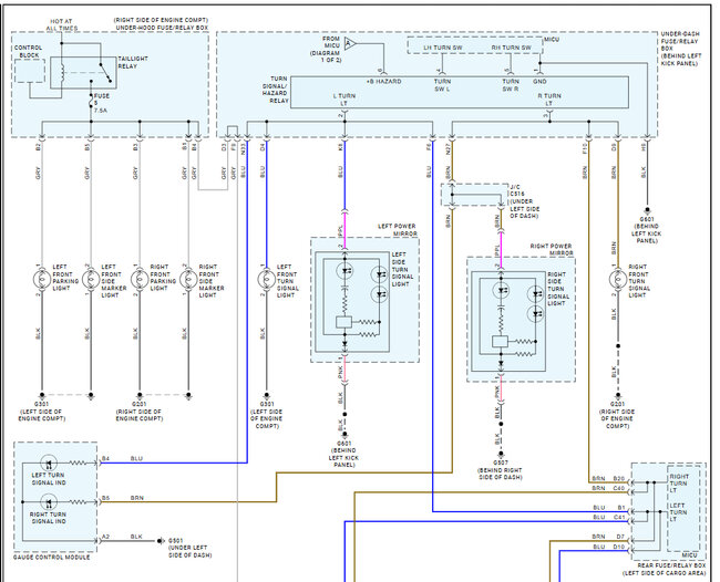
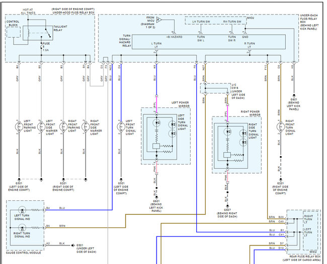
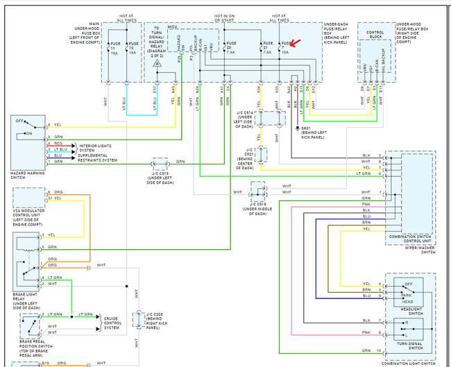
You might have a MICU that has gone out, here are the headlamp and exterior light wiring diagrams so you can see how the system works and which fuses to check. You will see fuse #7 runs both systems. If the MICU is out, it might have a code in the CAN. You can get a CAN scanner (Controller Area Network) which will work on most cars from Amazon.

Here is a video to show you how:

https://youtu.be/u-4syLc-ifQ

This guide can help you check for power:

https://www.2carpros.com/articles/how-to-use-a-test-light-circuit-tester

Check out the images (below). Please let us know what happens.
Was this
answer
helpful?
Yes
No
Tuesday, November 26th, 2024 AT 11:29 AM

Please login or register to post a reply.