headlights will not turn off?

1997 NISSAN QUEST
200,000 MILES • 0.6L • 6 CYL • 2WD • AUTOMATIC
Avatar
WANDABOB
  • MEMBER
  • 1 POST
Side door stayed open and run battery down. Put in new battery and now headlights will not go off.
Mar 28, 2020 at 5:02 PM
Advertisement
Avatar
KASEKENNY
  • CAR REPAIR CONTRIBUTOR
  • 18,907 POSTS
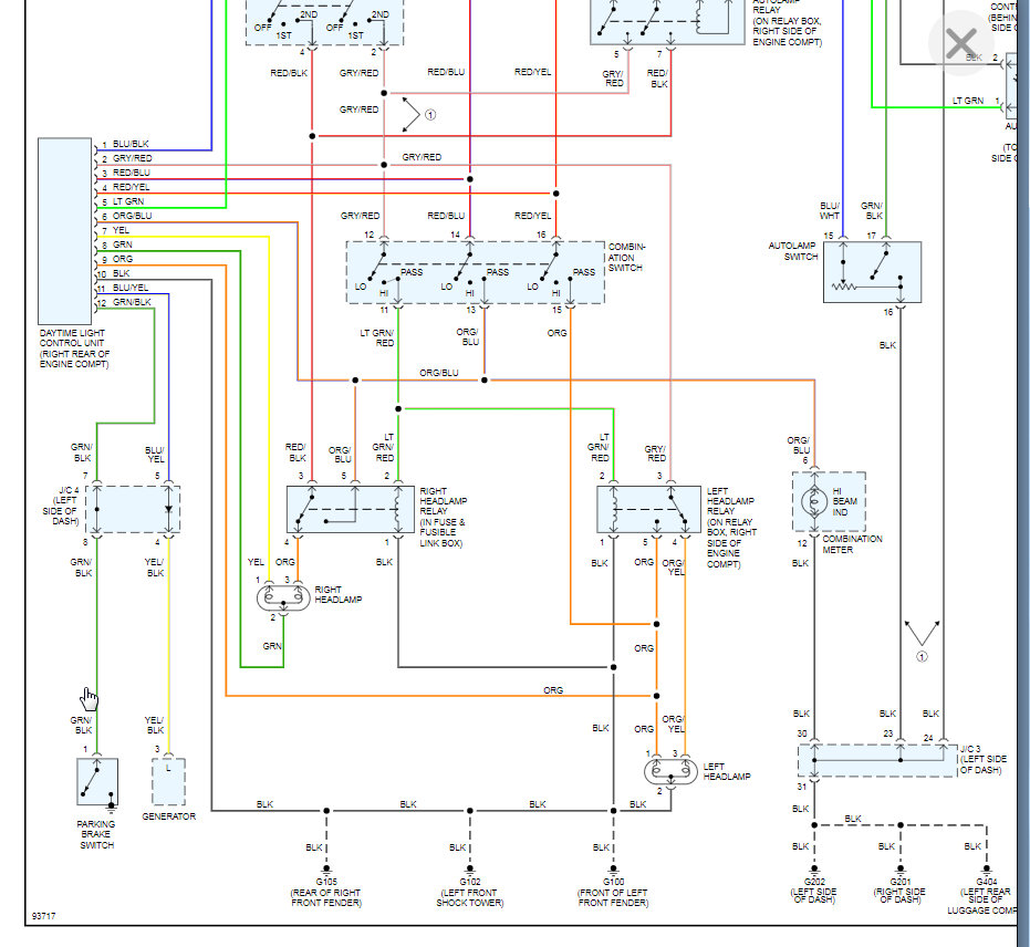
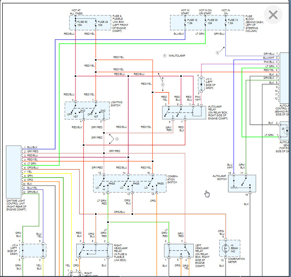
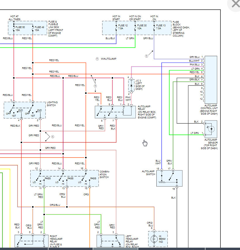
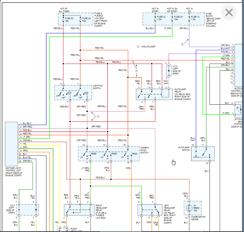
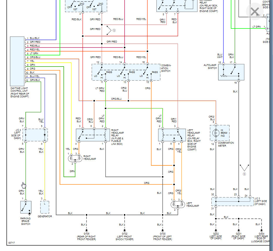
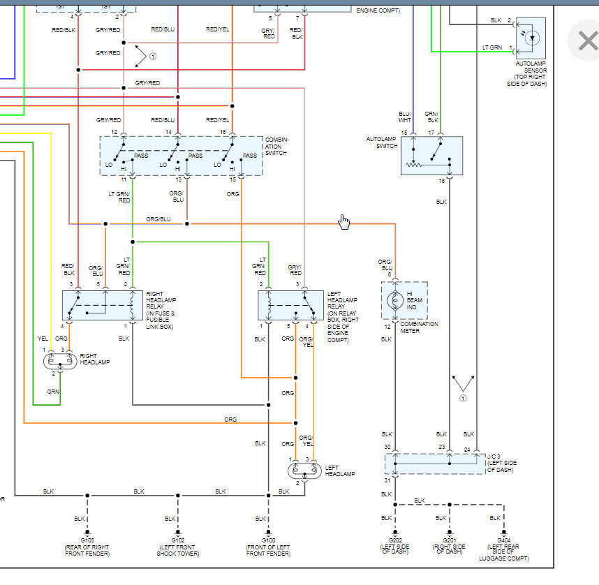
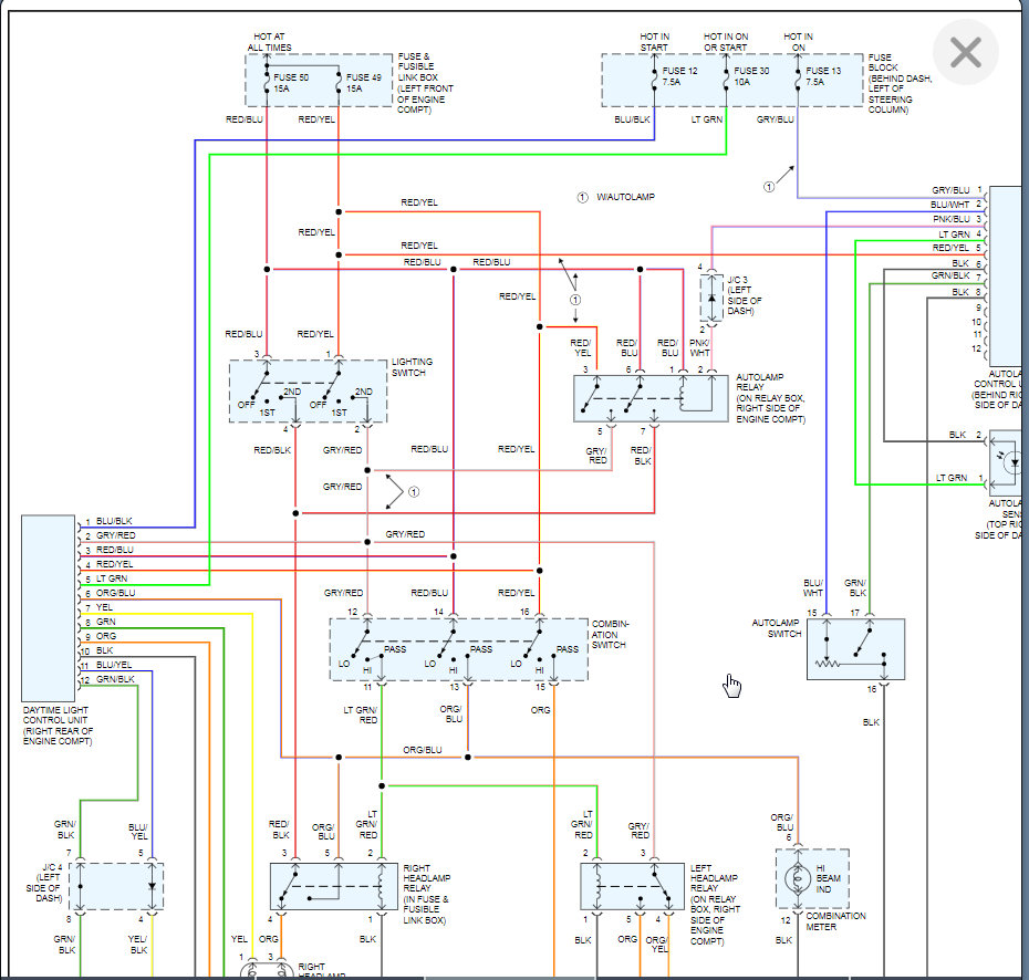
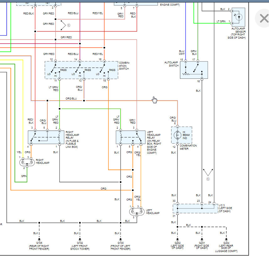
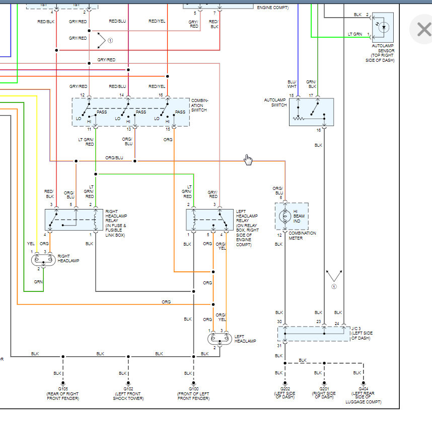
Just to clarify, do the headlamps stay on all the time even with the key off? If they just stay on when the engine is on, that may be an auto-lamp switch. However, if they are staying on all the time then we either have a switch issue or a short.

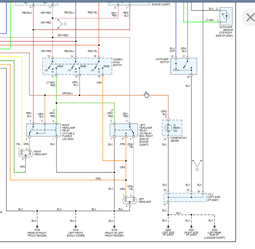
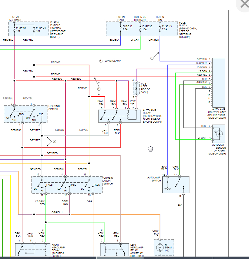
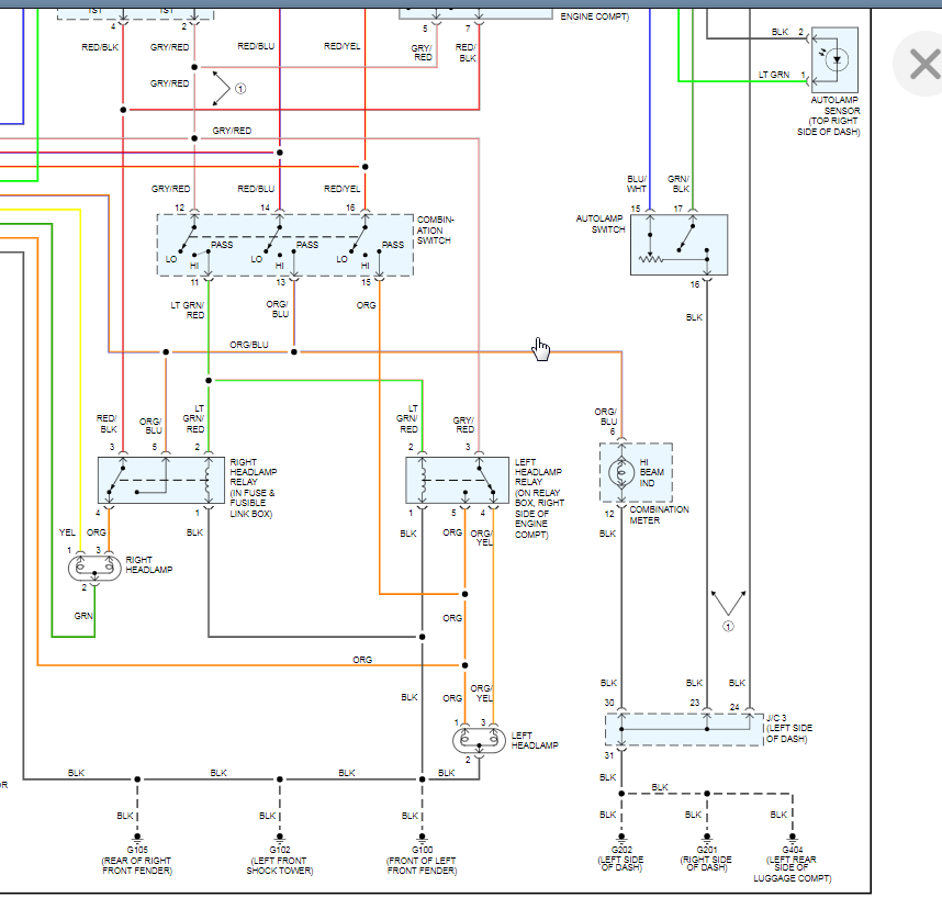
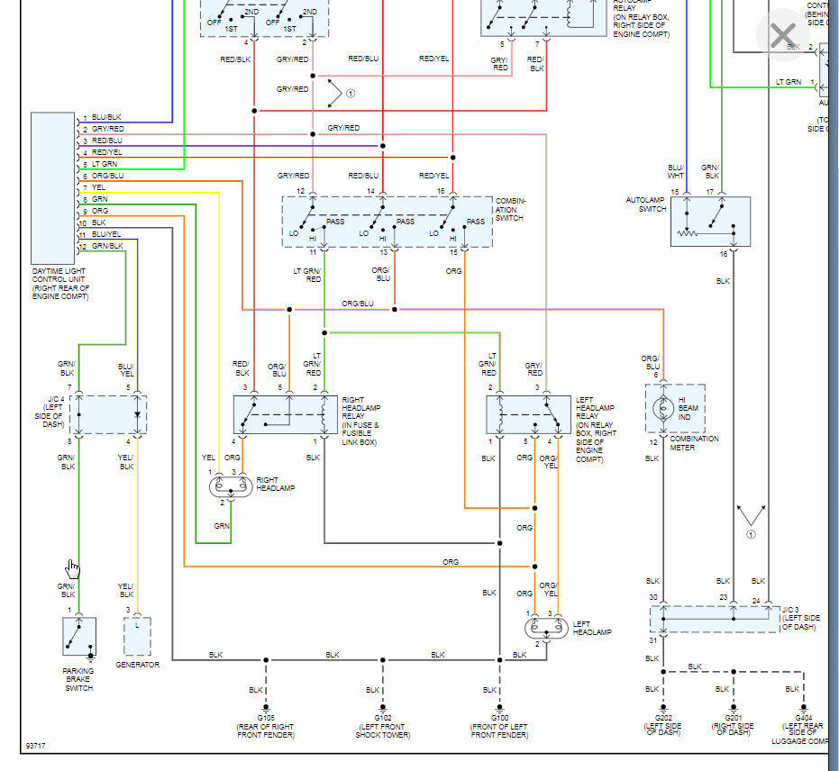
Try removing the fuses shown in the diagram and note when/if the lamps go out. If we can start finding some things that effect the lamp then we can narrow down the issue.

Let me know what you find and we can go from there. Thanks
Mar 28, 2020 at 5:20 PM
Advertisement
Repair Safety Notice: This information is for general instructional purposes only. Vehicle repair can be dangerous. Verify all information, follow manufacturer service procedures, use proper tools and safety equipment, and consult a qualified repair shop when needed.