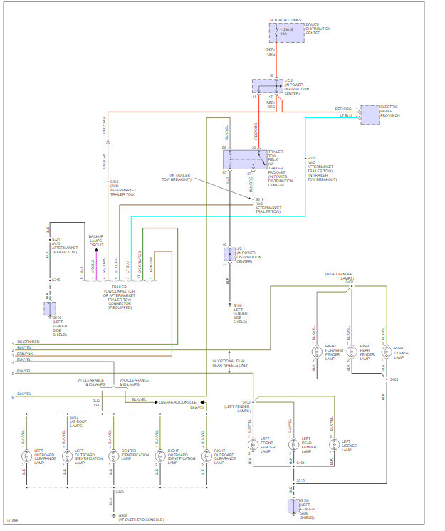
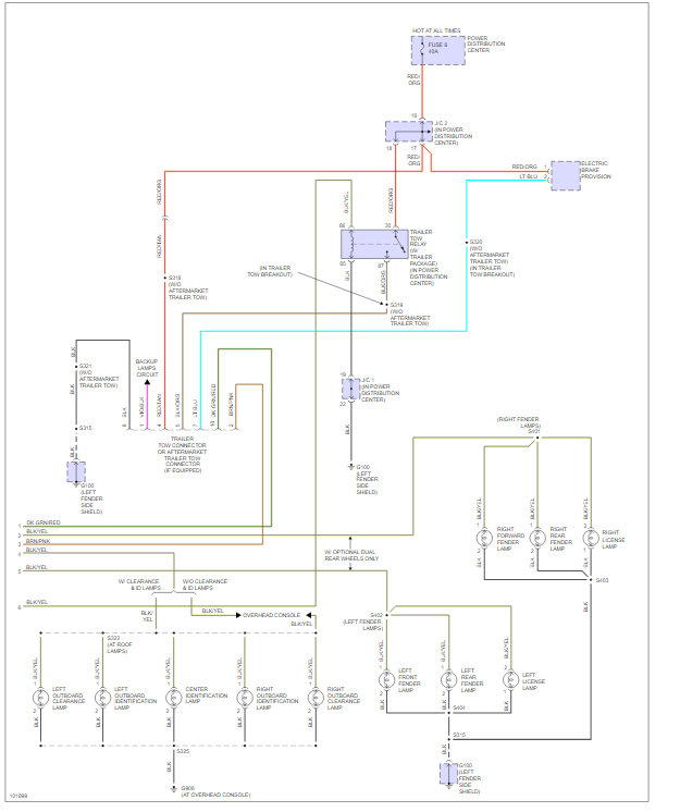
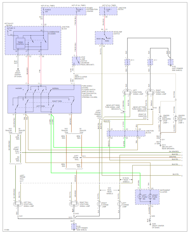
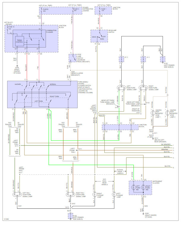
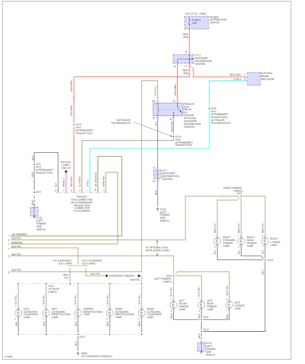
Thursday, February 7th, 2019 AT 10:37 AM
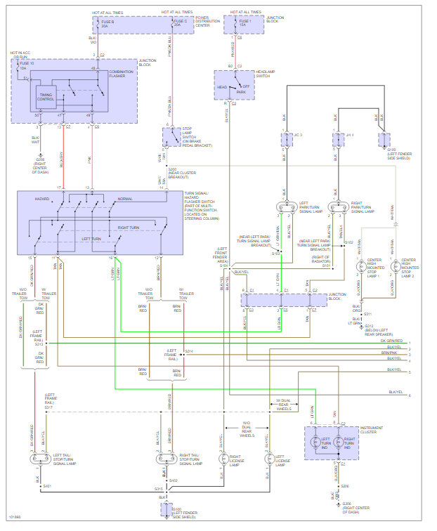
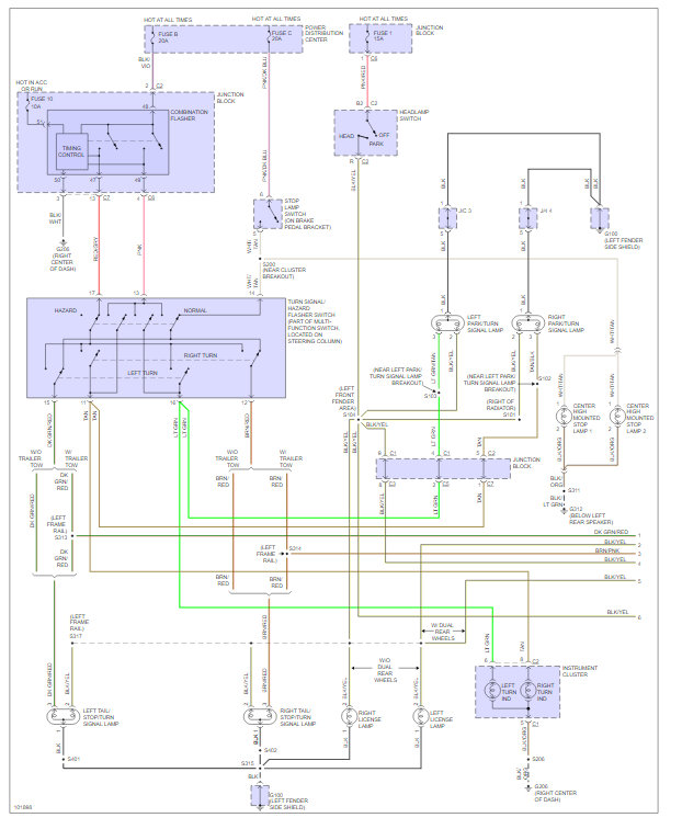
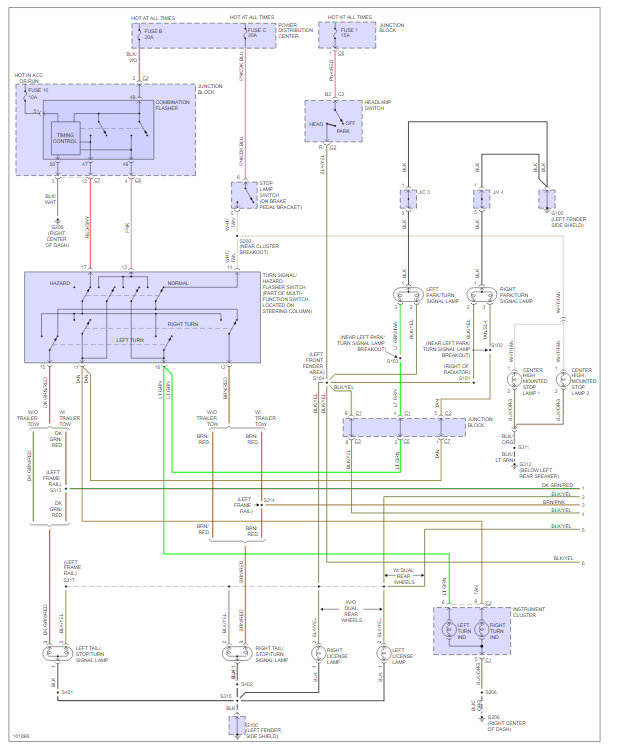
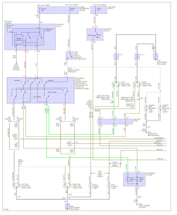
Before I start explaining I would like to note relays, fuses, bulbs, and the head lamp switch is new. This being said, my headlights, turn signals and brake lights work. However, my tail lights, dash lights, and fog lamps do not work. What could be wrong?






