Front driver side headlight and rear passenger side blinker light stopped working at the same time?

Tiny
RCANDSC
  • MEMBER
  • 2016 CHEVROLET MALIBU
  • 67,000 MILES
My front driver side headlight went out along with my rear passenger side blinker light. They both stopped working at the same time. I replaced the bulb in the blinker and headlight lamp both, but this did not correct the problem. They both are still not working. What are the possible problems that would result in this type of malfunction? Please help if possible.
Sunday, November 21st, 2021 AT 9:49 PM

1 Reply

Tiny
JACOBANDNICKOLAS
  • MECHANIC
  • 110,192 POSTS
Hi,

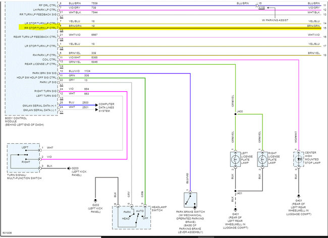
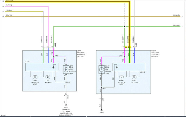
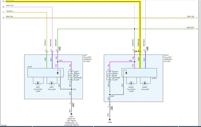
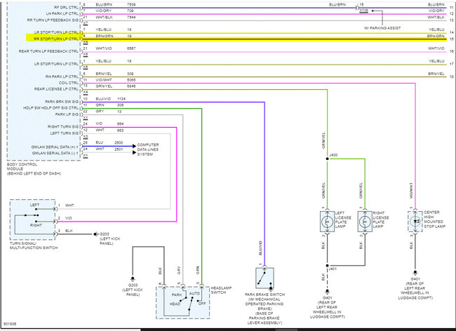
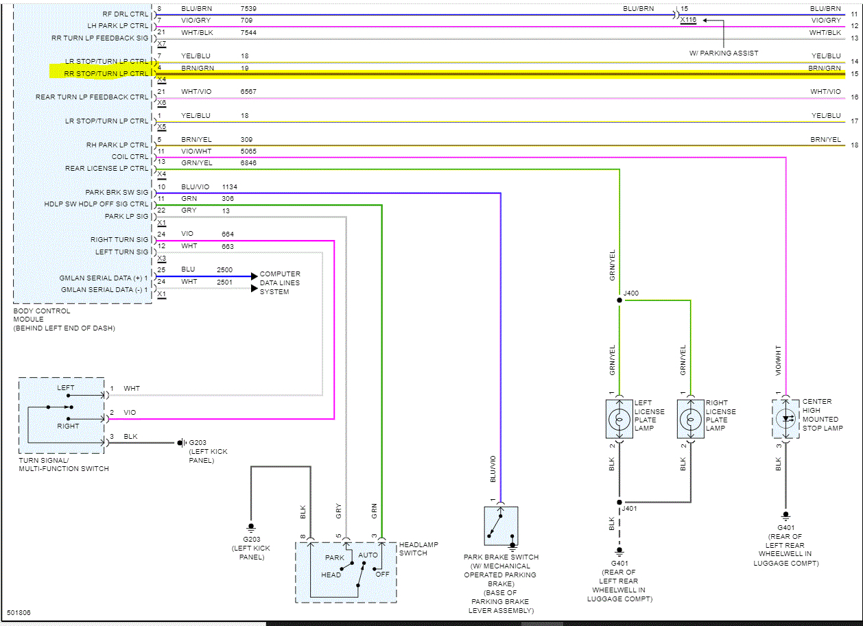
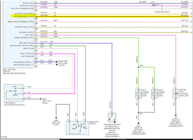
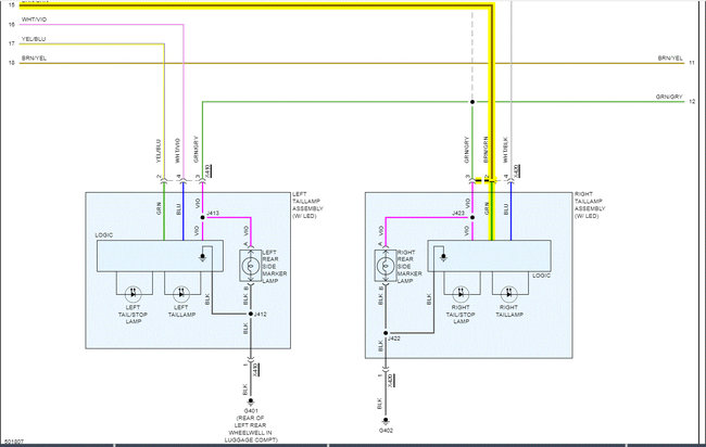
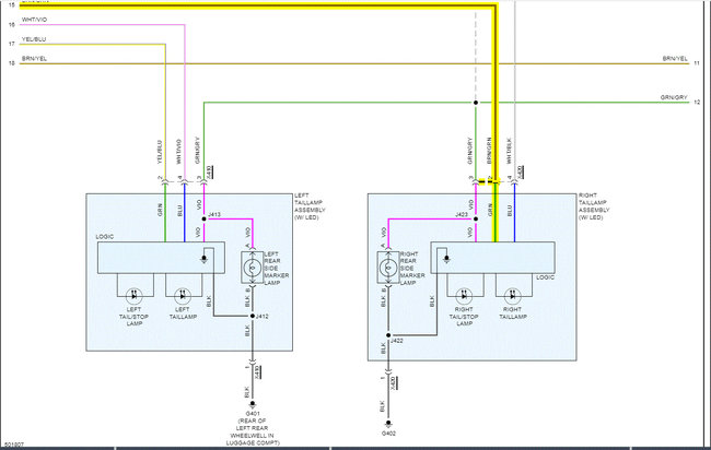
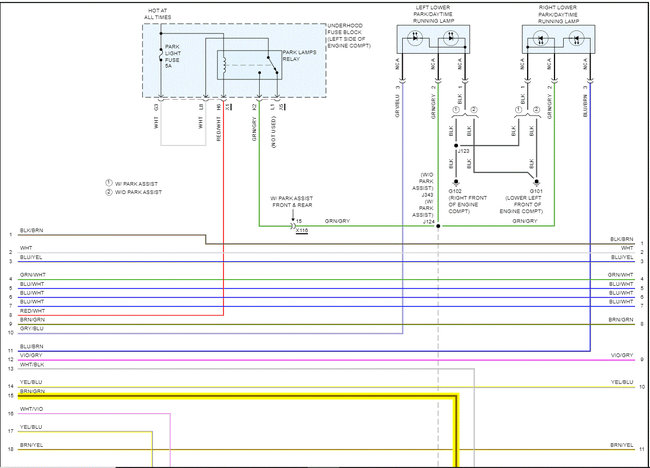
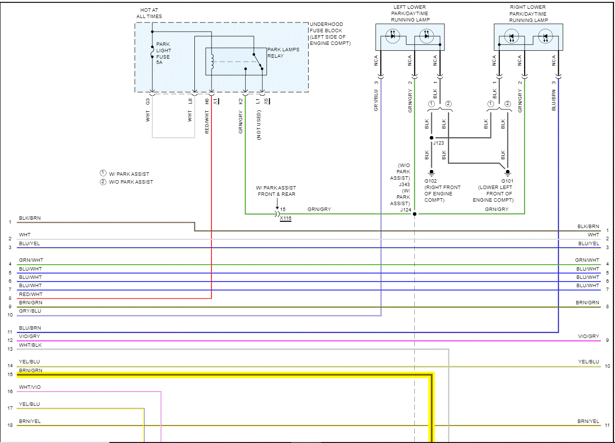
I looked through the wiring schematics for both the right rear signal and the left front headlamp. The only thing that ties them together is the body control module.

I attached a wiring schematic below of the signal lamps and highlighted the power supply for the right rear signal.

Since (at this point) I'm not seeing a correlation, I have a few questions.

First, does the right rear brake light work? Does the right front signal lamp work? When you turn the signals on, does the right-side flash really fast? Also, are both the high and low beams nonfunctional only on the left side? Are there any other lamps affected?

Since they both failed at the same time, they have different power supplies via the body control module, and different ground locations, either the BCM has failed or there is an issue with the connector.

If possible, have the CAN bus scanned to see if there are any codes stored in the body control module. CAN stands for controller area network. Basically, all the computers/modules are tied together via a few wires. This type of scan will retrieve codes regardless of the module storing them. Here is a quick video showing it being done.

https://youtu.be/InIlnsjOVFA

Let me know as much as you can that can help me diagnose the issue.

Take care,

Joe

See pics below.
Was this
answer
helpful?
Yes
No
Monday, November 22nd, 2021 AT 8:52 PM

Please login or register to post a reply.