Lighter replacement

Tiny
RON KRUZ
  • MEMBER
  • 1998 DODGE DAKOTA
  • 3.9L
  • 6 CYL
  • 2WD
  • AUTOMATIC
  • 89,000 MILES
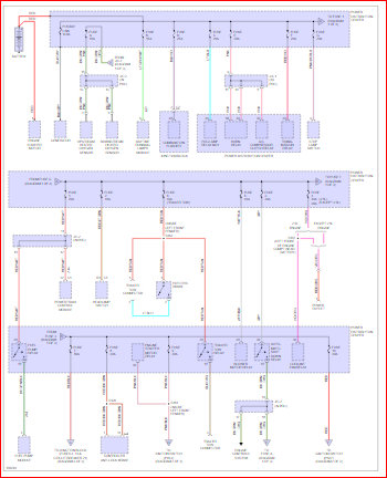
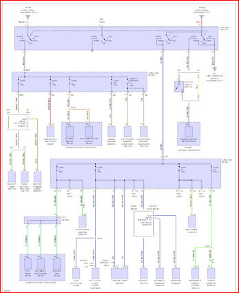
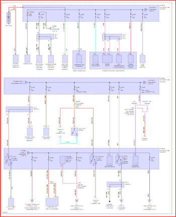
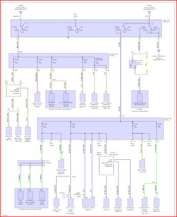
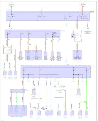
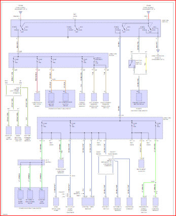
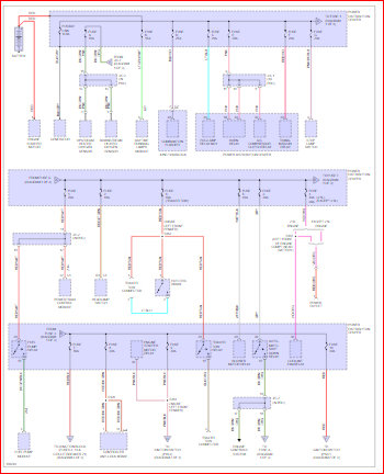
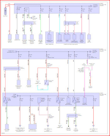
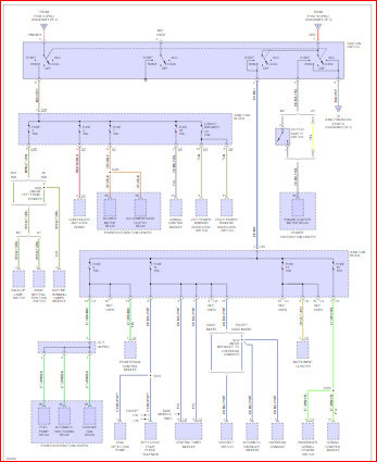
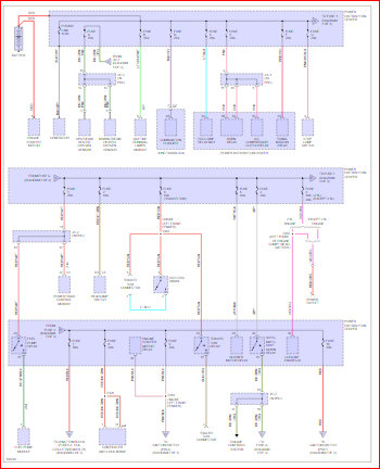
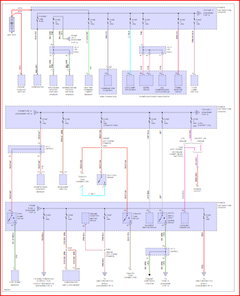
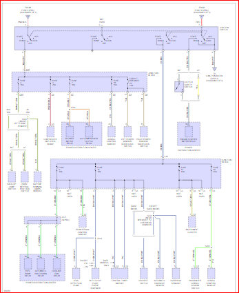
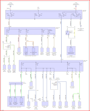
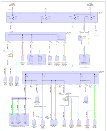
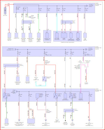
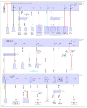
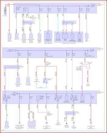
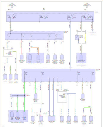
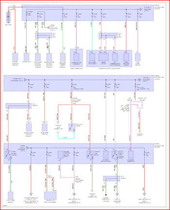
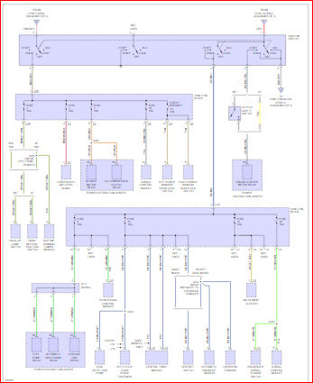
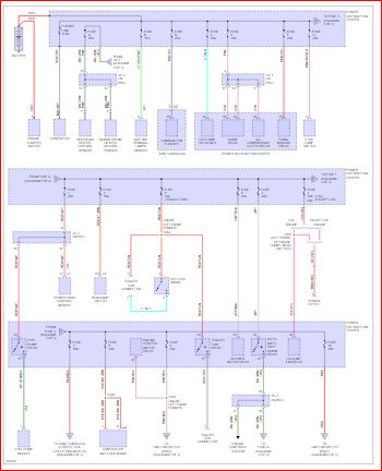
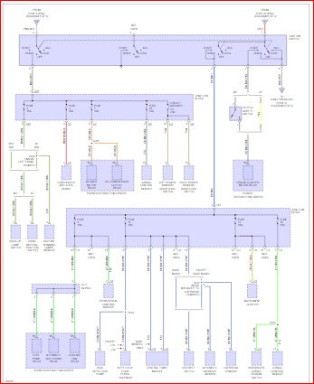
I need a detailed schematic on changing a cigarette lighter and holder fixture.
Saturday, July 7th, 2018 AT 11:45 PM

1 Reply

Tiny
DANNY L
  • MECHANIC
  • 5,648 POSTS
Hello, I am Danny.

I have attached pictures of wiring schematics for you regarding the cigarette lighter. Hope this helps and feel free to ask questions if you have any. Thanks for using 2CarPros. Com. Danny-
Was this
answer
helpful?
Yes
No
-1
Sunday, July 8th, 2018 AT 2:41 AM

Please login or register to post a reply.