Light problems

Tiny
JUAN RIOS2
  • MEMBER
  • 2013 CHEVROLET AVEO
  • 4 CYL
  • MANUAL
  • 85,000 MILES
Everything was fine one morning, and when I got to school I realized that the back lights were not turning off. The car was off and so was the light switch, so there was no reason for them to be on. I had to manually unplug them so the battery would not discharge, and right now I just noticed that the turning lights blink really fast, faster than normal. I do not know if that means anything.

Any suggestions?
Monday, April 3rd, 2017 AT 8:18 PM

2 Replies

Tiny
CARADIODOC
  • MECHANIC
  • 34,491 POSTS
If you unplugged entire assemblies, the flasher is running too fast because it sees the turn signal bulbs as being burned out. You need to specify which lights are staying on. If it was the brake lights, look for a small rubber or plastic cap that fell off the brake light switch, right above where your feet are, in the car.
Was this
answer
helpful?
Yes
No
Monday, April 3rd, 2017 AT 8:28 PM
Tiny
KEN L
  • MASTER CERTIFIED MECHANIC
  • 55,512 POSTS
Hello,

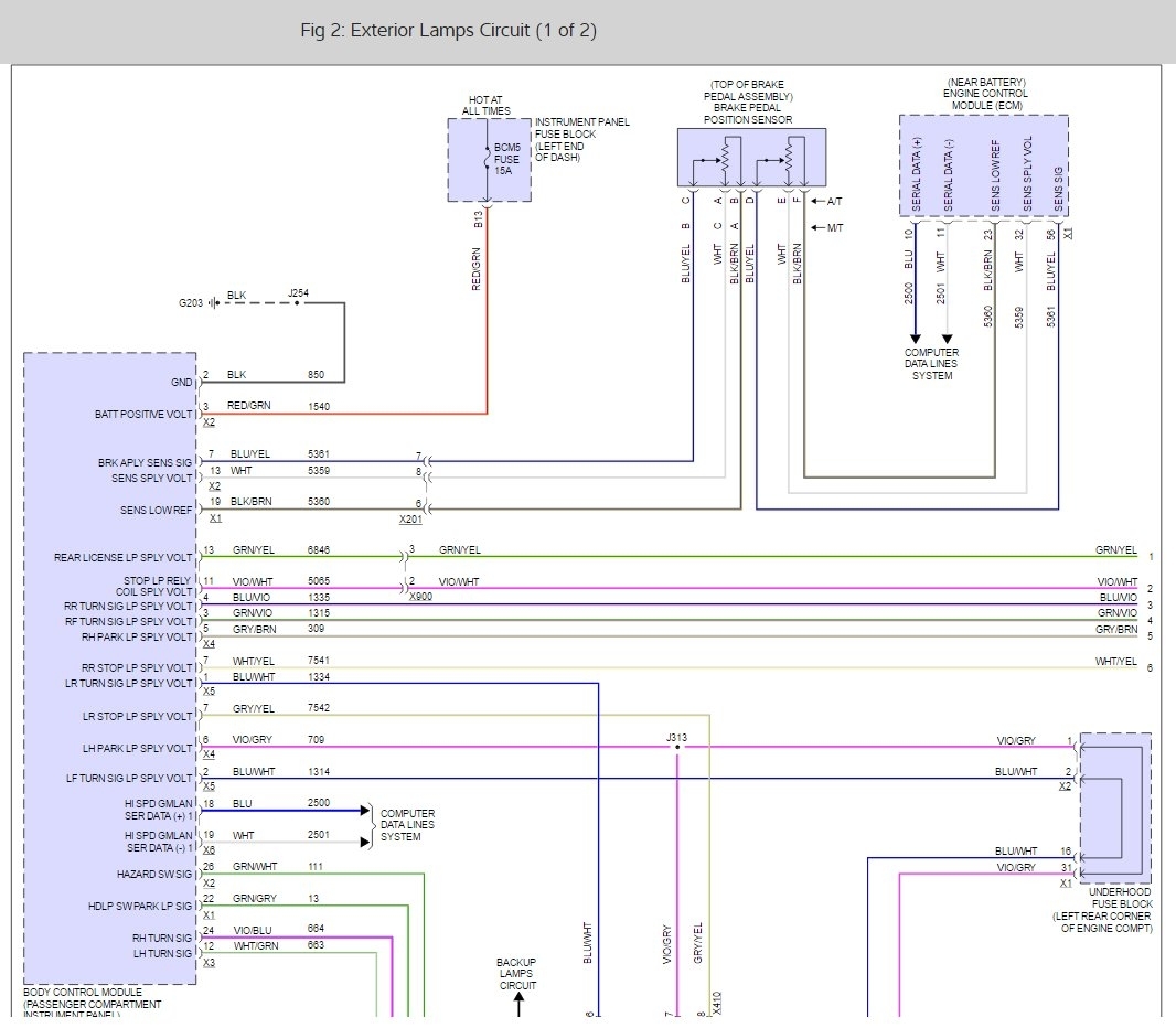
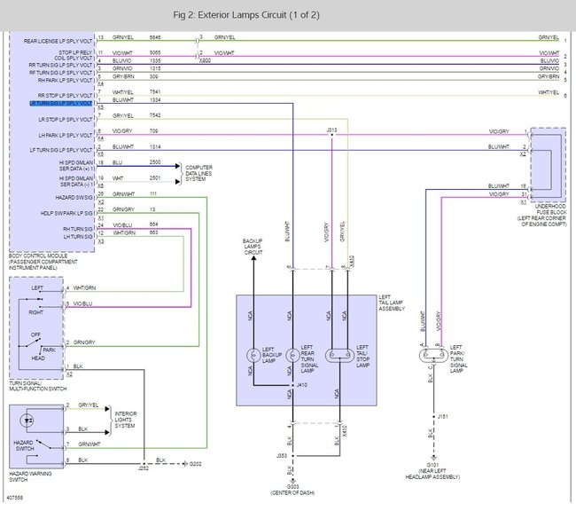
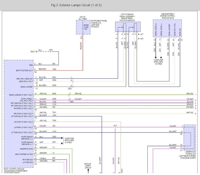
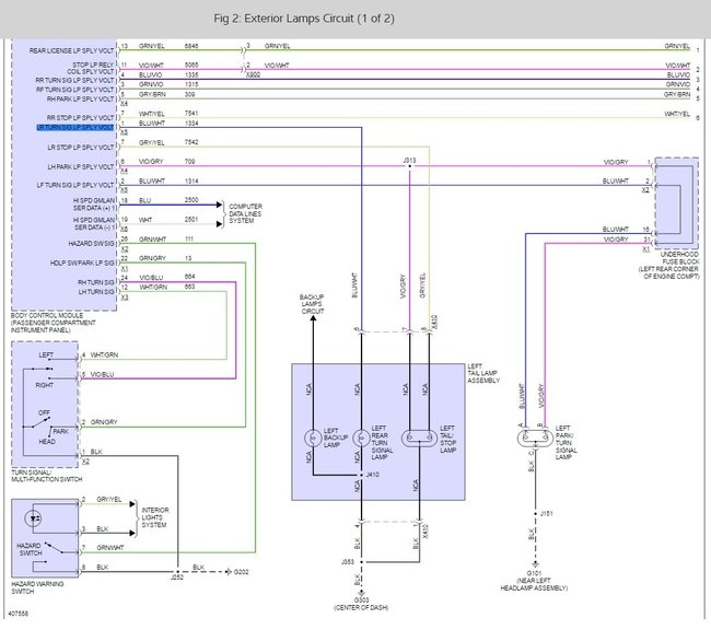
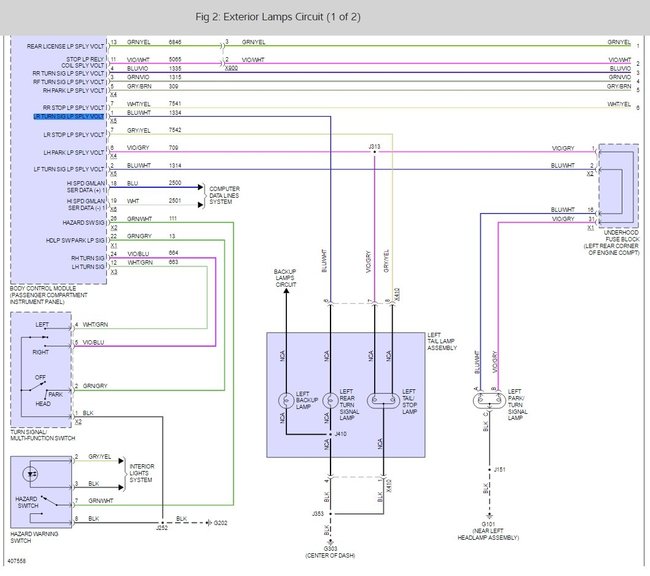
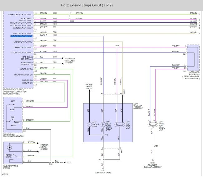
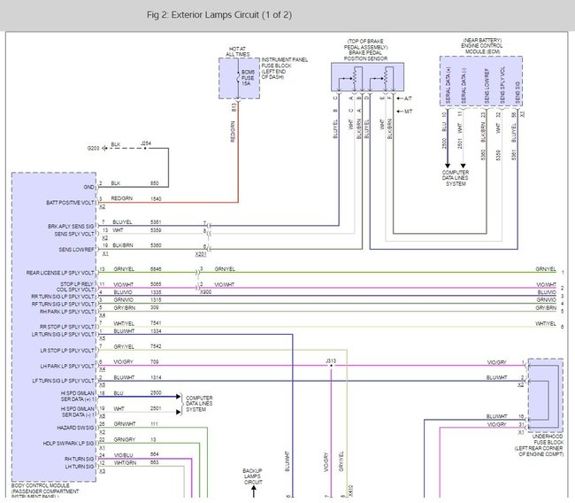
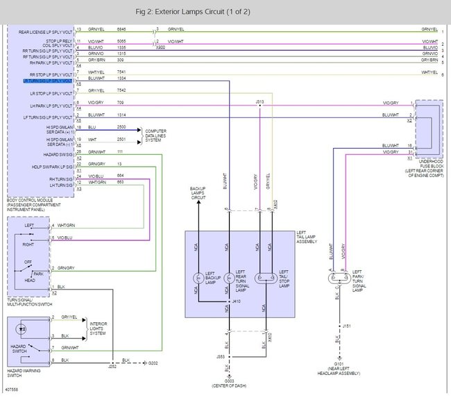
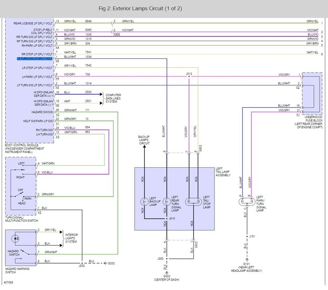
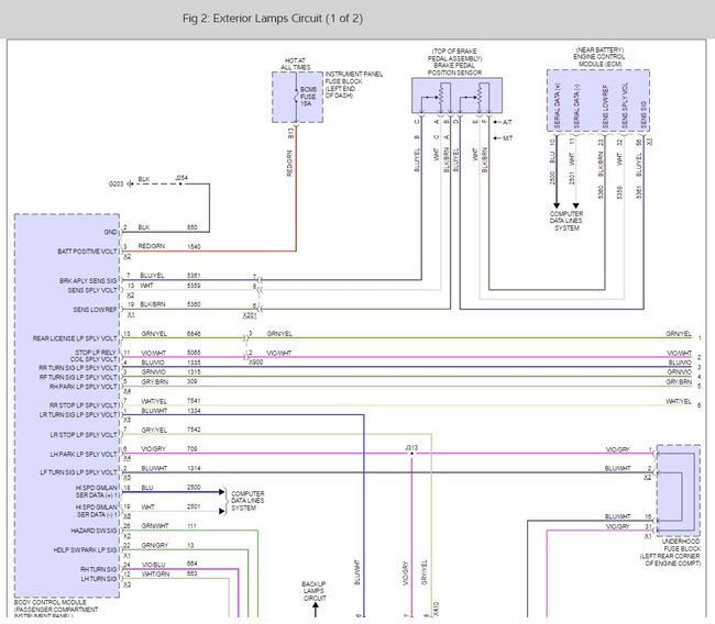
It seems like the BCM is having problems and the light driver is not opening the circuit. Here is a wiring diagram so you can see the power circuit. There is a not other reason I can think of that will cause the lights to stay on with the key off.

Please let us know what happens.

Best, Ken
Was this
answer
helpful?
Yes
No
Thursday, April 6th, 2017 AT 4:42 PM

Please login or register to post a reply.