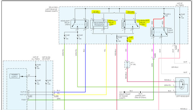
I read it might be a switch but didn't make sense as at least one low beam and high beam work at some point. The car turned on, so I think I ruled out the battery. Per above think the fuses are ruled out. I looked at the light in the front right light bulb is slightly blue tinted but appears intact and filament as well. Left headlight is clear and otherwise looks well. All lights behind a yellow cover seem to work so I didn't check those. Can't tell you what the left trunk or license light bulbs look like but excluding the license lights I think the bulbs are still good as when either turn signal are used the speed remains a slow pace indicating the light minus the reality should be working.
Friday, September 22nd, 2023 AT 2:52 PM


