Turn signal light not functioning

Tiny
BLESSING EWOBOR
  • MEMBER
  • 2003 TOYOTA RAV4
  • 4 CYL
  • 2WD
  • AUTOMATIC
  • 196,458 MILES
Hello, the vehicle turn signal light supposed to blinked for some seconds when the driver's door is open (as if the hazard lights were on). The right side are working properly (passenger side) when the driver's door is opened, both the front and back but the left side is not functioning (driver's side) both the front and back. If the turn signal or hazard light is on from the switch it will respond.
What could be the fault?
Sunday, September 27th, 2020 AT 7:15 PM

16 Replies

Tiny
JACOBANDNICKOLAS
  • MECHANIC
  • 110,192 POSTS
Hi,

I need to better understand what is happening.

The left signal turns on if the driver's door is open, correct? Is that with the key off? Also, I'm not sure what you mean when you say if the hazard or signal is on, it will respond. Do you mean if the key is off and the signal switch is on, the lights flash when you open the door?

_________________________

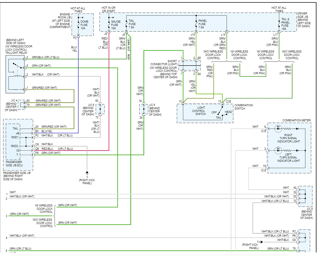
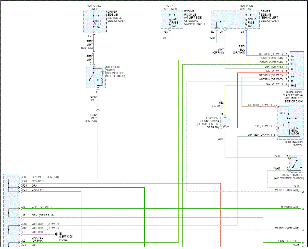
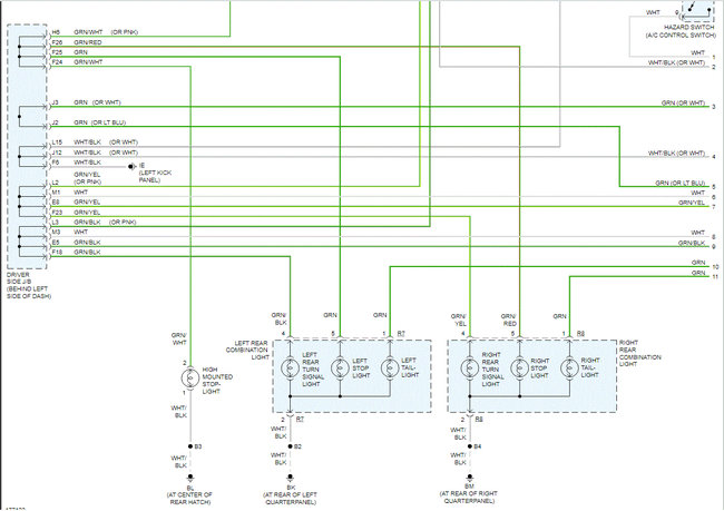
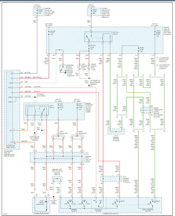
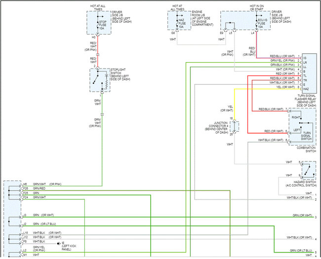
I am going to attach the entire exterior lighting wiring schematic. I'm not sure if you are comfortable reading through them, but take a look and see if it helps. Also, let me know if I am correct with what I said. If so, I will try to see where there could be an issue.

I overlapped the pics so you can easily follow them

Let me know.

Joe
Was this
answer
helpful?
Yes
No
Monday, September 28th, 2020 AT 6:01 PM
Tiny
BLESSING EWOBOR
  • MEMBER
  • 754 POSTS
What I mean initially was that the hazard light (that triangle symbol in between the dashboard) is functioning if engaged so the problem is not the bulb.
The left signal turn does not turn on when the driver's door is opened but the right do.
Was this
answer
helpful?
Yes
No
Monday, September 28th, 2020 AT 6:34 PM
Tiny
JACOBANDNICKOLAS
  • MECHANIC
  • 110,192 POSTS
Do the left work properly when the door is closed?

Joe
Was this
answer
helpful?
Yes
No
Monday, September 28th, 2020 AT 6:41 PM
Tiny
BLESSING EWOBOR
  • MEMBER
  • 754 POSTS
No.
Was this
answer
helpful?
Yes
No
Monday, September 28th, 2020 AT 6:53 PM
Tiny
JACOBANDNICKOLAS
  • MECHANIC
  • 110,192 POSTS
Okay, then it is the left side regardless of the door. I was getting confused.

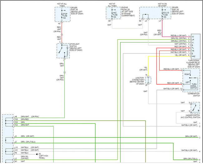
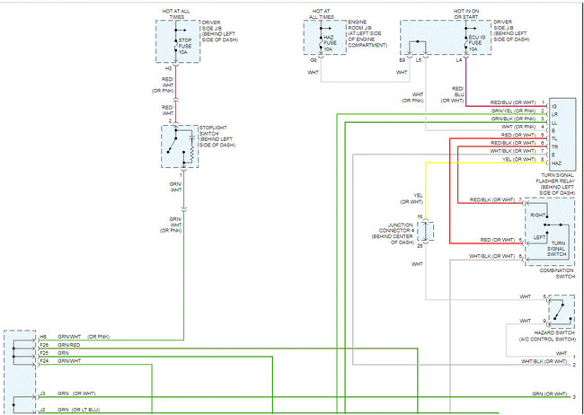
If the left doesn't work (front or rear) there is a good chance it is the switch itself. What you need to do is check the power at the switch. The schematic below shows the wire I need you to check. According to the schematic, the wire out will either be red or white. (See pic 1)

See if you get power to it when the key is on and the left signal is selected.

Let me know.

Joe
Was this
answer
helpful?
Yes
No
Tuesday, September 29th, 2020 AT 6:51 PM
Tiny
BLESSING EWOBOR
  • MEMBER
  • 754 POSTS
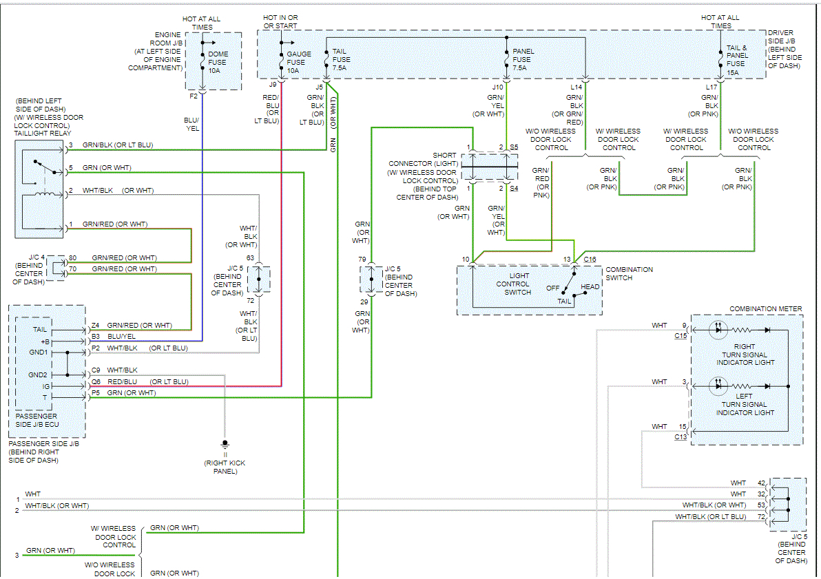
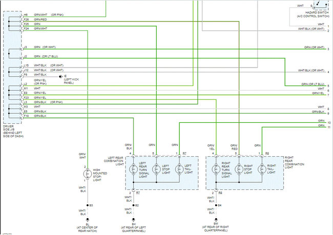
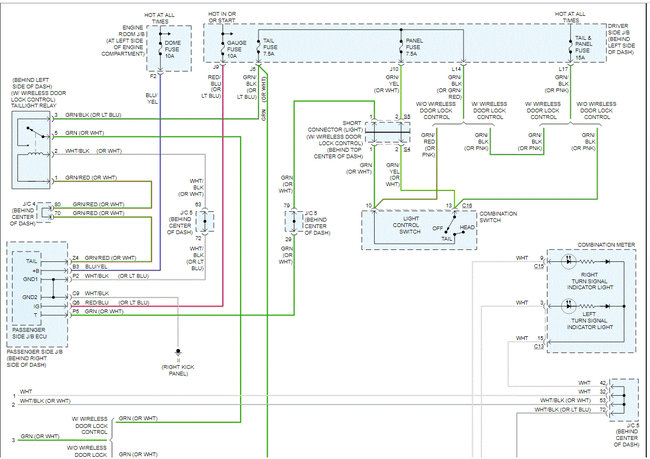
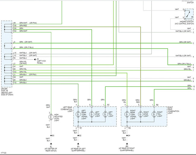
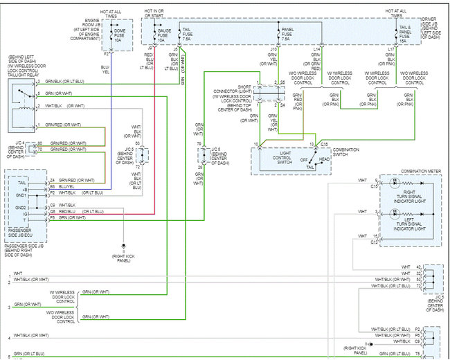
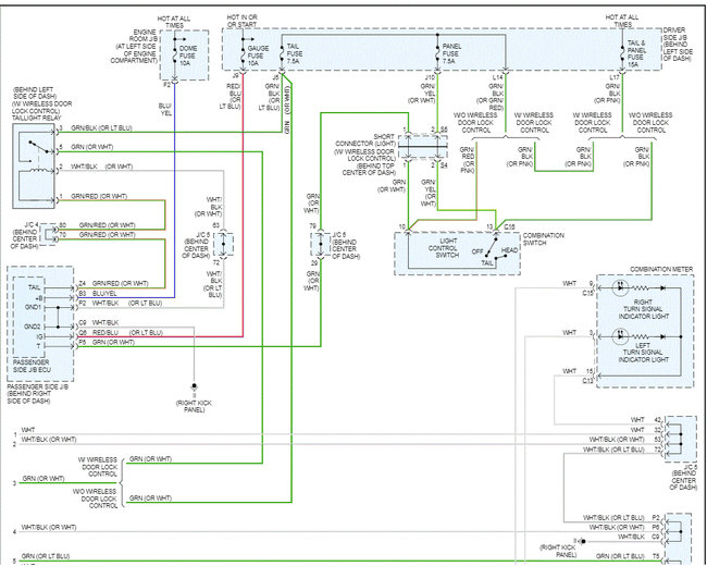
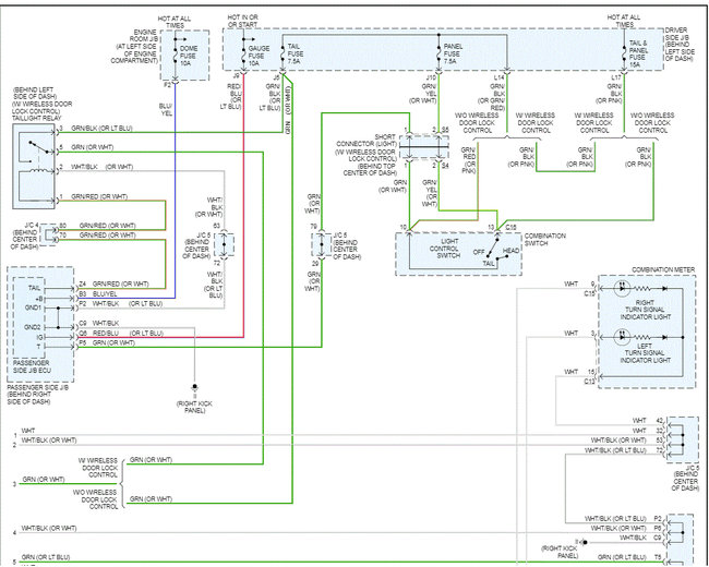
Good morning, please could you help trace the flow of current for the number 3 diagram you sent earlier for without and with wireless door lock control?
Was this
answer
helpful?
Yes
No
Monday, October 19th, 2020 AT 6:45 PM
Tiny
JACOBANDNICKOLAS
  • MECHANIC
  • 110,192 POSTS
Hi,

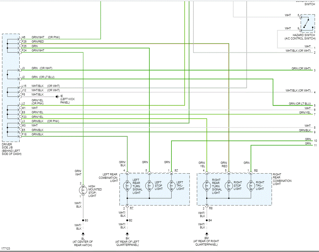
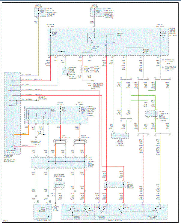
I attached four pics below. They show the entire exterior lighting system (wiring schematic). I had to cut the pics in half to make them more readable, but I did overlap them so you can follow them easier.

Let me know if this helps.

Joe
Was this
answer
helpful?
Yes
No
Monday, October 19th, 2020 AT 8:20 PM
Tiny
BLESSING EWOBOR
  • MEMBER
  • 754 POSTS
Thank you.
Was this
answer
helpful?
Yes
No
Monday, October 19th, 2020 AT 8:25 PM
Tiny
BLESSING EWOBOR
  • MEMBER
  • 754 POSTS
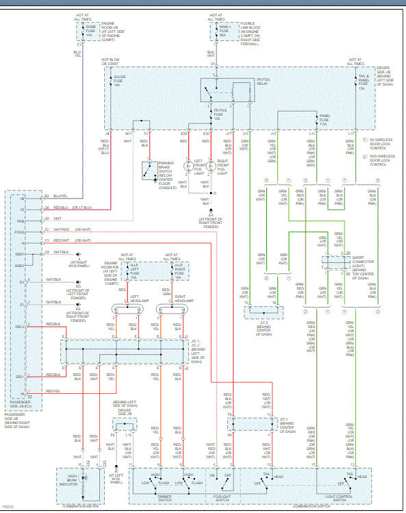
From the diagram, the parking light is it the same as the main head light?
Was this
answer
helpful?
Yes
No
Monday, October 19th, 2020 AT 8:28 PM
Tiny
JACOBANDNICKOLAS
  • MECHANIC
  • 110,192 POSTS
Hi,

The headlamps aren't on that schematic, so I'm a bit confused.

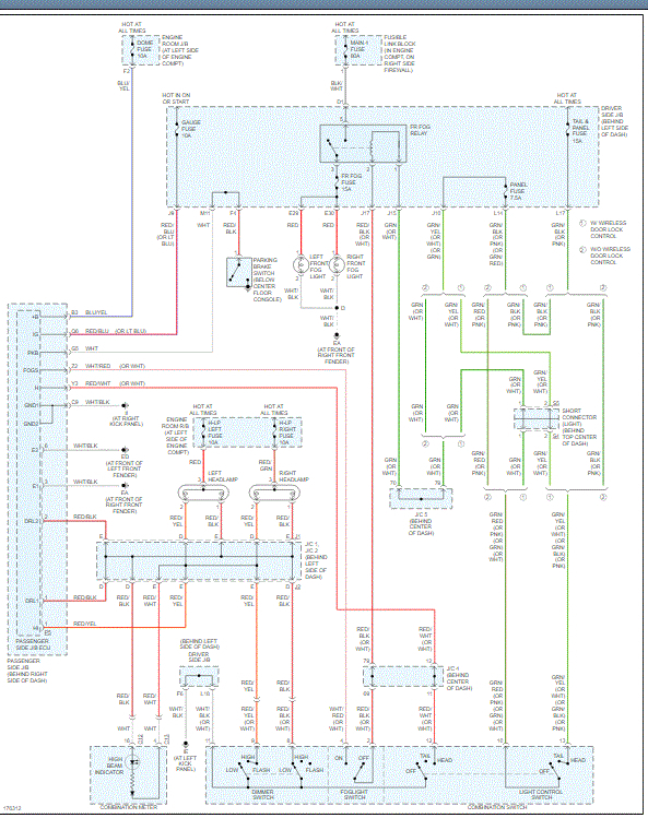
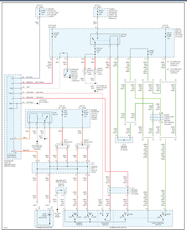
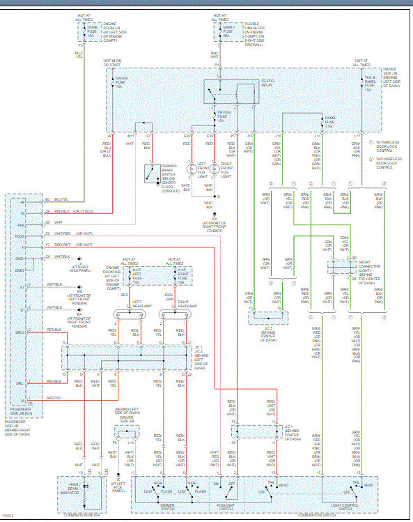
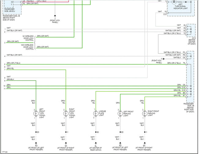
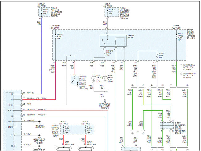
I attached two pics below showing the headlamp schematics. Note that pic 1 is with DRL and pic 2 is without DRL.

Let me know if this helps.

Joe
Was this
answer
helpful?
Yes
No
Monday, October 19th, 2020 AT 8:35 PM
Tiny
BLESSING EWOBOR
  • MEMBER
  • 754 POSTS
Thank you very much both will be helpful but I want you to cut them so that I can see them clearly, they are some how blur. Sorry for the inconveniences.
Was this
answer
helpful?
Yes
No
Monday, October 19th, 2020 AT 8:59 PM
Tiny
JACOBANDNICKOLAS
  • MECHANIC
  • 110,192 POSTS
Pics 1 and 2 are with DRL (daytime running lights).

Pics 3 and 4 are non-DRL.

Let me know if that helps.

Joe
Was this
answer
helpful?
Yes
No
Monday, October 19th, 2020 AT 9:37 PM
Tiny
BLESSING EWOBOR
  • MEMBER
  • 754 POSTS
Thank you, the light are now functioning properly. I was disconnecting the fuse one after the other, until I saw the exact fuse that control it. The fuse was okay anyway, I just cleaned the contact point and fixed it back, the fuse is a big fuse (among those fuses under the dashboard at the driver's side) unlike those ones in the fuse box, it's blue in color and it is connected with thick wire (red color). I would have shown it on the diagram but I couldn't find it, I don't know if it is part of Antitheft system.
Was this
answer
helpful?
Yes
No
Friday, October 23rd, 2020 AT 8:02 PM
Tiny
JACOBANDNICKOLAS
  • MECHANIC
  • 110,192 POSTS
If it is a heavy gauge wire, it sounds like it is a power supply to several fuses. Is everything working now?

Joe
Was this
answer
helpful?
Yes
No
Friday, October 23rd, 2020 AT 9:25 PM
Tiny
BLESSING EWOBOR
  • MEMBER
  • 754 POSTS
Yes, everything is working now. I wished I knew where the fuse is coming from.
Was this
answer
helpful?
Yes
No
Sunday, October 25th, 2020 AT 7:26 PM
Tiny
JACOBANDNICKOLAS
  • MECHANIC
  • 110,192 POSTS
Hi,

Is it possible for you to upload a couple of pics of the fuse you are referring to? Hopefully, I will be able to identify it.

Let me know.
Joe
Was this
answer
helpful?
Yes
No
Sunday, October 25th, 2020 AT 7:49 PM

Please login or register to post a reply.