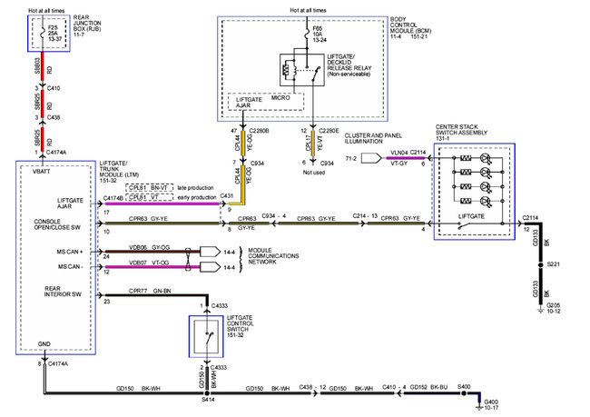
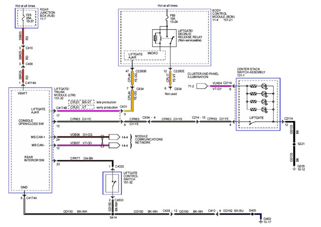
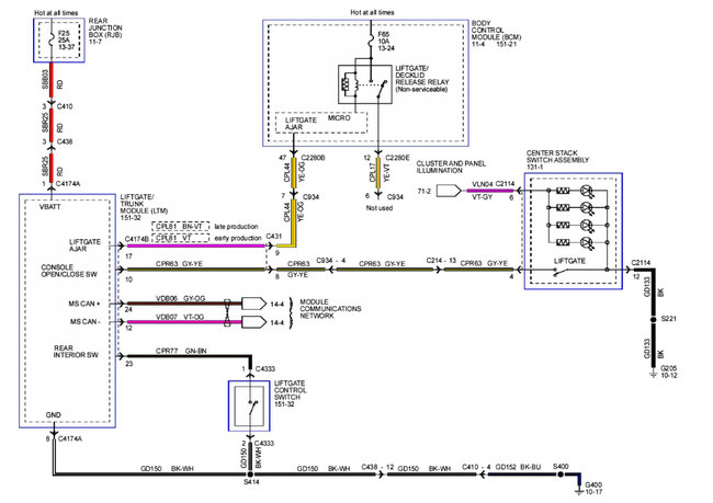
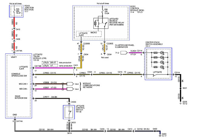
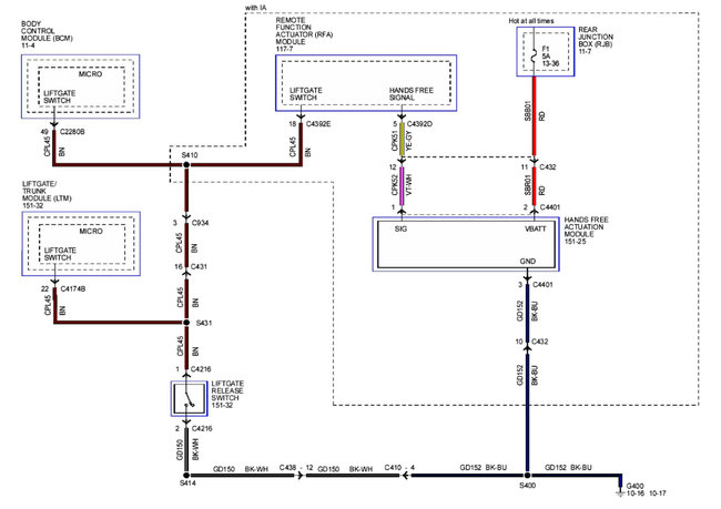
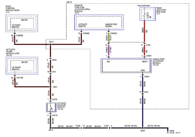
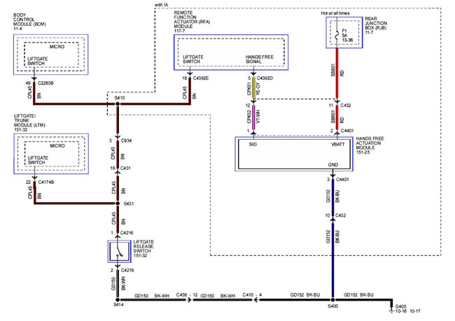
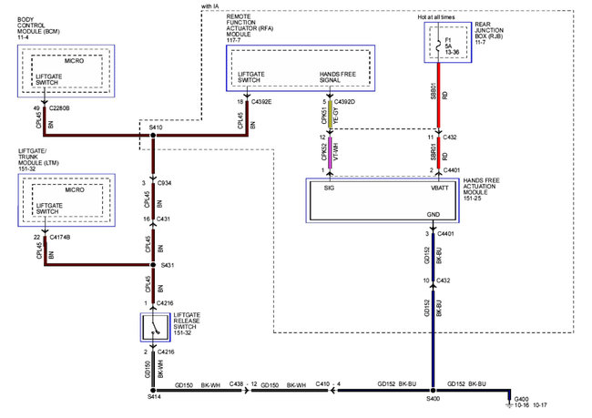
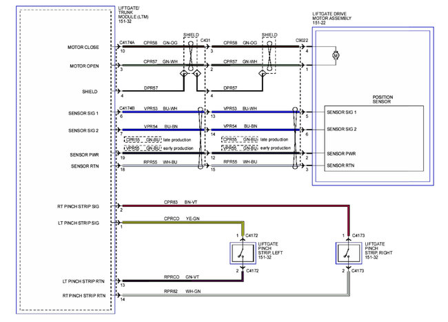
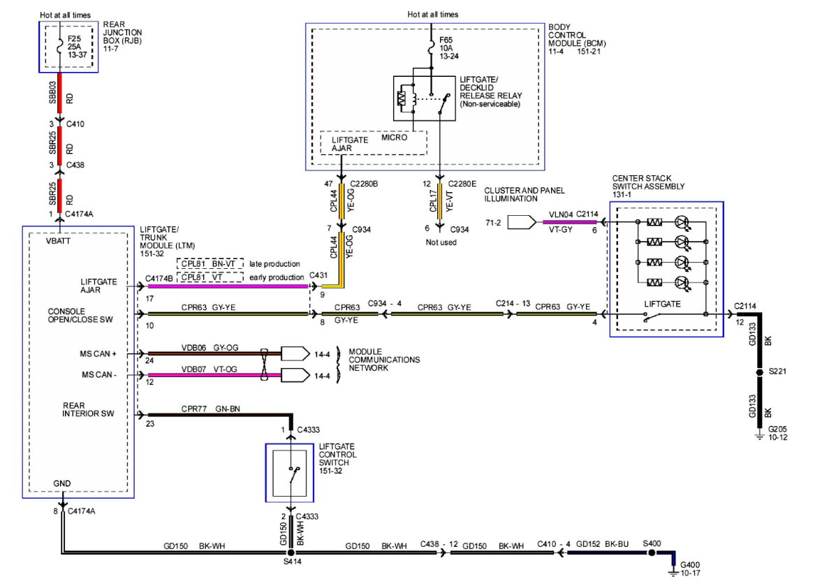
Monday, February 4th, 2019 AT 12:09 PM
The lock we can hear when unlocked but it doesn't. We try from the inside of panel but it is like the second lock doesn't release.












