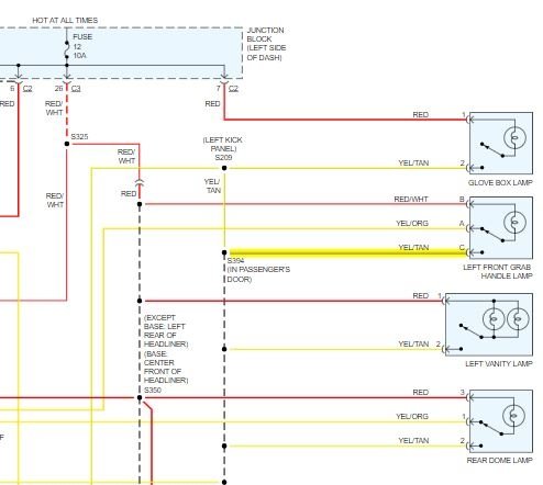
Tuesday, January 1st, 2019 AT 1:13 AM
My lift-gate light is on I want to find the fuse or fuses where are they exactly at when looking at the fuse box under the hood and else where?




