Monday, October 14th, 2019 AT 7:28 AM
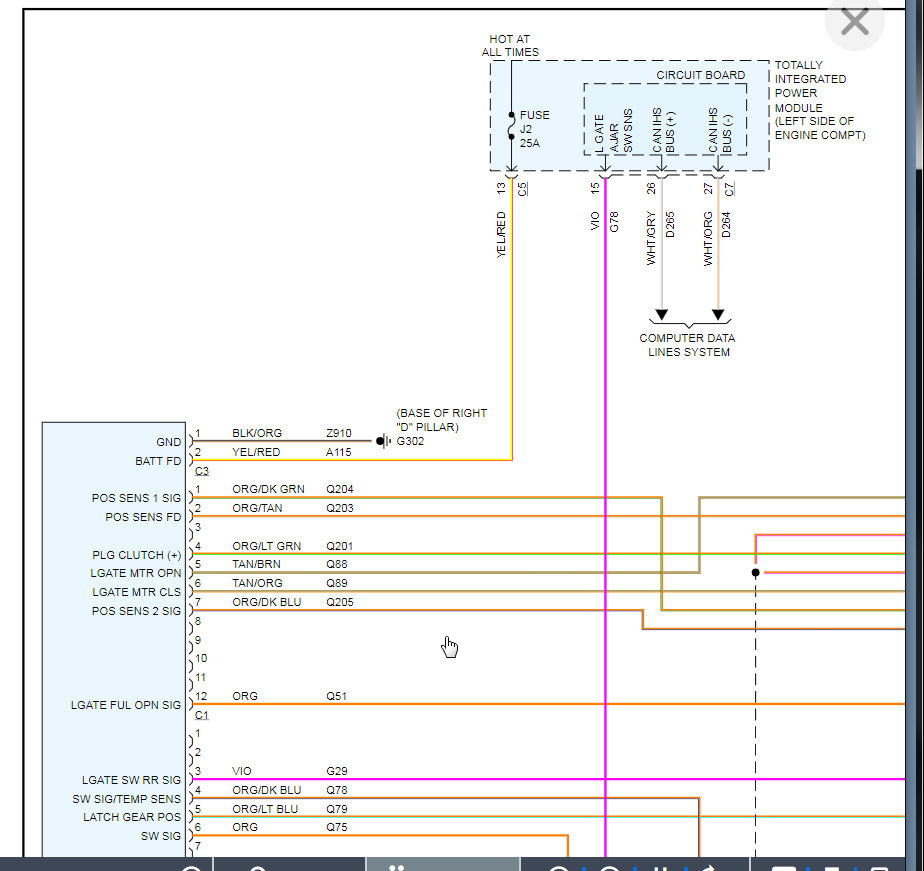
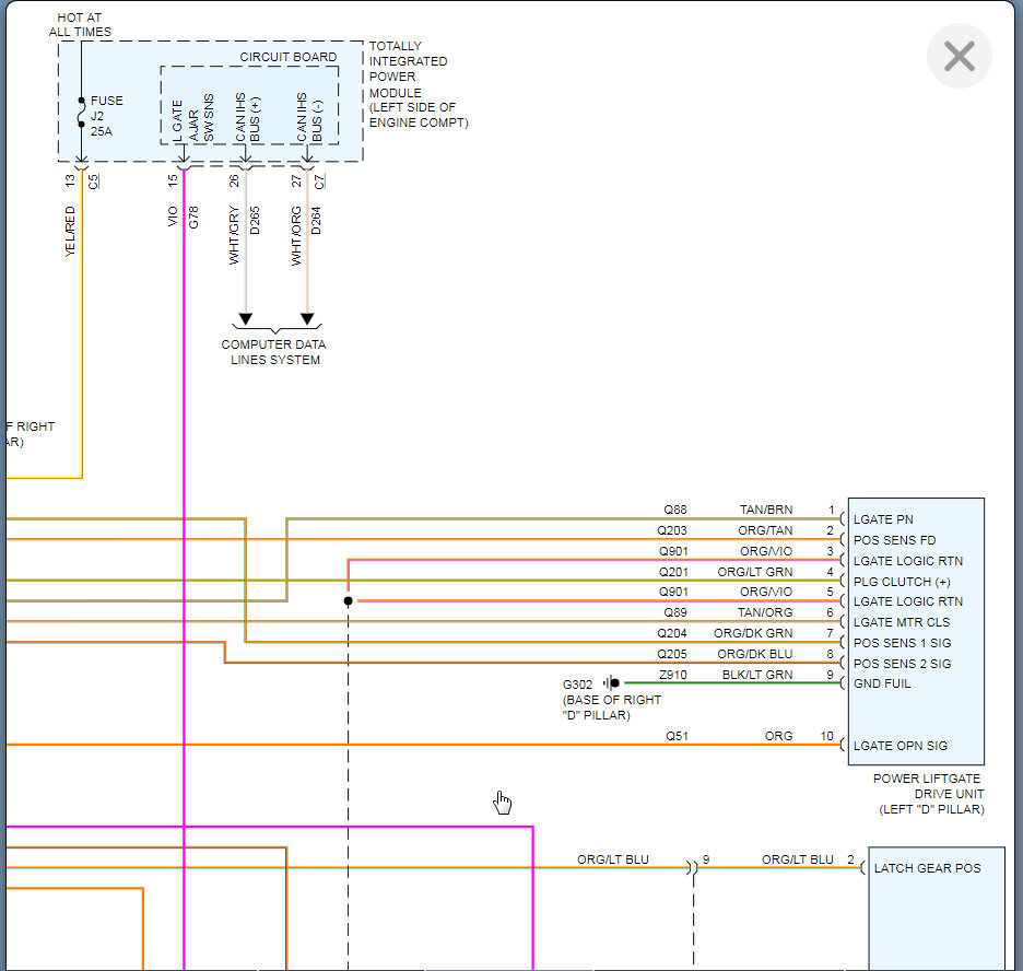
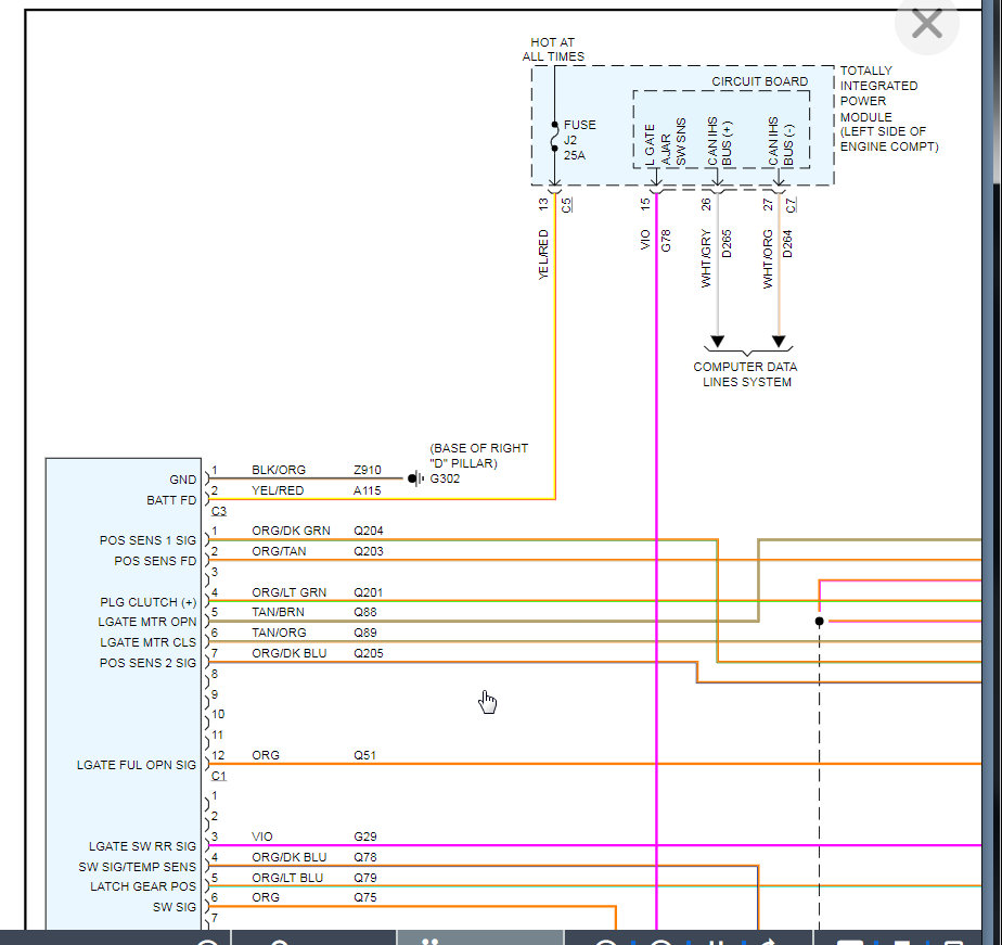
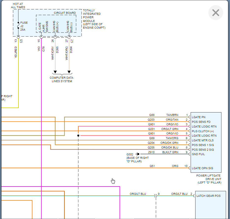
No response from key fob or from console buttons. Lock doesn't seem to actuate, press key fob from outside no taillight flash or chime. I have opened it manually through the access panel and I did replace the latch mechanism with another used latch after finding switch on latch with high resistance. Leaning now towards pinch sensors. Did check lift-gate module in fuse box looked okay. Any input helpful.




