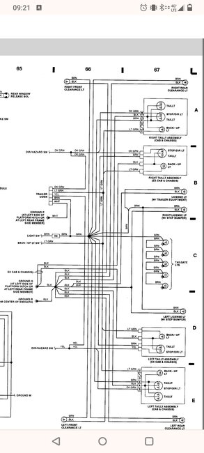
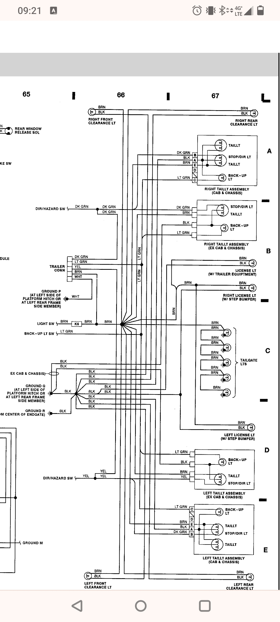
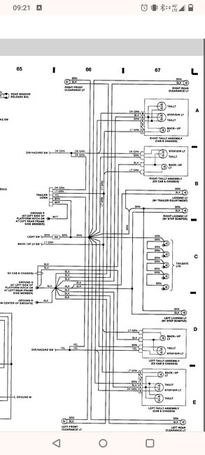
Monday, June 17th, 2024 AT 12:59 AM
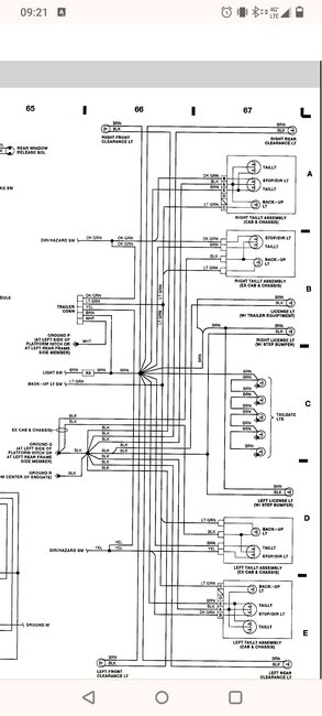
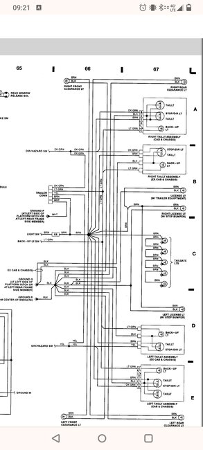
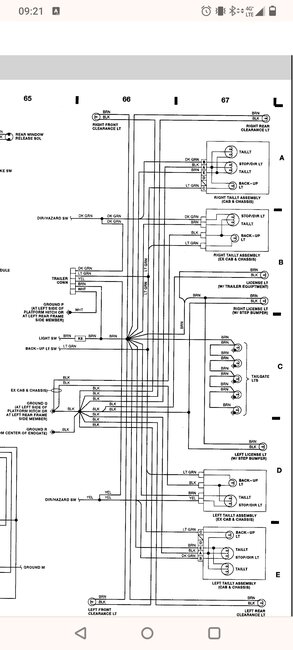
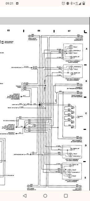
The wire to my license plate light bulbs is broken. It looks like someone tried to splice them using butt connectors but know I can’t tell what they connect to.




