Tuesday, September 19th, 2023 AT 6:44 PM
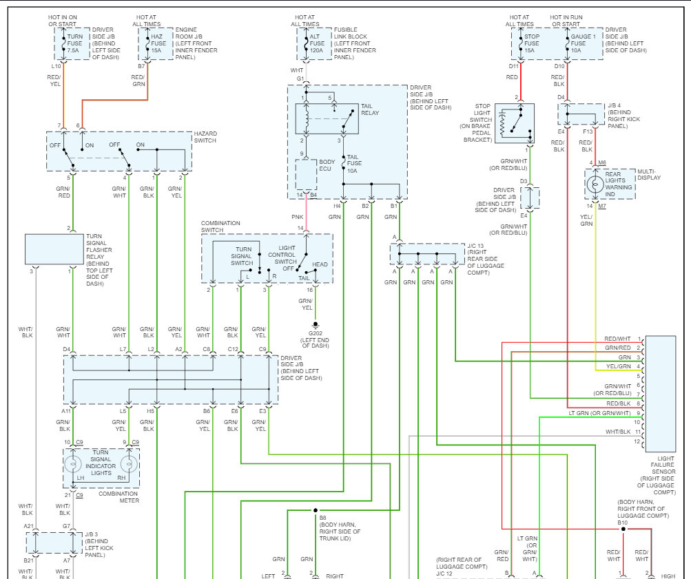
My car listed above XLS model, turn signal stop working on the rear driver side but the right rear, and both front signals work, I checked the bulb socket with a meter and no voltage is present. Could my flasher be bad?




