Wednesday, December 4th, 2019 AT 7:20 AM
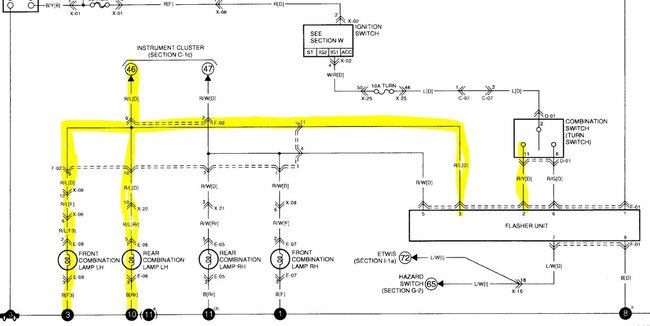
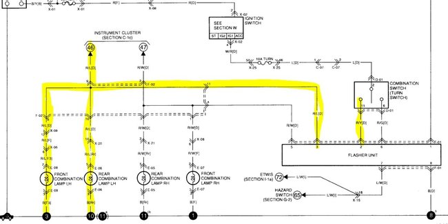
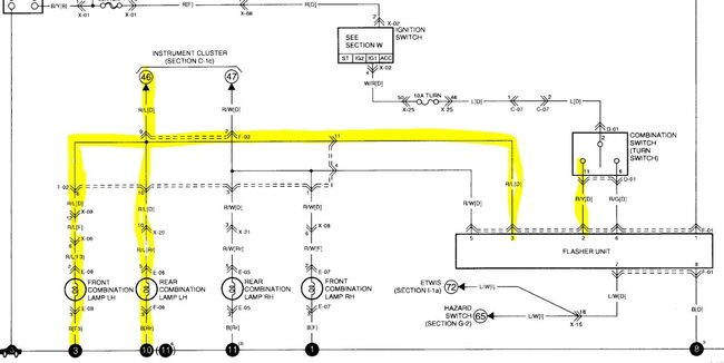
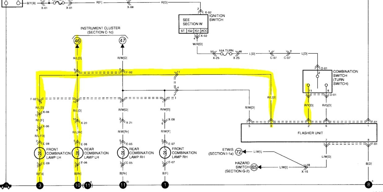
Hi my name is Jeffery Lewis. I am reaching out for help to try and figure out what my car’s problem is so I can take it for an inspection. My left turn signal doesn’t work most of the time. Then occasionally it does but not very often. When I hit the left turn signal I can hear the flashers clicking but no green arrow on the instrument clusters also neither the front or the back light blinks. Bulbs are good I put brand new ones in there also to double check. I also don’t know where the flasher relay is on my listed above 4 gear automatic Any help would be greatly appreciated. Thanks to anyone that can help.


