Left running light and license plate lights not working

Tiny
LAURENH05
  • MEMBER
  • 2004 GMC CANYON
  • 3.5L
  • 4WD
  • AUTOMATIC
  • 307,000 MILES
Just purchased this truck and had no idea that the left side running, and license plate lights do not work. There was an aftermarket trailer package added all fuses were checked and good replaced all the bulbs. Reverse, brake, and turn signals all work just the running lights on the left side as well as the license plate lights do not work.
Tuesday, October 26th, 2021 AT 4:17 PM

1 Reply

Tiny
JACOBANDNICKOLAS
  • MECHANIC
  • 110,194 POSTS
Hi,

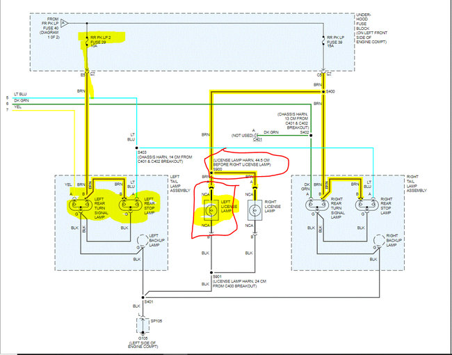
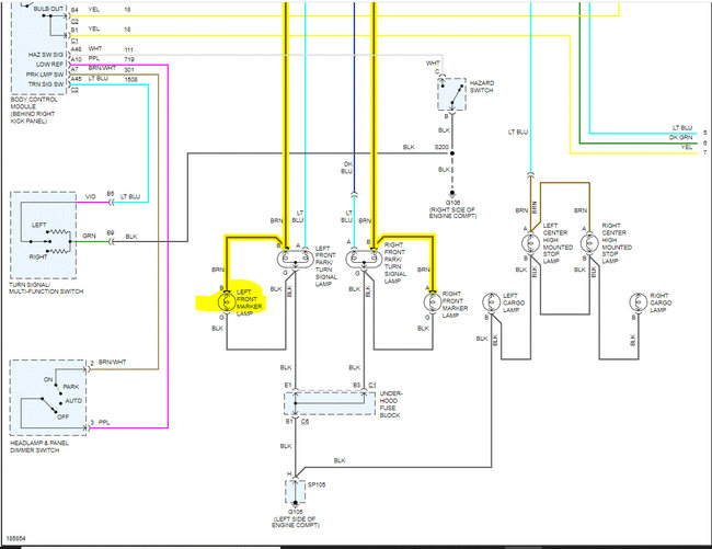
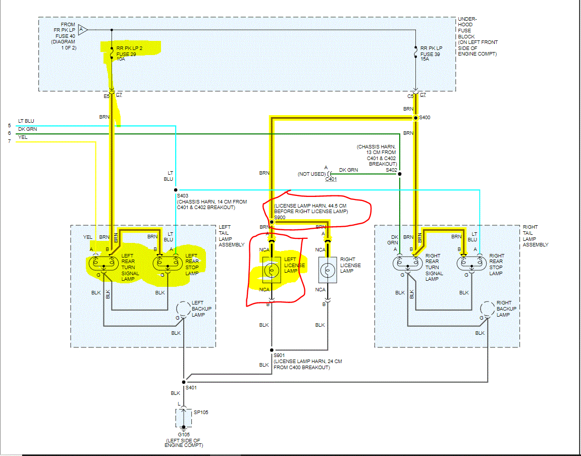
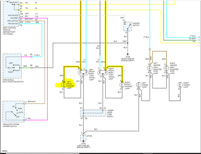
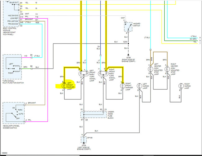
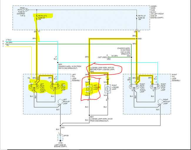
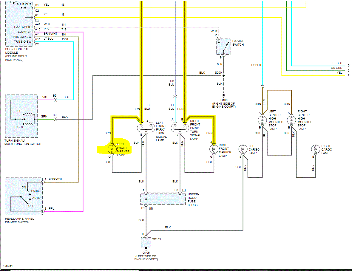
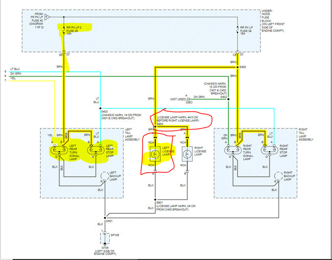
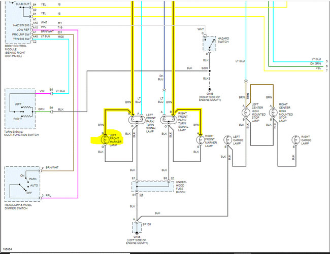
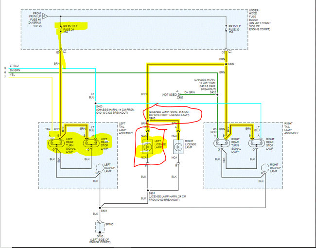
Have you inspected the aftermarket trailer wiring plug where it is connected? I ask because the left license plate powers from the same source as the right side.

I attached the wiring schematic below for the exterior lighting. What we need to do is this. Start at one of the left side parking lights and locate the brown wire. Check it for power.

I also noticed several different fuses tied into the parking lamps. I highlighted them in the schematic. Recheck them. When doing so, confirm there is power to and from them. Here is a link you may find helpful:

https://www.2carpros.com/articles/how-to-check-a-car-fuse

Also, I noticed that the right license plate lamp shares the same ground, so we know the ground is good, unless the wire to those lights is broken.

I also want you to check a splice for me. Since the right license plate light works, the left should as well. Look under the bumper and follow the wire from the left bulb to where it splices with the right. Confirm that the splice isn't damaged.

Let me know what you find. Also, the schematics were two pages long. I had to cut them in half to make them readable for you. I did overlap them so you can follow from one to the next. I also highlighted the wiring related to the parking lamps.

Take care and I'll watch for your reply.

Joe

See pics below.
Was this
answer
helpful?
Yes
No
Tuesday, October 26th, 2021 AT 8:36 PM

Please login or register to post a reply.