Tuesday, July 16th, 2019 AT 1:29 PM
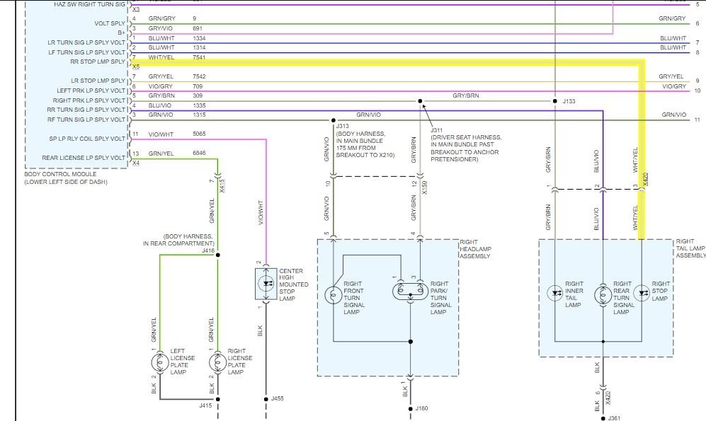
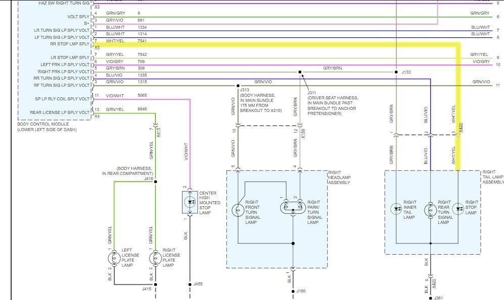
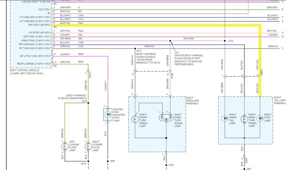
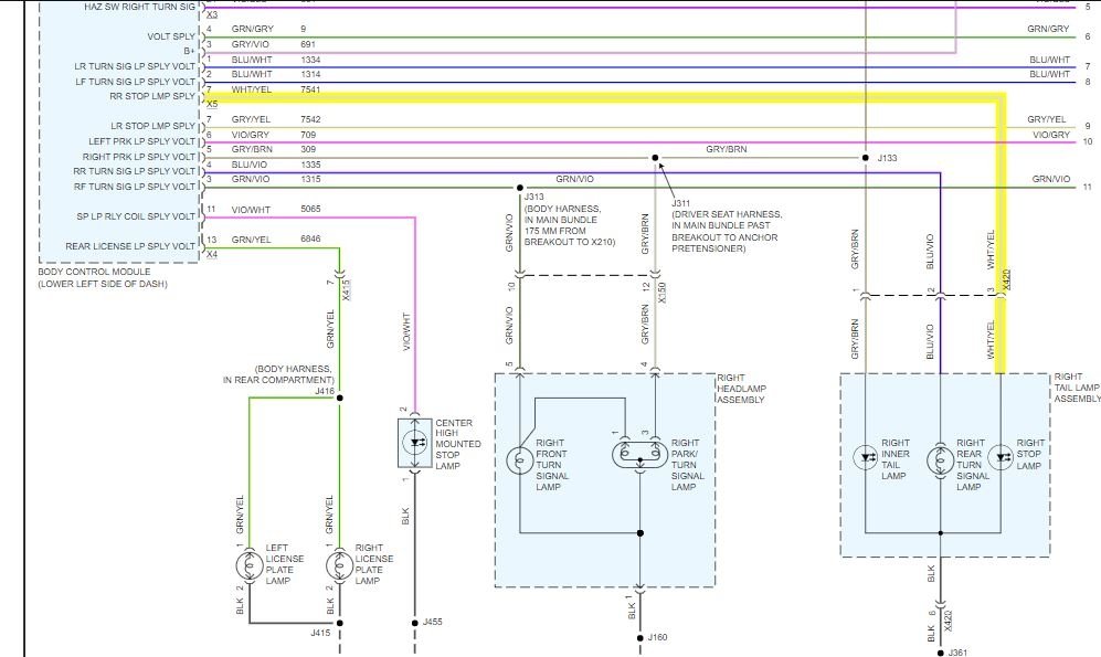
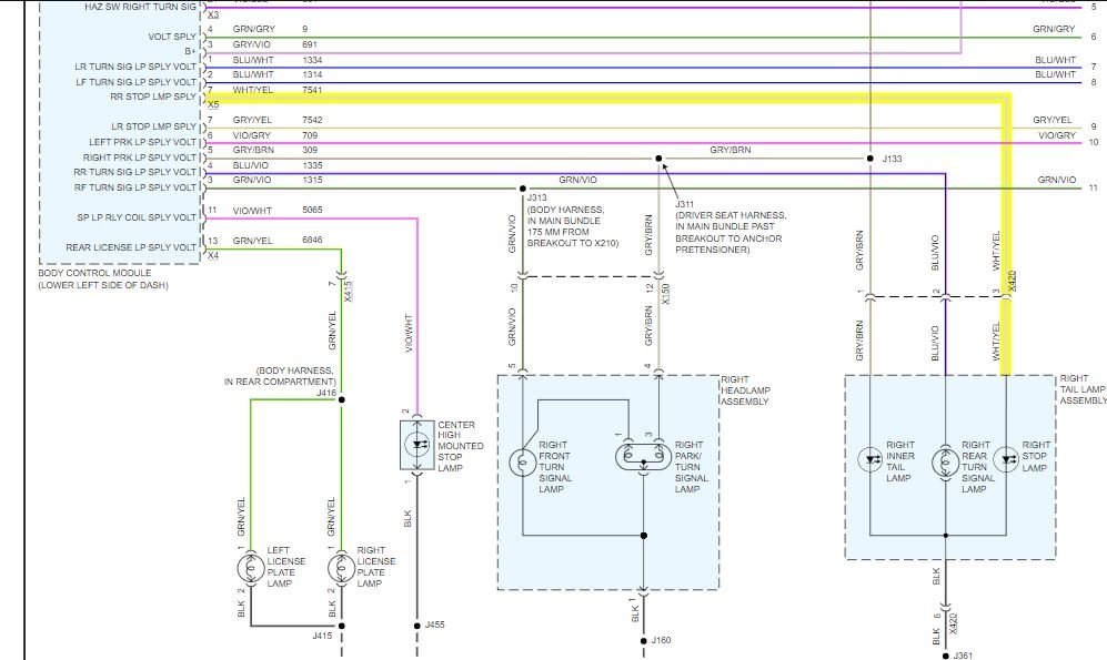
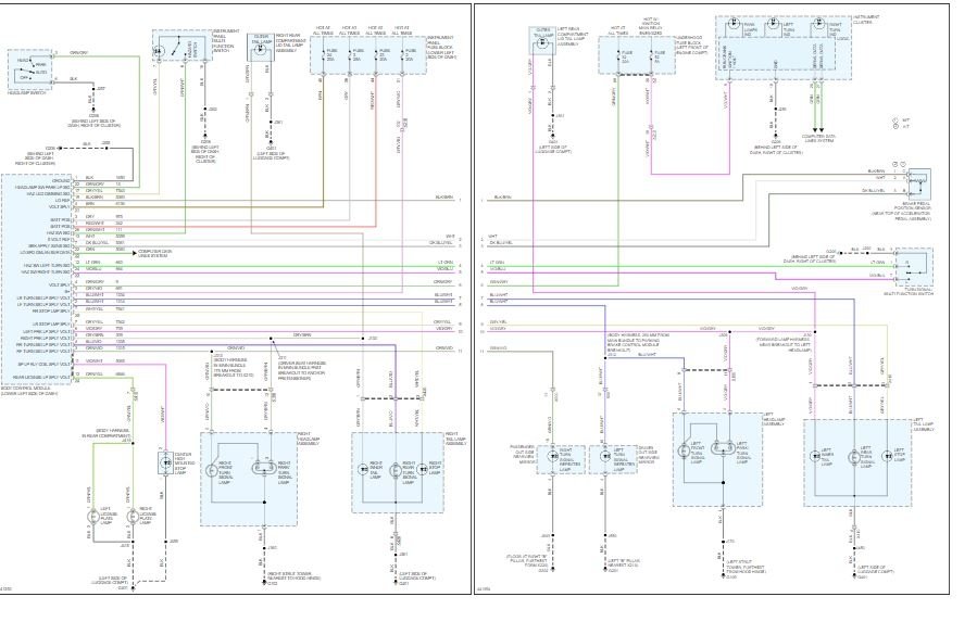
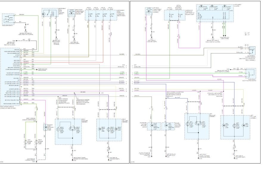
The right rear brake light works fine, but the left rear is not working. I have changed the bulb, with no help. I put the bulb from the right to the left and all bulbs work. The left rear brake light just won't come on. Turn signals and all other functions work, just no left rear brake light. I don't know what else to check. Do you have any ideas?



