Left brake light not working?

Tiny
BLUEDOT
  • MEMBER
  • 2011 FORD F-150
  • 5.0L
  • V8
  • 4WD
  • AUTOMATIC
  • 150,000 MILES
I've replaced the left rear brake light with a new bulb. When you open the driver's door it comes on with all of the other lights but when you press the brake or use the turn signal it doesn't work. The left front and mirror turn signals are working and I've checked the fuses which were good.
Thursday, August 25th, 2022 AT 8:23 AM

1 Reply

Tiny
AL514
  • MECHANIC
  • 5,597 POSTS
Hello, this is a tough circuit to diagnose. These turn and brake lamps are all driven electronically by the Body Control Module, which in turn activates the turn or brake lights by powering up a chip called a Mosfet. So, if the Mosfet has shorted out and burned up unfortunately it's built into the Body Control Module. But we will give you an idea of what might be happening here. The first thing, do any other lights come on when you open the driver's door that should not come on? And I'm going to have you do a quick test to see if the circuit is being powered up by another circuit, or if this is acting strange because of a bad Ground location.
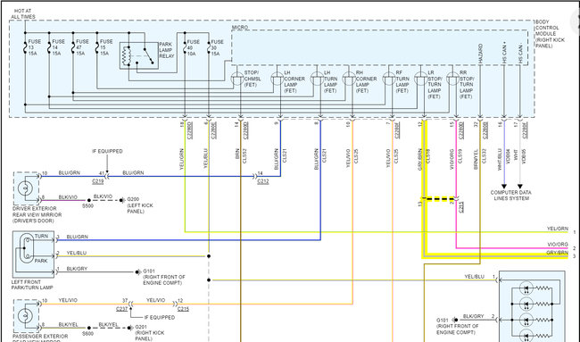
The first diagram is the Body control module and some fuses that feed the exterior lights, Fuse 14 feeds the driver side front turn signal and also the left rear turn/stop lamp circuit, so pull that fuse 14 and see if the rear left brake light comes on. If it does, then we know it's being powered up by another circuit, or possibly being back fed on a ground circuit.

The 2nd and 3rd diagram are the left rear turn/brake lamp circuit, also I noticed that the diagram shows that there are 2 left rear turn/brake lamp circuits. Is this correct? And are the Park(tail) lights working correctly on that side?

Okay, one other thing, there is a Recall on the Body Control Module for certain build dates of the 2011 f150. There seems to be an issue where the BCM can short out internally and possibly catch fire. So, you might be able to get a free BCM through this Recall, this is something you may want to look into before we even mess around with any of the BCM connectors or circuits. If they see it's been tampered with, they might not replace it. (Diagrams 4 and 5)
Was this
answer
helpful?
Yes
No
Thursday, August 25th, 2022 AT 1:09 PM

Please login or register to post a reply.