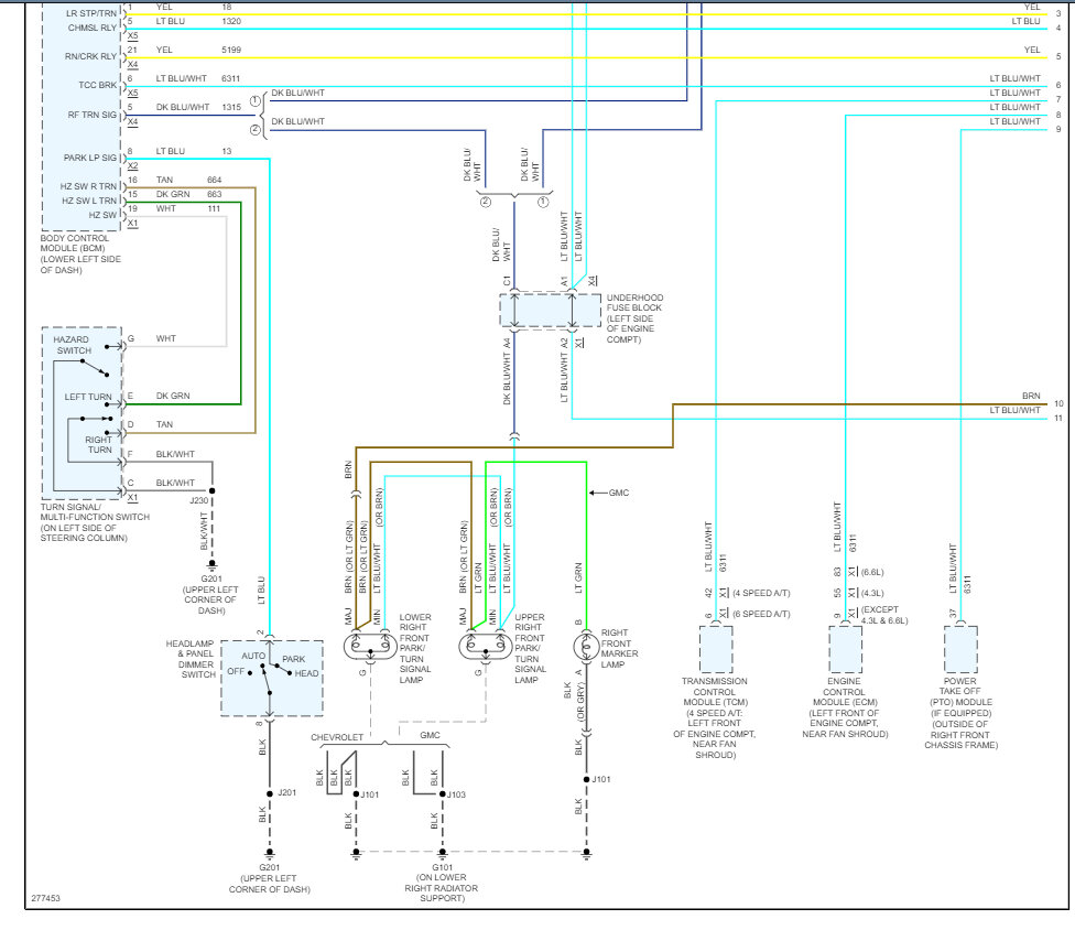
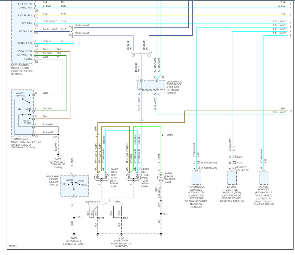
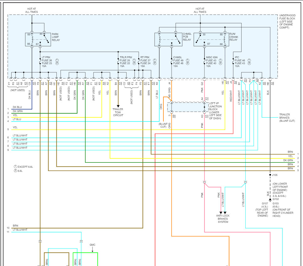
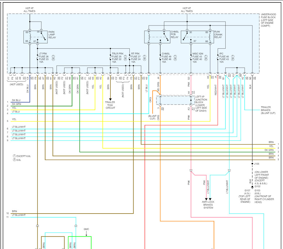
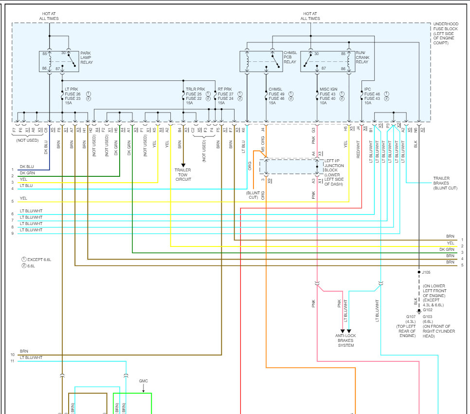
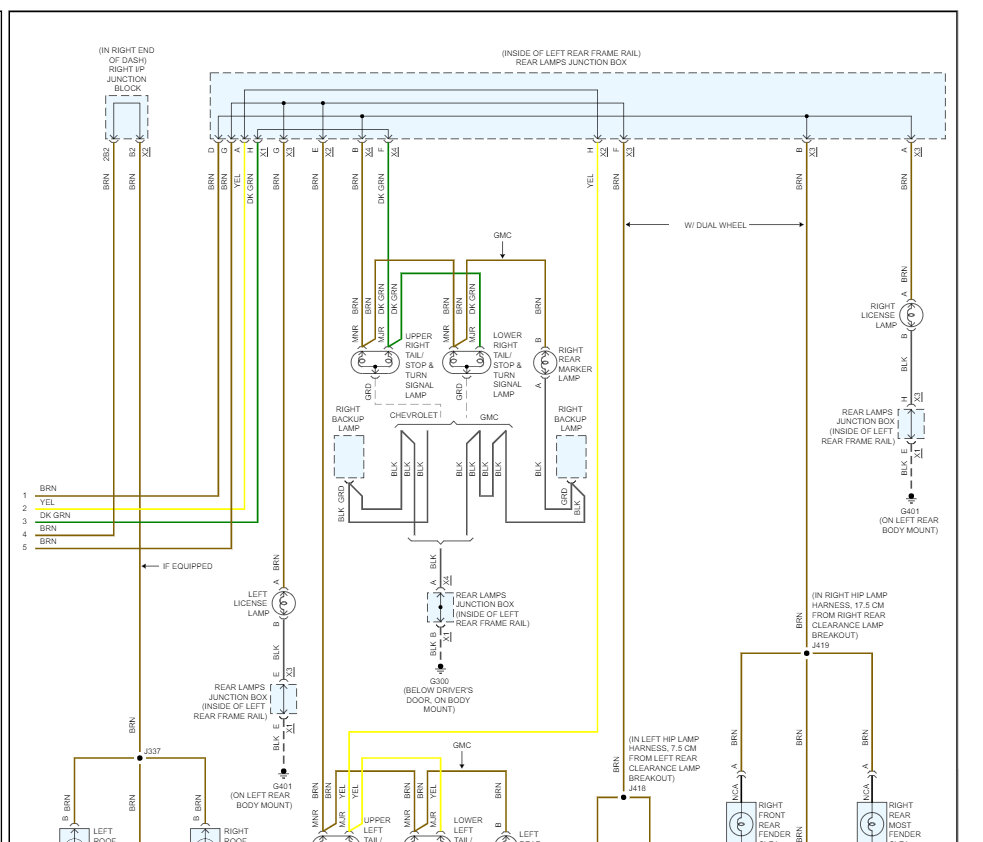
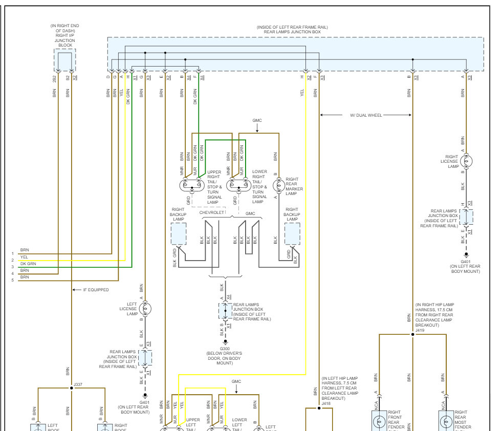
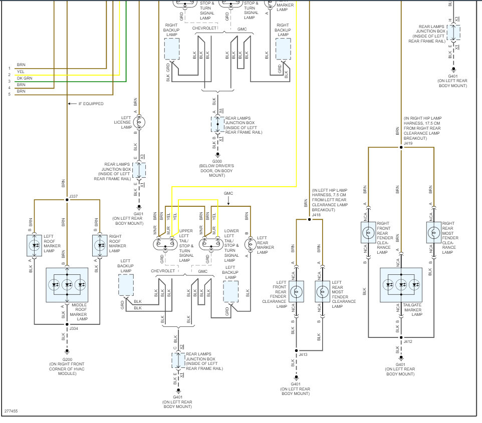
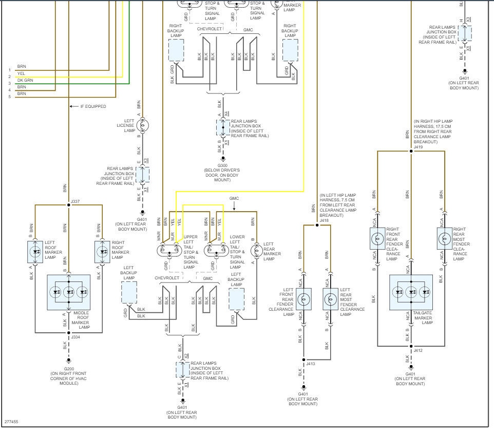
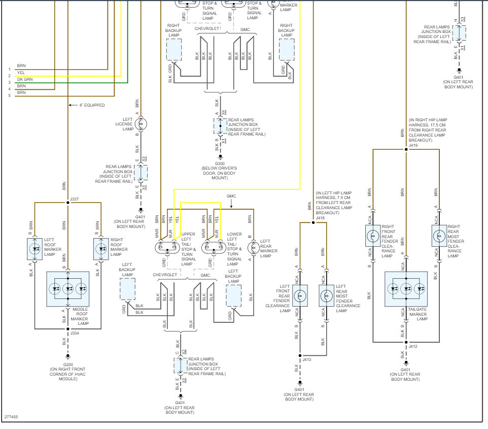
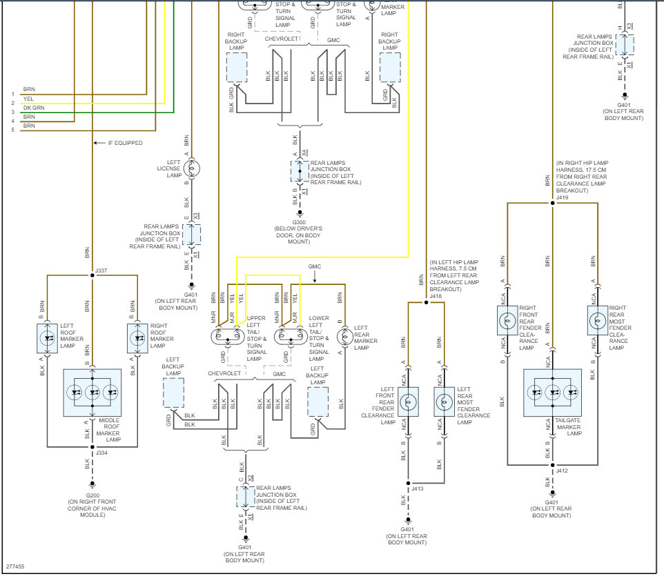
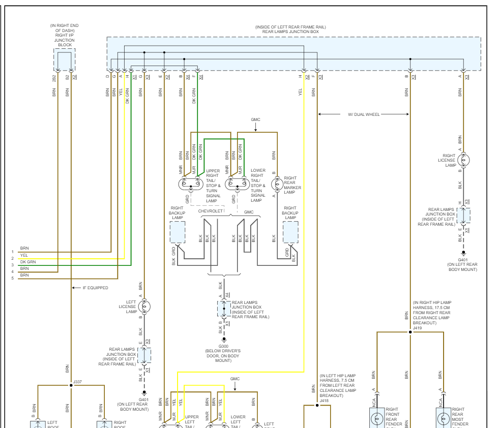
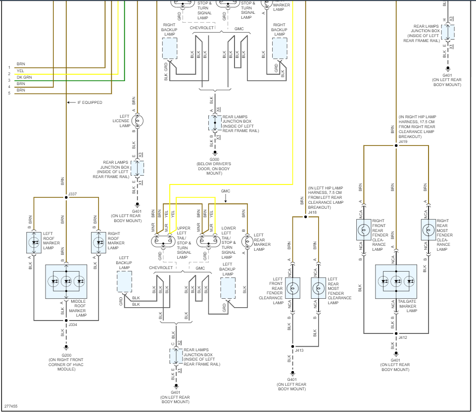
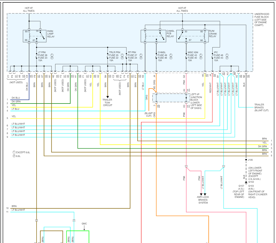
Upon shutting off my truck, I observed that the Right and Left parking lamps, both front and back, remain illuminated. To investigate this issue, I have conducted some basic troubleshooting steps:
1. The only fuse that had an impact on the lights was fuse 28, which controls the Right Driver's Side Parking Lamp. Unplugging this fuse removed power from the driver's side parking lights. Conversely, unplugging fuse 27 did not have any effect on the passenger side lights.
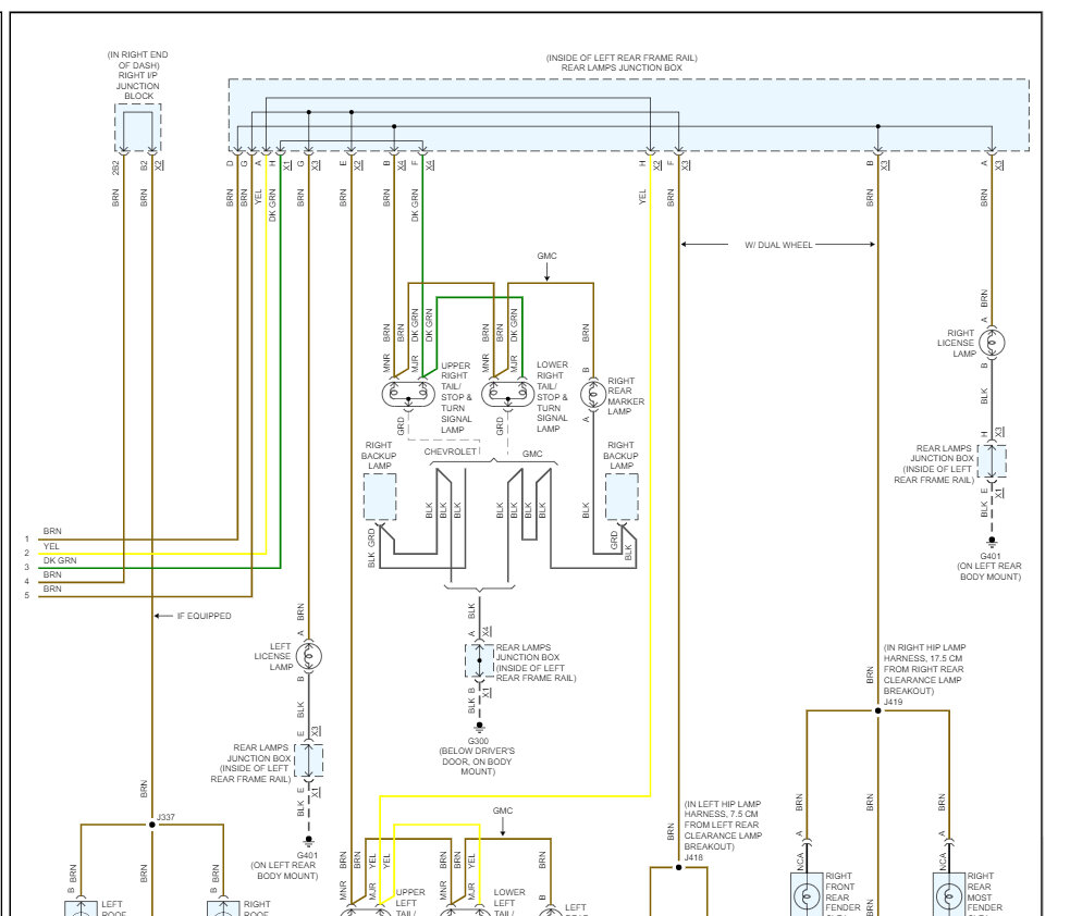
2. Additionally, I disconnected all components from the rear junction box, located underneath the tailgate, but the Left and Right parking lamps still remained in their powered-on state. This was done to eliminate it as a possible cause of the problem.
Although the fuse box does not appear to have been tampered with by any small rodents, it could still be the culprit. The more likely cause is that the wiring harness is faulty, possibly due to a short. At this point, I am hoping that the first part of my troubleshooting process will aid in identifying the underlying issue.
Has anybody experienced this before / or have any tips?
Thank you.
Tuesday, February 28th, 2023 AT 6:36 AM

















