Saturday, November 4th, 2023 AT 11:35 AM
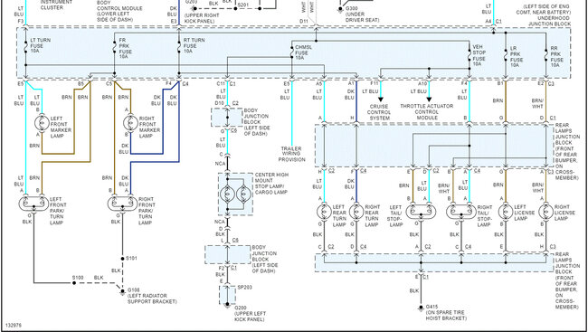
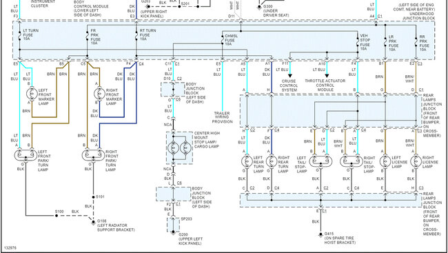
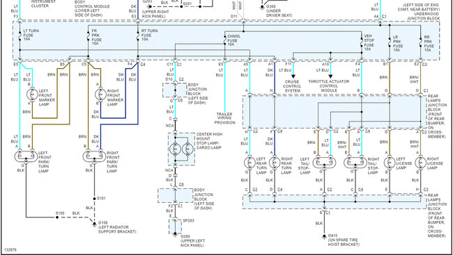
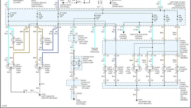
I am trying to replace my headlight/ turn signal Assy's with a set from ADCARLIGHTS. They have a LED controller for the turn signal / marker lights. The instructions say to connect a wire to the turn signal positive, a wire to the side-marker positive, and to the side-marker negative. According to the wiring diagram the side- marker has no negative. Only the turn-signal has a ground. So, confused.





