Thursday, March 5th, 2020 AT 9:38 AM
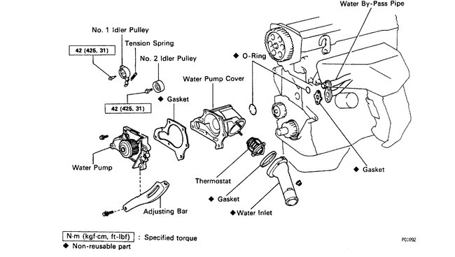
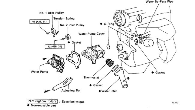
Hi there, my wife was driving the car on the highway and looked up and the car was steaming. She slowed down and seen the car was in low said radio was too loud. I got it back home but on the way home it would heat up and then a minute or 2 later would go back down. Refilled all coolant got air out of lines and then it started leaking out of this small pre fab'd hole in the front of the water pump bracket it leaks now every time I turn the car off and then when I pull the radiator cap off is this the weep hole and would you suggest full water pump replace or perhaps maybe just the seal?

















