HOME
ASK A QUESTION
REPAIR GUIDES
BECOME A MEMBER
LOG IN
Login with Facebook
OR
Remember me
NOT A MEMBER?
FORGOT PASSWORD?
CONTACT US
PRIVACY POLICY
TERMS AND CONDITIONS
☰
Home
Pontiac
Grand Am
Engine
Oil Pressure Sensor
Location
Leak, pressure sending unit switch location needed
GARY MALCOLM
MEMBER
2002 PONTIAC GRAND AM
2.2L
4 CYL
AUTOMATIC
170,000 MILES
Where is oil pressure sending unit switch located?
Friday, February 21st, 2020 AT 3:06 AM
10 Replies
MOTOR MASTER
MECHANIC
279 POSTS
Hello my name is Dave.
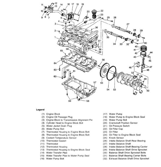
I have attached an illustration showing the oil switch. Hope it helps and thanks for using 2CarPros!
Image (Click to make bigger)
Was this
answer
helpful?
Yes
No
Friday, February 21st, 2020 AT 4:30 AM
ASEMASTER6371
MECHANIC
52,796 POSTS
Good morning,
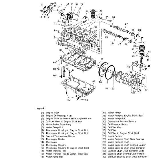
It is at the back of the block on the side of the motor next to the crank sensor.
I attached a picture for you to view.
Roy
Image (Click to make bigger)
Was this
answer
helpful?
Yes
No
Friday, February 21st, 2020 AT 4:33 AM
GARY MALCOLM
MEMBER
7 POSTS
Thank you Dave! I wish I could have seen more of the motor surrounding that image!
Was this
answer
helpful?
Yes
No
Saturday, February 22nd, 2020 AT 3:15 AM
ASEMASTER6371
MECHANIC
52,796 POSTS
What else do you need to see?
Roy
Was this
answer
helpful?
Yes
No
Saturday, February 22nd, 2020 AT 3:22 AM
GARY MALCOLM
MEMBER
7 POSTS
Need to see more of motor surrounding that image!
Was this
answer
helpful?
Yes
No
Saturday, February 22nd, 2020 AT 10:35 AM
ASEMASTER6371
MECHANIC
52,796 POSTS
If you give me a particular component you are searching for, let me know and I can post some pictures.
Roy
Was this
answer
helpful?
Yes
No
Saturday, February 22nd, 2020 AT 8:06 PM
GARY MALCOLM
MEMBER
7 POSTS
Any component that will show much more image surrounding oil pressure switch.
Was this
answer
helpful?
Yes
No
Sunday, February 23rd, 2020 AT 2:50 AM
ASEMASTER6371
MECHANIC
52,796 POSTS
Some more pictures for you.
Roy
Images (Click to make bigger)
Was this
answer
helpful?
Yes
No
+2
Sunday, February 23rd, 2020 AT 6:10 AM
GARY MALCOLM
MEMBER
7 POSTS
Thank you.
Was this
answer
helpful?
Yes
No
Tuesday, February 25th, 2020 AT 5:11 AM
ASEMASTER6371
MECHANIC
52,796 POSTS
You are welcome.
Feel free to give us a review. We appreciate all the reviews.
https://www.sitejabber.com/reviews/2carpros.com
https://www.google.com/search?q=2carpros&gs_ivs=1#lrd=0x80dcd47364be5d0d:0xba091aa4209f4497
,1,,,&tts=0
Roy
Was this
answer
helpful?
Yes
No
Tuesday, February 25th, 2020 AT 6:24 AM
Please
login
or
register
to post a reply.
Related Oil Pressure Sensor Location Content
1995 Pontiac Grand Am
Were Is The Oil Pressure Switch At
Asked by
jamie13613
·
3 ANSWERS
1995
PONTIAC GRAND AM
1996 Pontiac Grand Am Oil Pressure Sensor
I 'va Had Alot Of Trouble With Keeping My Car Running. Checked Fuel Pump And Relay. Ignition Module And Ignition Switch. Bad Connection On...
Asked by
96james
·
3 ANSWERS
1996
PONTIAC GRAND AM
Oil Pressure Switch
Hi! I Have Pontiac Grannd Am, 1994, V6. My Question: Where Is Located Oil Pressure Switch? Thanks
Asked by
VP
·
1 ANSWER
PONTIAC GRAND AM
Broke Something In The Oil Pressure Switch
I Had An Oil Leak From The Oil Pressure Switch. Tried Replacing Guess I Tightened It To Tight And Broke Where It Goes In At. Trying To...
Asked by
Clark313
·
10 ANSWERS
1 IMAGE
2000
PONTIAC GRAND AM
Resetting The Oil Sensor
I Have A 2005 Pontiac Grand Am, 80.000, 3.4l. I Changed The Oil, How Do I Reset The Sensor?
Asked by
bullfrog1981
·
2 ANSWERS
PONTIAC GRAND AM
VIEW MORE
Ask a Car Question. It's Free!
Engine Oil Leak
Change Engine Oil and Filter Toyota Tacoma
Throttle Body Actuator Service Toyota Prius 2