Thursday, June 12th, 2025 AT 11:17 AM
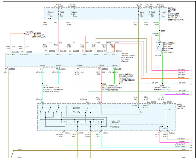
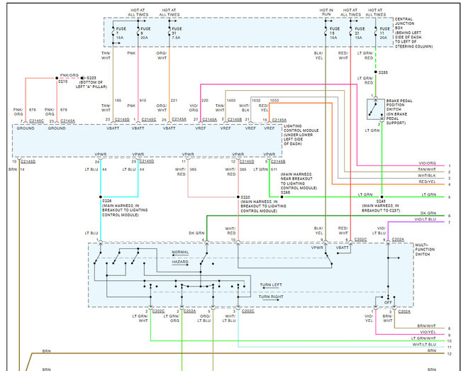
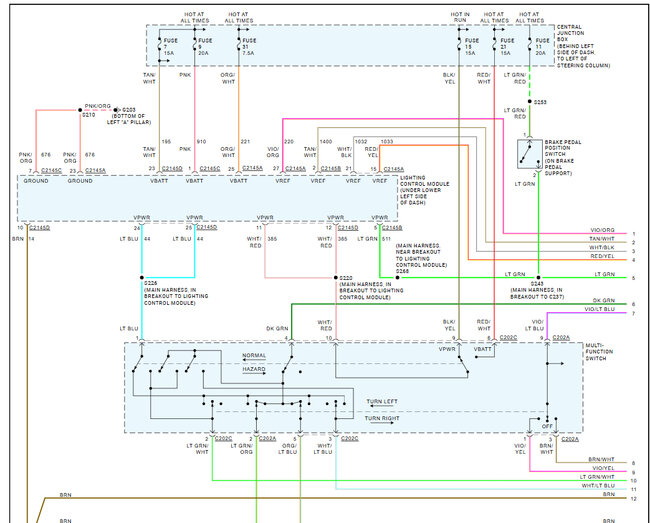
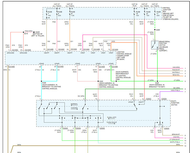
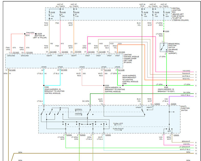
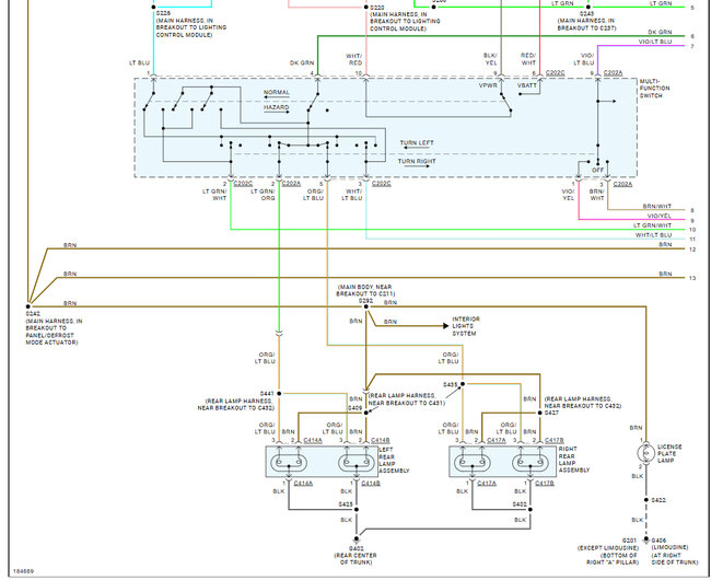
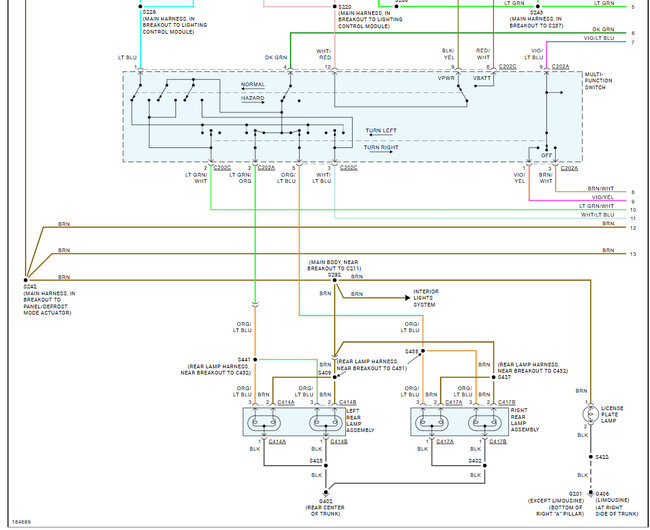
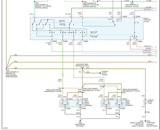
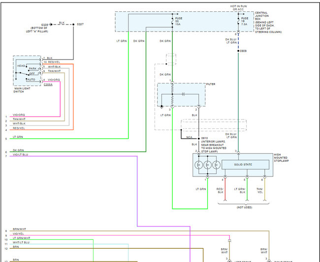
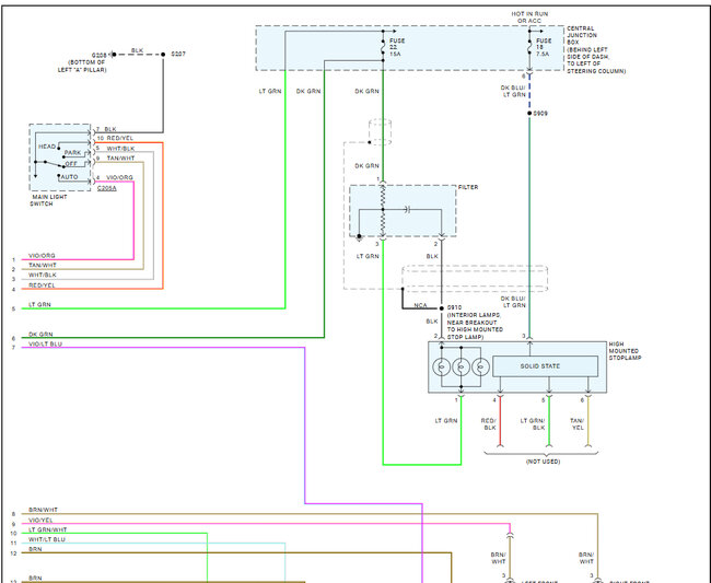
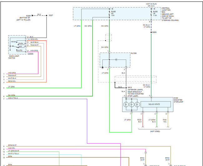
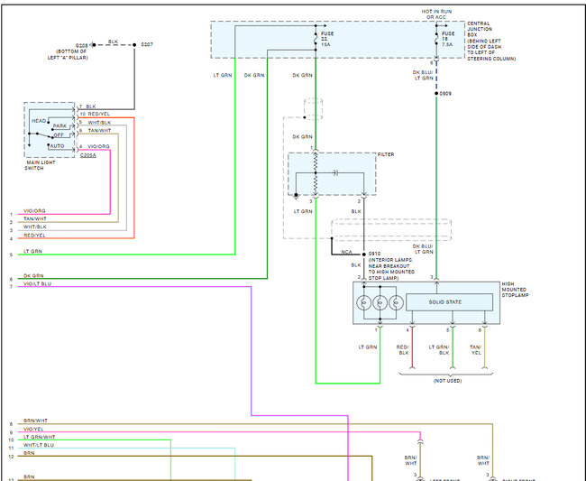
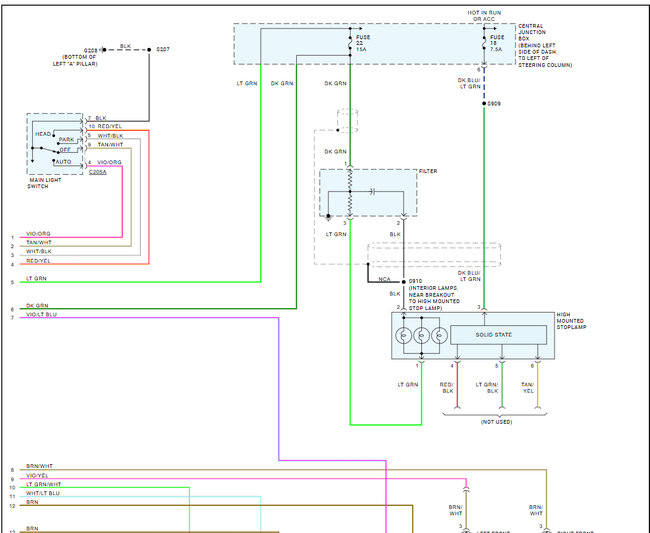
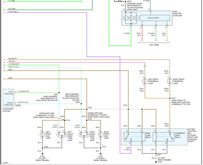
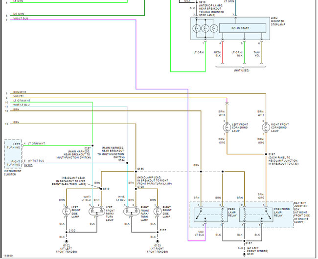
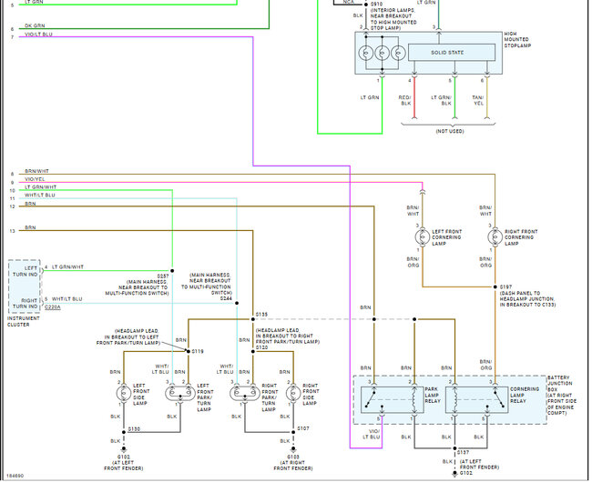
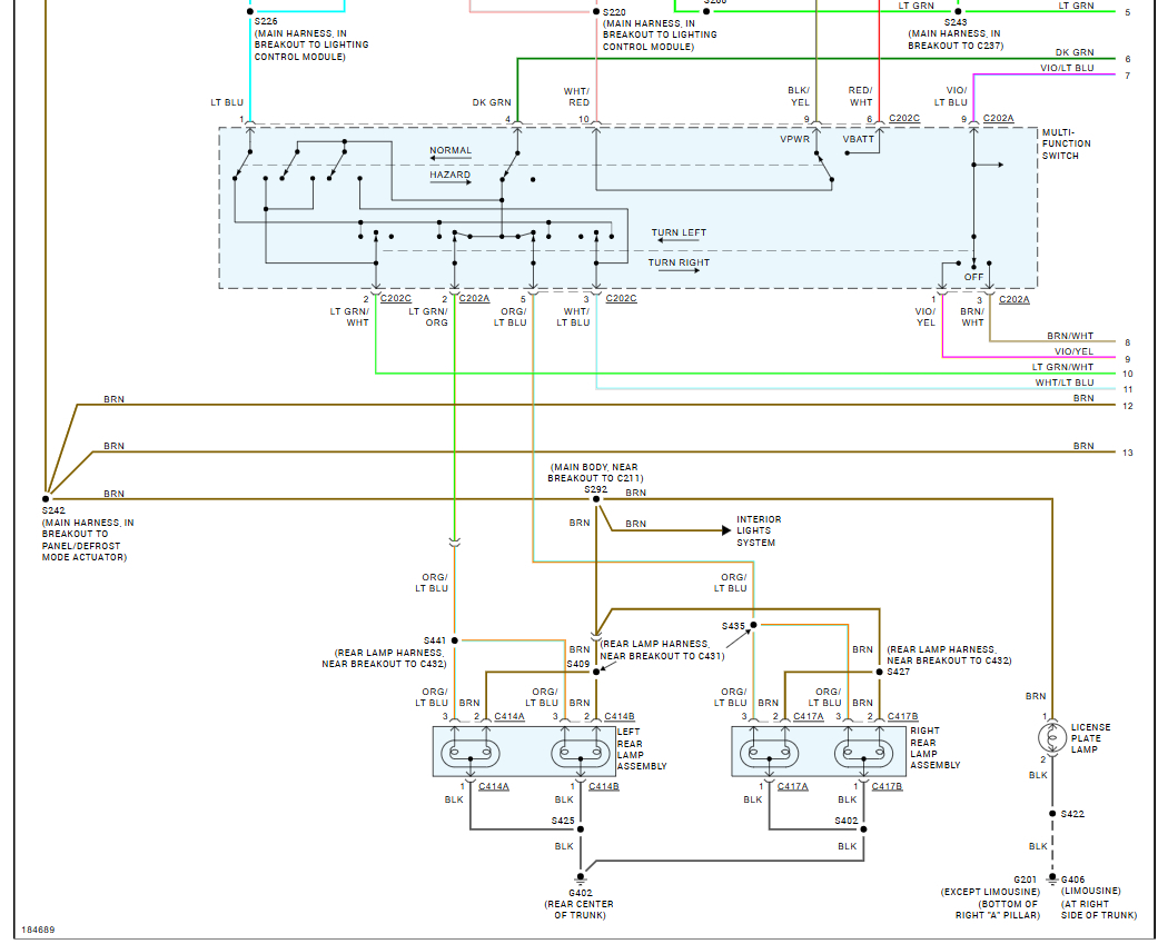
LCM is bad. I need to run a jumper wire from an accessory to the taillight wire, preferably by the LCM until my new one comes in.




