Monday, April 28th, 2008 AT 12:40 AM
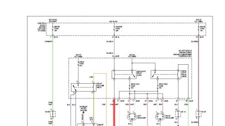
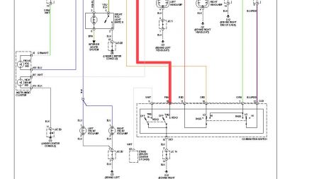
Low beam headlights suddenly quit working at the same time as well as parking lights. High beams work and so does blinkers and emergency flashers. Any ideas? Fuses and relays all checked out fine. I can make them work by "hotwiriing" the relay (putting an unbent paper clip in the holes).



