Key fob does not work for door locks

Tiny
BRANDON JONES4
  • MEMBER
  • 2003 HONDA ACCORD
  • 2.4L
  • 4 CYL
  • 2WD
  • MANUAL
  • 87,000 MILES
I purchased a used master power window switch and now the door locks won’t work. But the trunk opens with the button. Please help.
Monday, March 29th, 2021 AT 8:40 PM

1 Reply

Tiny
KASEKENNY
  • MECHANIC
  • 18,907 POSTS
What was the issue with the original power lock switch and do you still have it? If so, can you plug it in and make sure the key fob makes the door locks work? If so, then I suspect the master power switch that you have is the issue.

More then likely the antenna that is part of the keyless system is not working or it is out of a vehicle that was not equipped keyless entry.

However, plugging the old one and confirming that they start operating again just proves out it is the issue.

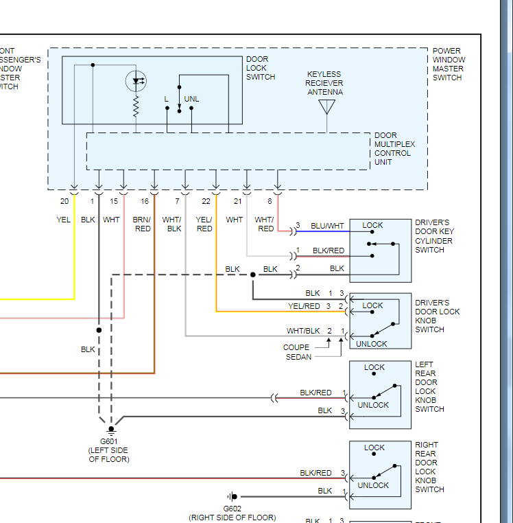
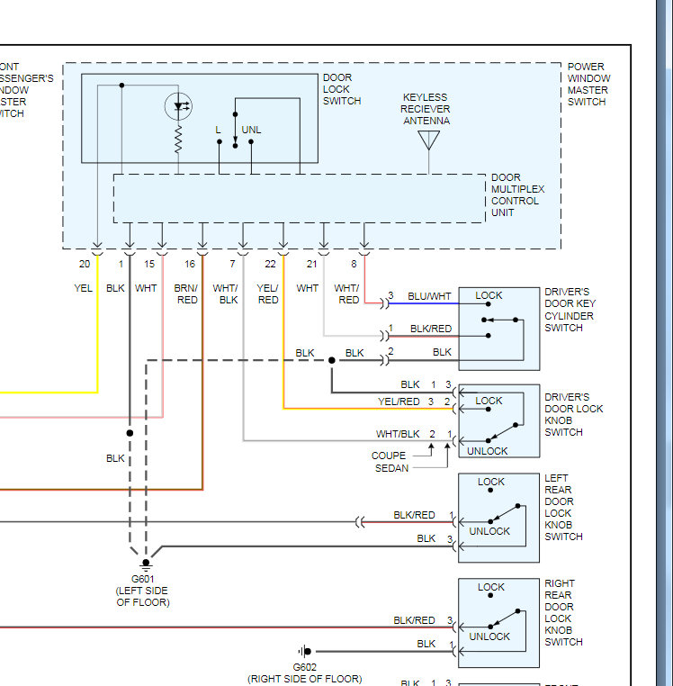
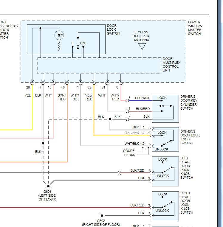
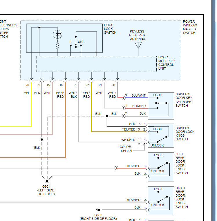
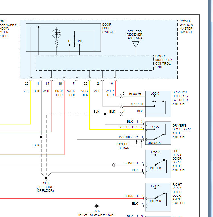
Below is a pinout of the switch so we can test voltage on the old and new switch just to prove this. When hitting the button on the key it should send voltage to the locks. If it is not then it is the issue.
Was this
answer
helpful?
Yes
No
Wednesday, March 31st, 2021 AT 4:09 PM

Please login or register to post a reply.