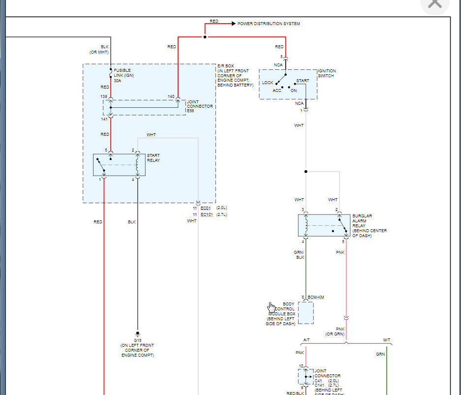
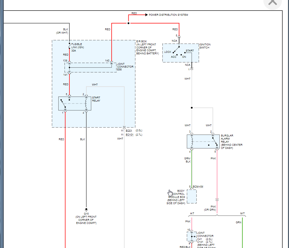
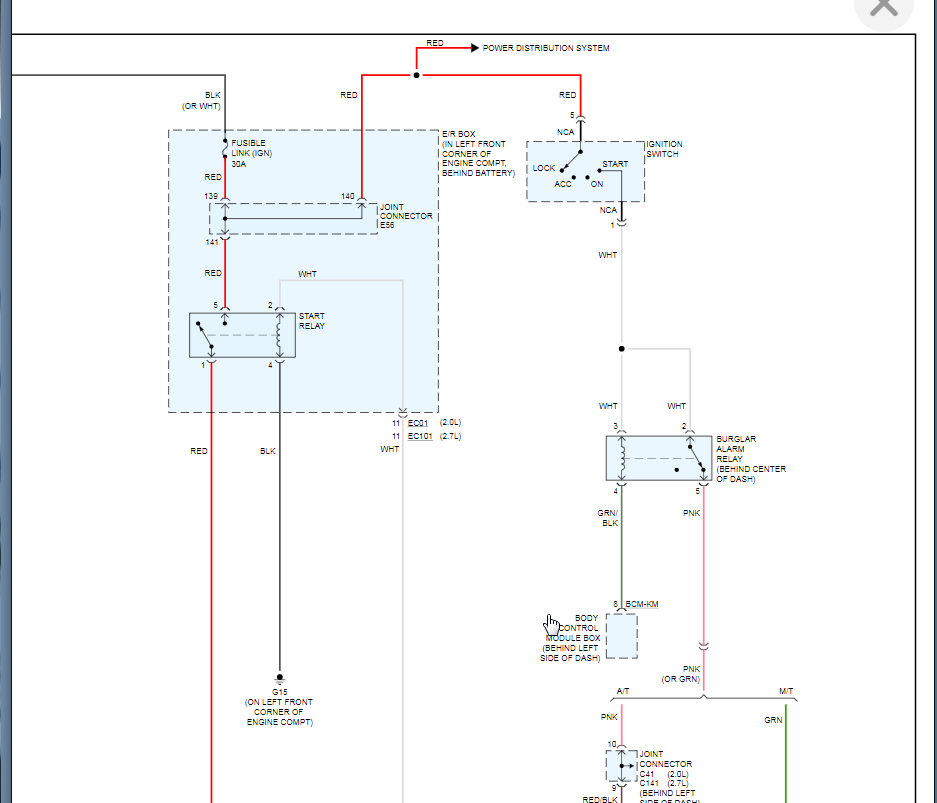
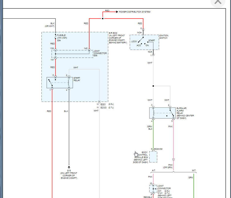
Monday, February 15th, 2021 AT 3:57 AM
Key was broken in ignition so I removed the ignition switch and tried turning it with a screwdriver and it won’t turn the engine over. The battery was just charged up to 100%. And it’s been snowing so I’m not sure if it’s frozen or not.



