Monday, January 23rd, 2023 AT 9:01 AM
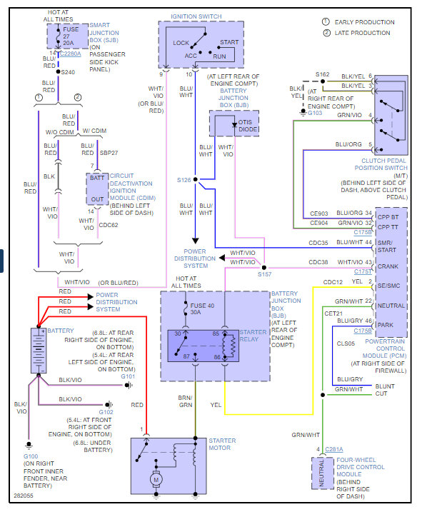
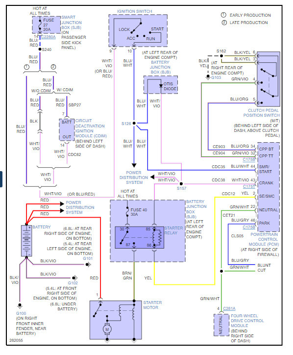
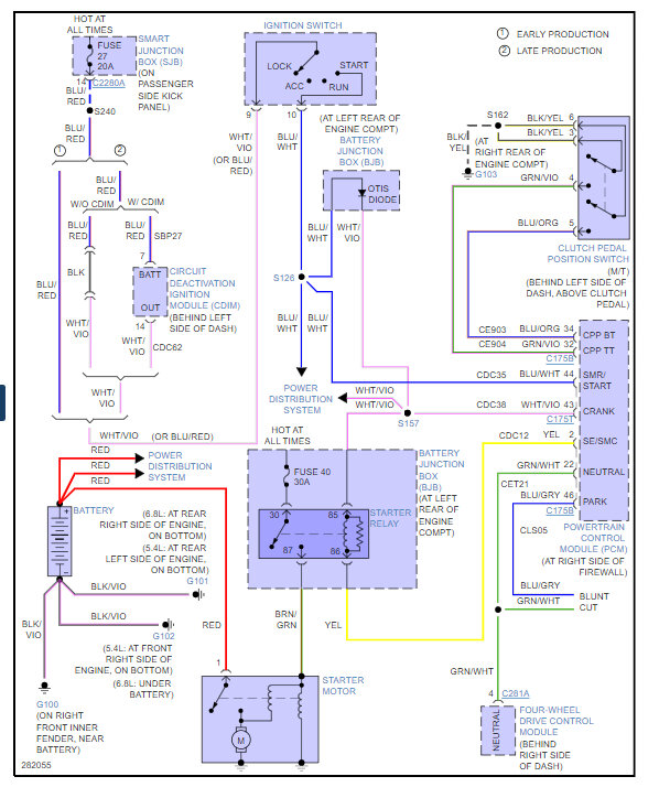
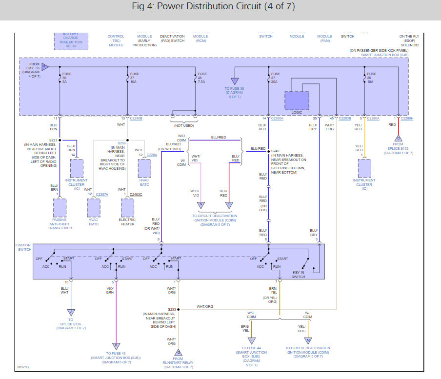
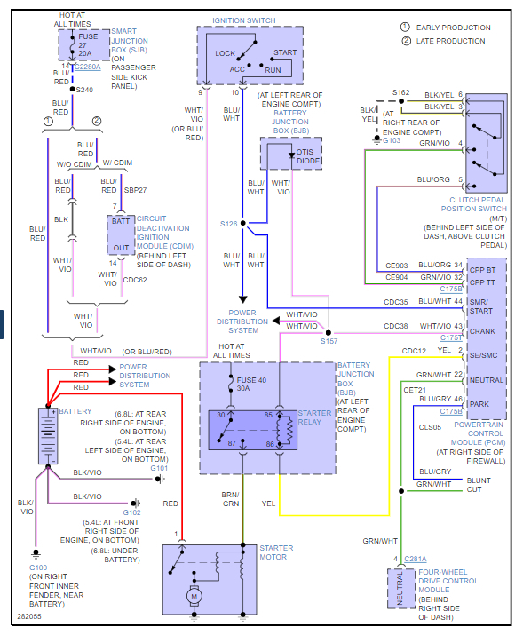
I just finished installing a new used engine in my truck listed above power stroke. When I turn the ignition key to start and let go it stays forward and is cranking so I have to manually turn it back and it shuts the truck off. I've changed out the tumbler and ignition switch. Now I'm stuck and need some direction. Thank you












