When I remove my key, the Key-In-Ignition alarm will not turn off?

Tiny
MIKE CREED
  • MEMBER
  • 1972 CHEVROLET CHEVELLE
  • 5.7L
  • V8
  • 2WD
  • AUTOMATIC
  • 94,000 MILES
Forces me to disconnect the battery. Where is the actual alarm located so I can remove it?
Thursday, November 24th, 2022 AT 3:42 AM

1 Reply

Tiny
STEVE W.
  • MECHANIC
  • 15,700 POSTS
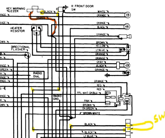
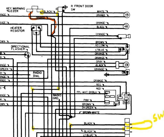
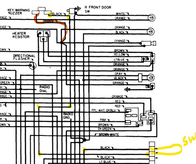
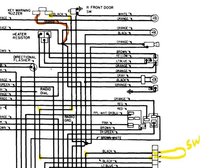
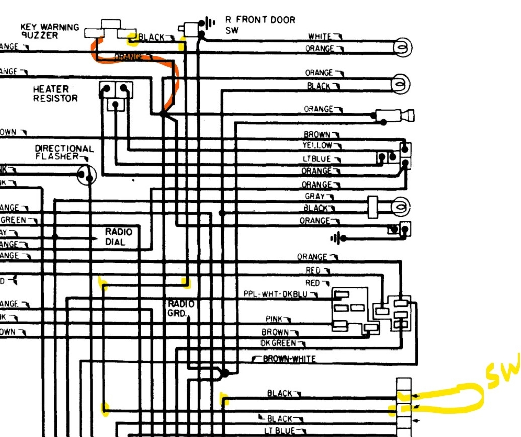
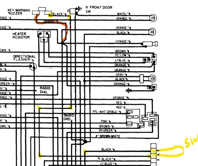
It is normally either plugged into the fuse box or is a part of the horn relay. The way it works is as part of the driver's door switch for the interior light. One side of the buzzer has power to it, the other side follows a long route from the buzzer through the connection on the steering column, up to the switch in the key cylinder, from there it comes back down and out to the door switch. The way it is supposed to work is when the key is in, the switch opens the circuit, when you pull the key it closes, but the buzzer should only turn on when you open the driver's side door as that is the piece that grounds the circuit and completes it. If the buzzer stays off with the key in, the circuit from the key in switch to the buzzer is okay. However, the circuit from the key in switch to the door switch is either grounded or the switch is faulty. To repair it you can unscrew the door switch from the A pillar and look at the wires to it. There should be a total of three wires to it, one pair of white wires that go to the lights and a black wire that is for the key buzzer. Unscrew the switch, disconnect the black wire and see if the buzzer stops. If it does the door switch is faulty. If it doesn't then you will need to trace that wire back to the column connector and see where it is shorted to the vehicle. Common spots are at the area between the door and body, the wires flex and break and then short out.
Was this
answer
helpful?
Yes
No
+1
Thursday, November 24th, 2022 AT 5:26 AM

Please login or register to post a reply.