Once you turn the car it will not start again

Tiny
CHRYSLER;SORRY
  • MEMBER
  • 2000 CHRYSLER SEBRING
  • 2.5L
  • 165,000 MILES
Almost impossible to jump off, if you turn it off at all that’s all you have. I have encountered key in the ignition not even a clicking that it’s turning over, I have a portable jump box, easy peasy or so I thought, you try to jump the car and you get onto the clicks and the effort to turn over. It’s not the battery, random items show up on the dash, I actually had one error on the odometer once believed to have been malfunction, I turned it off and gave it a fresh boot clearing the choking sound in the injectors. Sometimes it will run for a month but at this time I can charge my boost box completely full, jump it, (currently dash says ABS and trac off with a red dot. I assume is the security system to far right top of dash) if it’s the ECM I am in the pile of mess and will have to do a fundraiser to achieve another vehicle. Running the roads doesn’t give it any gumption as soon as that key is switched off game over, I wiped a boost box from fully charged to dead and needing a charge within an hour and 5 whole miles.

Never look a gift horse in the mouth?

Yep, might bite you! It was a gift and it has bitten.

I taught my kids how to work on cars well, I’m a pretty great mom and I have grandchildren at 45, how can this car go so wrong? No help and their cars and trucks all run!

The name of my car is I’m so sorry I didn’t think it was that big of a deal wrong with it, son’s mother in law sold to my father impressive run he got out of it. Any ideas?

Jxi convertible
Sunday, November 17th, 2019 AT 1:49 PM

8 Replies

Tiny
JACOBANDNICKOLAS
  • MECHANIC
  • 110,192 POSTS
Hi:

If you get clicks only from the starter, have you checked to make sure battery terminals are clean and tight as well as grounds from the battery to the engine and body? Also, have you checked to see if the starter itself is bad? If you have a good battery and it only clicks, there is a good chance the solenoid is bad and loses contact when it is hot.

Let me know.

Joe
Was this
answer
helpful?
Yes
No
Sunday, November 17th, 2019 AT 8:39 PM
Tiny
CHRYSLER;SORRY
  • MEMBER
  • 5 POSTS
Begins totally zero dash light activity zero clicks, and about 4-5 boosts before clicks and turnover begin. Fifth jump cranks eh maybe. Recharge pocket boost box 20,000 Mah capacity. I let it run for an hour today bumping the gas from under the hood, sounded great like a v6 that sounds like a v8 ya know what we love about it. After running the lights and checked the blinker/hazards ABS and TRAC OFF appear on the dash with a 0 on odometer until a successful jump-start. Switch off and not even remotely thinking of removing the key back to zero clicks once it’s off it will not jump-start again per the day even with HD jumper cables. Made sure ground, neutral, and positive are tight at the points under the hood, almost got shocked by the socket so there is some juice but nothing. I would like to take it to the parts store but if I cut the switch off for the test it will not boost again for the day and there she sits. From what I can see in the tire well contacts to the battery look great. I am in the 2 years of one off JX aka Jxi 99 and 00 years are a nightmare. It’s exasperation in its finest. My dad said he would look at it tomorrow but it was amusing when he had the car as the alarm would go off and it would take 30 minutes to pull everything and I pulled the horn relay; effectively knocking the problem out in under 5 minutes. It’s back in and it gave me a honk when I closed the hood. Hmm with zero clicks and nothing on the dash but flickers. Chrysler is not really in his wheelhouse especially modern mechanical. Tomorrow voltage regulator and possibly removing the driver front tire to remove the battery for auto parts store testing.

I wish it was fuse 8 but no dice as per the 99 and 00 model convertibles everything varies “series 1”
Was this
answer
helpful?
Yes
No
Monday, November 18th, 2019 AT 5:41 PM
Tiny
CHRYSLER;SORRY
  • MEMBER
  • 5 POSTS
Assembled in Mexico April of 2000 series 1. The other sticker says it was put on the door in USA.
Was this
answer
helpful?
Yes
No
Monday, November 18th, 2019 AT 6:32 PM
Tiny
JACOBANDNICKOLAS
  • MECHANIC
  • 110,192 POSTS
Is there 12v to the S terminal on the starter solenoid when the key is in the start position?
Was this
answer
helpful?
Yes
No
Tuesday, November 19th, 2019 AT 5:04 PM
Tiny
CHRYSLER;SORRY
  • MEMBER
  • 5 POSTS
Have not reached that point. I have 2 ground faults one under the hood and one under the dash, the car is on a charger and the battery is at app 12 volts, likely we will have to jump start it for starter testing but yesterday was all fuses being tested with negative cable removed to use the charger to test the fuses. At first it appeared to be the #13 fuse as a definitive answer which is the ABS fuse 40 amp, then it appeared to be rear defroster.

My mirror is disconnected from a power source, speakers new factory AMp has not worked.

The ground faults are causing an engaging click under the hood source unknown and another under the dash in the steering section which sounds more like the brake pedal clicks.

My dad is again at it, I just heard a whit-tar-tar click after a while 24 hours on the charger (grrr, no turn over) he’s using a voltage regulator. Understanding that the car has to be started to check the voltage on the starter and or alternator. Stalemate at the moment, the jump start due to ground faults is a downer on the jump start box 20000 Mah freshly charged is going to drain at a few attempts to jump the battery. He said it smelt like a burning wire around the steering area and wheel but nothing can be found to mark the reason or source of a solder smell/ arc draw. Horn relay alerted the horn when he put the charger on it not knowing I had stuck it back in place to which is not the drain after a year with it out it only alerted that he was indeed checking the car and put it on the charger. I feel like I set him up for it, he had to hit the horn hard to stop it. I then removed the relay again. A girl has to have some mark of a problem solving promise met honk. If he had told me what he was doing I would have told him to remove the relay from the fuse panel.

Chrysler;sorry
Was this
answer
helpful?
Yes
No
Thursday, November 21st, 2019 AT 9:44 AM
Tiny
JACOBANDNICKOLAS
  • MECHANIC
  • 110,192 POSTS
Hi:

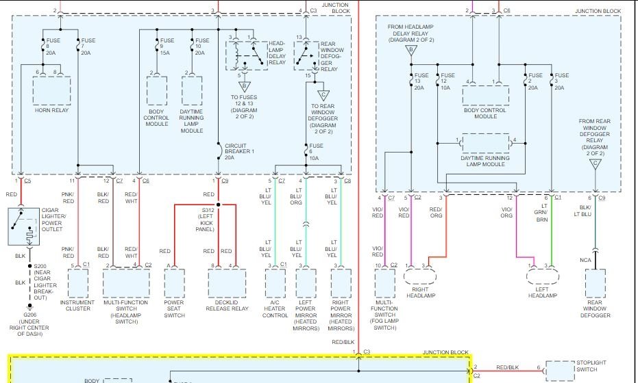
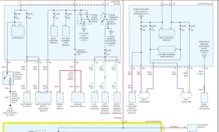
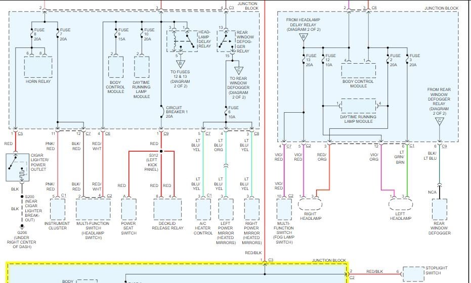
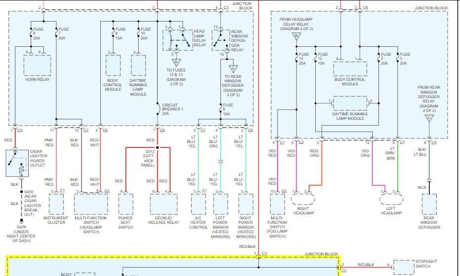
You have your hands full. However, I am a bit concerned regarding the smell at the steering wheel. Keep an eye on that. It, in every way, sounds like a ground or bad connection issue. I can upload schematics of the grounds or power system if it will help

Let me know.

Joe
Was this
answer
helpful?
Yes
No
Thursday, November 21st, 2019 AT 2:26 PM
Tiny
CHRYSLER;SORRY
  • MEMBER
  • 5 POSTS
That would be great!

I have ordered a reader usb for iOS but it will be after I need the car running when I receive it and of course that takes a jump start.

Most people wouldn’t have a wit for such a username, most women know nothing about cars. The dashboard tear down will be interesting to say the least. I feel I will know every facet of the car before I kick it and sell.

Do you need the VIN because it’s within that gap? It should be on the picture of the door sticker; finicky and no user manual to see.

My brother is highest rated ASE and 2nd level technical long in the bones of cars, I believe the tilt of his head with raised brow he’s ready to kick it for me. He said he felt starter until these details of ground faults came about.
Was this
answer
helpful?
Yes
No
Friday, November 22nd, 2019 AT 1:38 PM
Tiny
JACOBANDNICKOLAS
  • MECHANIC
  • 110,192 POSTS
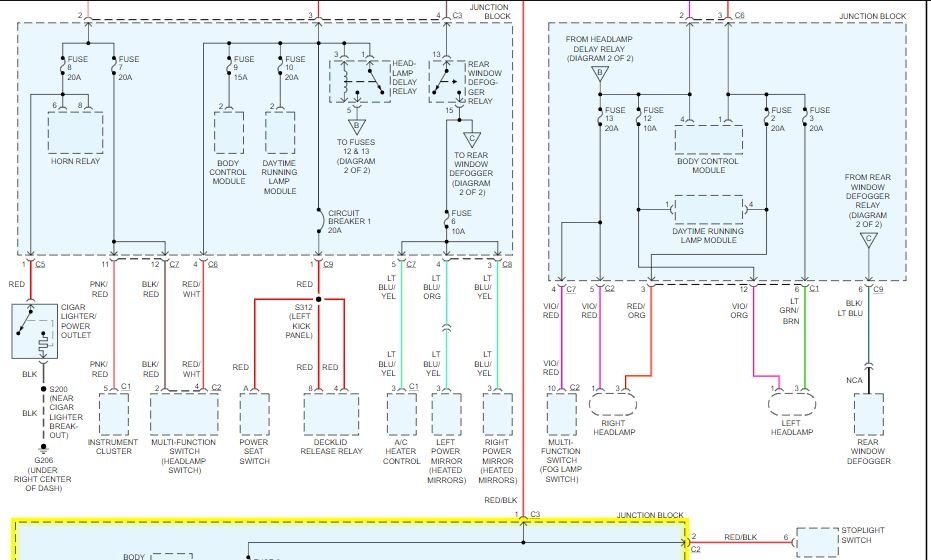
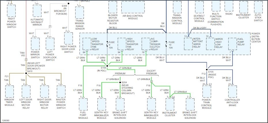
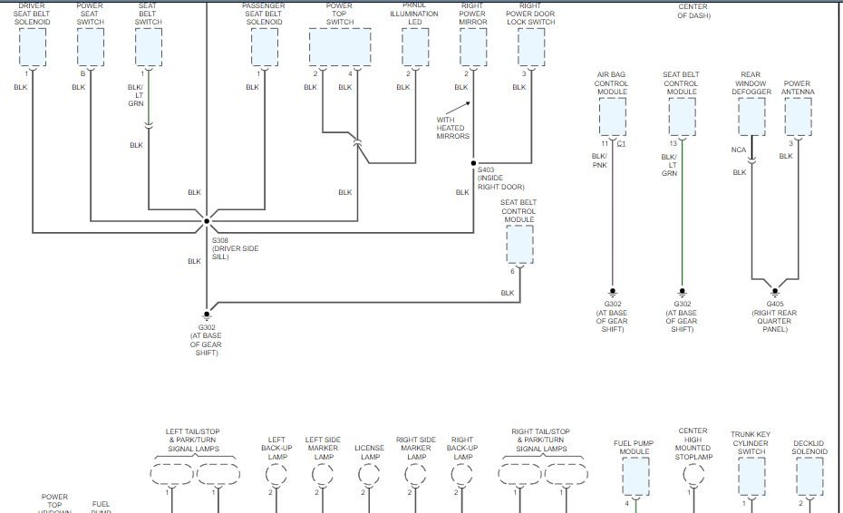
Hi,

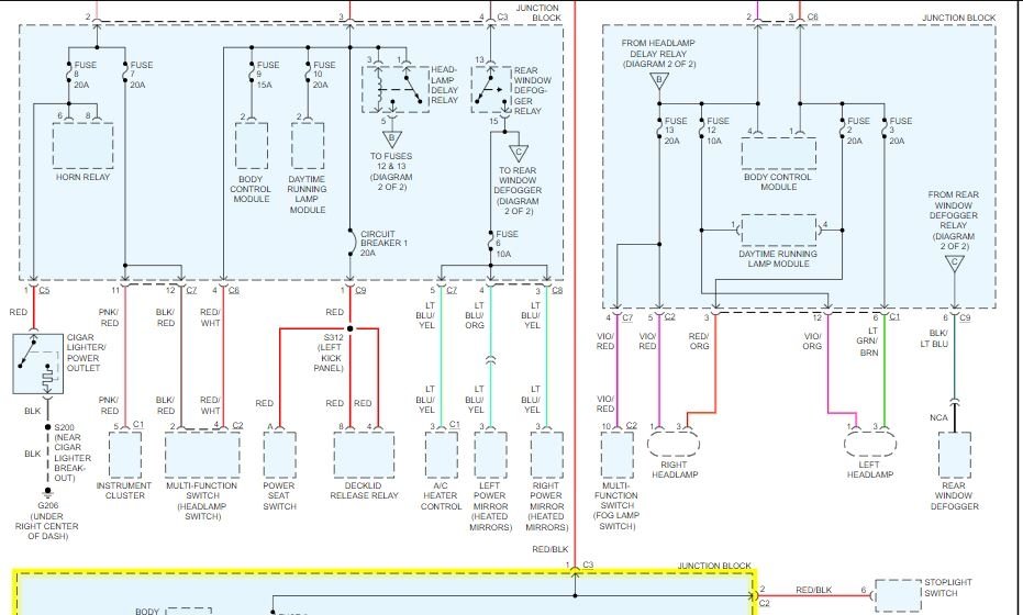
I attached the power and ground schematics for you. The first six are of the power. The second six are ground. I had to enlarge them for you to read and then break each page into three sections. I overlapped them so you can follow them.

Let me know if this helps.

Take care,
Joe
Was this
answer
helpful?
Yes
No
-1
Friday, November 22nd, 2019 AT 9:22 PM

Please login or register to post a reply.